Трансивер SW2025
-
serge_m
- Повідомлень: 117
- З нами з: Пон лютого 17, 2025 8:10 pm
- Has thanked: 54 times
- Been thanked: 49 times
Re: Трансивер SW2025
Так, отвір під динамік в платі це можна записати в мінуси. Але його намалювати один раз і забути. Китайці грошей за фрезерування додатково не беруть. Або можна плату в конструкції підняти на таку висоту щоб не конфліктувала з динаміком, є низькопрофільні динаміки. Згадав більш суттєвий недолік такого розташування динаміка. Проявляється не часто і тільки в miniSW - буває що доводиться накривати жерстяним П-подібним екраном релюшу яка вмикає ФВЧ, бо поле від магнітної системи динаміка не дає їй надійно спрацьовувати.
У мене голова болить про гнізда виведені на лівий бік корпуса, а по динаміку взагалі не болить - він цілком на своєму місці. Але гнізда в цьому корпусі объєктивно нема більше куди вивести.
Є думки перерозвести плати під алюмінієвий корпус, але напевно тоді краще взяти іншу схему.
У мене голова болить про гнізда виведені на лівий бік корпуса, а по динаміку взагалі не болить - він цілком на своєму місці. Але гнізда в цьому корпусі объєктивно нема більше куди вивести.
Є думки перерозвести плати під алюмінієвий корпус, але напевно тоді краще взяти іншу схему.
-
serge_m
- Повідомлень: 117
- З нами з: Пон лютого 17, 2025 8:10 pm
- Has thanked: 54 times
- Been thanked: 49 times
Re: Трансивер SW2025
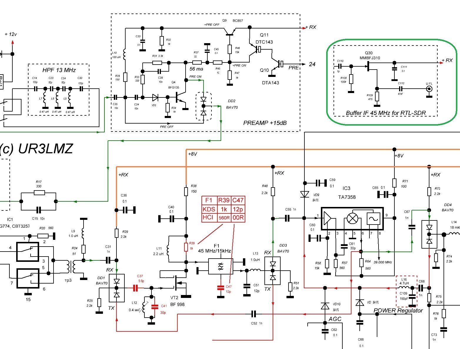
А давайте краще подумаємо звідки взяти сигнал для подачі на зовнішній SDR свисток щоб водоспад дивитись. Це ж треба ПЧ 45 МГц через якийсь буфер на SMA гніздо вивести?Чернетку буферного каскада намалював. Сигнал взяти з точки C31R29 нормально буде?
-
serge_m
- Повідомлень: 117
- З нами з: Пон лютого 17, 2025 8:10 pm
- Has thanked: 54 times
- Been thanked: 49 times
Re: Трансивер SW2025
Вже двоє людей запитали мене "куди подівся вентилятор?". То ж є сенс відповісти один раз для всіх зацікавлених.
В 2025 році за моєї ініціативи притерпіла змін задня частина трансивера. Замість пластикової задньої панелі, яку свердлом і напилками кожну робили індивідуально (не надто технологічна частина), було замовлено готові задні панелі у вигляді друкованої плати на алюмінієвій основі. Металева задня панель дала можливість спростити конструкцію радіатора в тій частині де раніше безпосередньо до радіатора кріпилось антенне гніздо SO-239.
Ілюстративне фото з мережі інтернет: Тепер є алюмінієва задня панель, на яку крипиться і радіатор і антенне гніздо. Гвинтові з'єднання забезпечують достатньо гарний електричний контакт між радіатором і антенним гніздом як через мідний (залуджений) шар так і через алюмінієву основу задньої панелі.
Таким чином з конструкції радіатора пішла та частина в якій треба було зфрезеровувати ребра і сведлити отвір 14 мм під антенне гніздо (теж не дуже технологічно: купити дорогий алюмінієвий профіль, розпустити вздовж навпіл, спустити на стружку частину ребер, свердлити великий отвір, по часу довго). Зменшення тієї частини радіатора навряд чи сильно вплинуло на здатність розсіювати тепло. Зменшення ширини радіатора дало змогу робити радіатор з того самого радіаторного профіля, але з вертикальним розташуванням ребер оголодження, що є технічно більш правильним, бо так ребра охолоджуються за рахунок конвекції. Заразом відпала необхідність розпускати радіаторний профіль вздовж, що теж мінус одна технологічна операція.
Тепер власне до вентилятора. Вентилятор при радіаторі з горизонтальним розташуванням ребер був вимушеним рішенням, бо горизонтильні ребра в штиль погано охолоджуються, тому вздовж ребер горизонтально продували повітря вентилятором. Було вирішено спробувати новий конструктив задньої частини без вентилятора. Хоча можливість його підключення залишається, в задній панелі є отвір під дроти живлення вентилятора, в разі потреби в радіаторі свердляться отвори під дроти живленя і під гвинти кріплення, а також фрезерується в ребрах заглиблення щоб вентилятор був втоплений в радіатор. Але перевірка на перших зібраних екземплярах з новою задньою частиною показала, зі слів автора, що радіатор в такому вигляді працює краще і не потребує вентилятора.
Таким чином
- робота по виготовленню задньої панелі спростилась - просто беремо з комплекта готову
- виготовлення радіатора сильно спростилось - лишились нарізка заготовок, фрезерування паза (раніше це було прямокутне вікно, яке фрезерувати складніше ніж паз) під USB і LineIN/OUT гнізда і свердлування 5 отворів з нарізанням різьби М3
- природнє охолодження покращилось за рахунок вертикального розташування ребер охолодження
- необхідність в вентиляторі відпала
- бонусом в задній панелі з'явилось фрезероване посадочне місце під зручне розповсюджене гніздо живлення XT-60, а також отвір під різьбову заклепку для підключення заземлення
- збільшилась витрата гайок М3 для кріплення гнізда SO-239 до задньої панелі, ну якось переживемо
PS безпосередньо в радіатор тепло віддають тільки пара вихідних транзисторів RD16HHF1 - під них в задній панелі є вікно. Під стабілізатор 7805 вікна в задній панелі нема, тепло від стабілізатора скидається на задню панель.
В 2025 році за моєї ініціативи притерпіла змін задня частина трансивера. Замість пластикової задньої панелі, яку свердлом і напилками кожну робили індивідуально (не надто технологічна частина), було замовлено готові задні панелі у вигляді друкованої плати на алюмінієвій основі. Металева задня панель дала можливість спростити конструкцію радіатора в тій частині де раніше безпосередньо до радіатора кріпилось антенне гніздо SO-239.
Ілюстративне фото з мережі інтернет: Тепер є алюмінієва задня панель, на яку крипиться і радіатор і антенне гніздо. Гвинтові з'єднання забезпечують достатньо гарний електричний контакт між радіатором і антенним гніздом як через мідний (залуджений) шар так і через алюмінієву основу задньої панелі.
Таким чином з конструкції радіатора пішла та частина в якій треба було зфрезеровувати ребра і сведлити отвір 14 мм під антенне гніздо (теж не дуже технологічно: купити дорогий алюмінієвий профіль, розпустити вздовж навпіл, спустити на стружку частину ребер, свердлити великий отвір, по часу довго). Зменшення тієї частини радіатора навряд чи сильно вплинуло на здатність розсіювати тепло. Зменшення ширини радіатора дало змогу робити радіатор з того самого радіаторного профіля, але з вертикальним розташуванням ребер оголодження, що є технічно більш правильним, бо так ребра охолоджуються за рахунок конвекції. Заразом відпала необхідність розпускати радіаторний профіль вздовж, що теж мінус одна технологічна операція.
Тепер власне до вентилятора. Вентилятор при радіаторі з горизонтальним розташуванням ребер був вимушеним рішенням, бо горизонтильні ребра в штиль погано охолоджуються, тому вздовж ребер горизонтально продували повітря вентилятором. Було вирішено спробувати новий конструктив задньої частини без вентилятора. Хоча можливість його підключення залишається, в задній панелі є отвір під дроти живлення вентилятора, в разі потреби в радіаторі свердляться отвори під дроти живленя і під гвинти кріплення, а також фрезерується в ребрах заглиблення щоб вентилятор був втоплений в радіатор. Але перевірка на перших зібраних екземплярах з новою задньою частиною показала, зі слів автора, що радіатор в такому вигляді працює краще і не потребує вентилятора.
Таким чином
- робота по виготовленню задньої панелі спростилась - просто беремо з комплекта готову
- виготовлення радіатора сильно спростилось - лишились нарізка заготовок, фрезерування паза (раніше це було прямокутне вікно, яке фрезерувати складніше ніж паз) під USB і LineIN/OUT гнізда і свердлування 5 отворів з нарізанням різьби М3
- природнє охолодження покращилось за рахунок вертикального розташування ребер охолодження
- необхідність в вентиляторі відпала
- бонусом в задній панелі з'явилось фрезероване посадочне місце під зручне розповсюджене гніздо живлення XT-60, а також отвір під різьбову заклепку для підключення заземлення
- збільшилась витрата гайок М3 для кріплення гнізда SO-239 до задньої панелі, ну якось переживемо
-
UR5FFR
- Повідомлень: 1418
- З нами з: Пон вересня 12, 2022 4:04 pm
- Has thanked: 130 times
- Been thanked: 811 times
Re: Трансивер SW2025
У 310го велика вхідна ємність. Там потрібно ставити з ізольованим затвором мосфет - 998 або 999. Під'єднати або до C31R29 або взагалі до контуру L12C41. Каскад зробити такій же самий як і VT2, а після нього поставити емітерний повторювач та додатковий резистор щоб отримати 50ом вихідного імпедансу. Далі вже коаксіалом на панорамуserge_m писав: ↑Нед квітня 12, 2026 11:01 am А давайте краще подумаємо звідки взяти сигнал для подачі на зовнішній SDR свисток щоб водоспад дивитись. Це ж треба ПЧ 45 МГц через якийсь буфер на SMA гніздо вивести?Buffer45MHz.JPGЧернетку буферного каскада намалював. Сигнал взяти з точки C31R29 нормально буде?