Германій? Германій!
-
- Повідомлень: 1213
- З нами з: Пон вересня 12, 2022 1:04 pm
- Has thanked: 86 times
- Been thanked: 644 times
Re: Германій? Германій!
Коли книжки вже почнеш читати? Струм колектору дорівнює струму бази помноженому на бетту. У цій схемі струм колектору буде стовідсотково залежати від бетти.
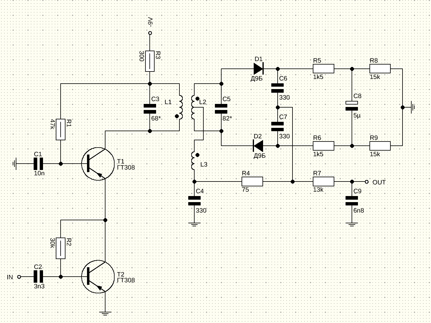
Трохи попрацював з схемами підсилювача з динамічним навантаженням (постив тут нещодавно). Отже ліворуч схема з журналу. Як бачимо досить низький вхідний опір. У журналі було написано що повинно бути десь 500ом а по факту вийшло 120-130ом. Ввів НЗЗ (опір 68ом в емітері). Трохи зменшилося підсилення, але збільшився вхідний опір та зменшився вихідний.
Завдяки низькому вхідному та вихідному опору схема дозволяє каскадування без суттєвої загрози збудження
Підсилення GainXX вказано без навантаження, тобто на холостому ходу. Під навантаженням яке дорівнює вихідному опору воно буде на 6дб менше. 1N4148 формує напругу зміщення та його можна замінити на будь що інше
Трохи попрацював з схемами підсилювача з динамічним навантаженням (постив тут нещодавно). Отже ліворуч схема з журналу. Як бачимо досить низький вхідний опір. У журналі було написано що повинно бути десь 500ом а по факту вийшло 120-130ом. Ввів НЗЗ (опір 68ом в емітері). Трохи зменшилося підсилення, але збільшився вхідний опір та зменшився вихідний.
Завдяки низькому вхідному та вихідному опору схема дозволяє каскадування без суттєвої загрози збудження
Підсилення GainXX вказано без навантаження, тобто на холостому ходу. Під навантаженням яке дорівнює вихідному опору воно буде на 6дб менше. 1N4148 формує напругу зміщення та його можна замінити на будь що інше

-
- Повідомлень: 1213
- З нами з: Пон вересня 12, 2022 1:04 pm
- Has thanked: 86 times
- Been thanked: 644 times
Re: Германій? Германій!
Зробив плату фроненду. Що казати - фреза - це дуже круто. Отвори там де треба та будь-якої форми. Суміщення сторін майже ідеальне
Наводимо марафет - окунаємо на 10 хвилин у рідке олово
-
- Повідомлень: 1213
- З нами з: Пон вересня 12, 2022 1:04 pm
- Has thanked: 86 times
- Been thanked: 644 times
Re: Германій? Германій!
Було трохи часу - змакетував каскод та виміряв його параметри.
Трохи повтикав чому у каскаді з динамічним навантаженням вхідний опір на порядок менше та становить десь 200-300ом. Справа у тому що каскад з динамічним навантаженням треба розглядати як СЕ+СК (спільний емітер+спільний колектор). При чому перша ступень СЕ працює на дуже високий опір. Друга ступінь з СК сигнал по напрузі не підсилює, тому усі ці 40-50дб "вижимаються" з одного транзистору у першої ступені. Як результат це впливає на його вхідний опір і суттєво знижує його
Вхідний опір приблизно 2к. Гарно співпадає з розрахунком Rвх= h21*Rе = h21/(Ik*40) якщо h21=50 а Ik=0,66мА.Трохи повтикав чому у каскаді з динамічним навантаженням вхідний опір на порядок менше та становить десь 200-300ом. Справа у тому що каскад з динамічним навантаженням треба розглядати як СЕ+СК (спільний емітер+спільний колектор). При чому перша ступень СЕ працює на дуже високий опір. Друга ступінь з СК сигнал по напрузі не підсилює, тому усі ці 40-50дб "вижимаються" з одного транзистору у першої ступені. Як результат це впливає на його вхідний опір і суттєво знижує його
-
- Повідомлень: 1213
- З нами з: Пон вересня 12, 2022 1:04 pm
- Has thanked: 86 times
- Been thanked: 644 times
Re: Германій? Германій!
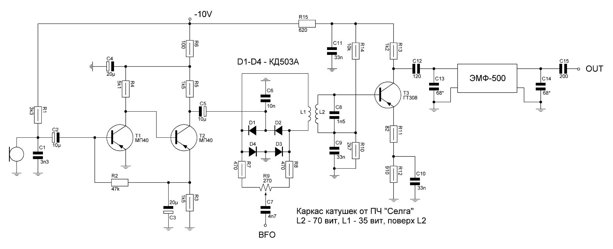
Гарна схема але ... для динамічного мікрофона. Для електретного вона буде давати дуже багато підсилення як на мій погляд.
R1 потрібен десь 10-20ком. 3к3 це мало. Накидай на макетці ПНЧ - усе сам побачиш. Тільки не переплутай полярність електретного капсуля бо тоді йому кирдик
На капсулі повинна бути напруга десь 0,8-1,5в. Струм менше 1мА
PS АРП було б чудово мати в мікрофонному підсилювачі
PPS Усім хто цікавиться платою - трохи пізніше дам посилання на гербери. Треба по схемі трохи номінали порахувати
R1 потрібен десь 10-20ком. 3к3 це мало. Накидай на макетці ПНЧ - усе сам побачиш. Тільки не переплутай полярність електретного капсуля бо тоді йому кирдик

PS АРП було б чудово мати в мікрофонному підсилювачі
PPS Усім хто цікавиться платою - трохи пізніше дам посилання на гербери. Треба по схемі трохи номінали порахувати
-
- Повідомлень: 587
- З нами з: П'ят жовтня 14, 2022 1:13 pm
- Звідки: KO40ig
- Позивний: UR5XOU
- Has thanked: 169 times
- Been thanked: 61 time
Re: Германій? Германій!
Сучасних капсюлів немаю, знайшов МКЄ-83, в нього живлення 1.5-4.5в. довелось чіпляти дільник з двох резисторів 10к. На виході з ПНЧ сигнал 8.5Vpp.UR5FFR писав: ↑Вів вересня 24, 2024 6:48 pm Гарна схема але ... для динамічного мікрофона. Для електретного вона буде давати дуже багато підсилення як на мій погляд.
R1 потрібен десь 10-20ком. 3к3 це мало. Накидай на макетці ПНЧ - усе сам побачиш. Тільки не переплутай полярність електретного капсуля бо тоді йому кирдикНа капсулі повинна бути напруга десь 0,8-1,5в. Струм менше 1мА
PS АРП було б чудово мати в мікрофонному підсилювачі
PPS Усім хто цікавиться платою - трохи пізніше дам посилання на гербери. Треба по схемі трохи номінали порахувати
-
- Повідомлень: 1213
- З нами з: Пон вересня 12, 2022 1:04 pm
- Has thanked: 86 times
- Been thanked: 644 times
Re: Германій? Германій!
Якщо на виході 8,5в при живленні 10в то в тебе підсилювач обмежує сигнал.
А тепер спробуй від'єднати капсуль та подати на вхід 1кГц з амплітудою 1мв та порахуй який на справді коефіцієнт підсилення
А тепер спробуй від'єднати капсуль та подати на вхід 1кГц з амплітудою 1мв та порахуй який на справді коефіцієнт підсилення
-
- Повідомлень: 587
- З нами з: П'ят жовтня 14, 2022 1:13 pm
- Звідки: KO40ig
- Позивний: UR5XOU
- Has thanked: 169 times
- Been thanked: 61 time
Re: Германій? Германій!
1мв нема)) є 10мв від двутонального генератора. 700гц, на виході - 1.086Vpp
То виходить, коєфіцієнт підсилення десь 41дб ?