Ламповий TRX без комутації гетеродинів
-
UR5FFR
- Повідомлень: 1248
- З нами з: Пон вересня 12, 2022 4:04 pm
- Has thanked: 92 times
- Been thanked: 662 times
Ламповий TRX без комутації гетеродинів
Щоб не захламлювати топік "Трансивер на надмініатюрних лампах" виділяю в окрему тему деякі схеми, які я там пропонував. Якщо комусь цікаво - обговорення продовжуємо тут
Ідея першої схеми узята з конструкції мікротрансивера "Коник". Друга схема має архітектуру яка знайома по трансиверу "Роса" та іншим. Варіант реверсивного каскаду ППЧ на подвійному тріоді має перевагу у тому, що дозволяє роздільно регулювати коефіцієнт підсилення для RX/TX. Гетеродини намальовані схематично. Замість них можливо використовувати синтезатор. Третя схема - це римейк реверсивних каскадів з TRX Raisin. Крім реверсивного ППЧ в неї також реверсивний ПНЧ, який працює також як мікрофонний підсилювач. Перший каскад ППЧ між першим змішувачем та КФ також можна зробити на подвійному тріоді. На усіх схемах перемикачі у положенні RX. Підсилювач НЧ не намальовано - можна використовувати стандартну схему на 6Ф4П/6Ф5П.
На схемах нема діплексерів після перших змішувачів. Якщо не економимо на сірниках то його треба ставити.
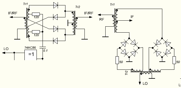
Якщо треба отримати більш динамічного діапазону від діодного змішувача то його можна виконати по одній з наступних схем
Ідея першої схеми узята з конструкції мікротрансивера "Коник". Друга схема має архітектуру яка знайома по трансиверу "Роса" та іншим. Варіант реверсивного каскаду ППЧ на подвійному тріоді має перевагу у тому, що дозволяє роздільно регулювати коефіцієнт підсилення для RX/TX. Гетеродини намальовані схематично. Замість них можливо використовувати синтезатор. Третя схема - це римейк реверсивних каскадів з TRX Raisin. Крім реверсивного ППЧ в неї також реверсивний ПНЧ, який працює також як мікрофонний підсилювач. Перший каскад ППЧ між першим змішувачем та КФ також можна зробити на подвійному тріоді. На усіх схемах перемикачі у положенні RX. Підсилювач НЧ не намальовано - можна використовувати стандартну схему на 6Ф4П/6Ф5П.
На схемах нема діплексерів після перших змішувачів. Якщо не економимо на сірниках то його треба ставити.
Якщо треба отримати більш динамічного діапазону від діодного змішувача то його можна виконати по одній з наступних схем
-
oldPsyho
- Повідомлень: 608
- З нами з: П'ят жовтня 14, 2022 4:13 pm
- Звідки: KO40ig
- Позивний: UR5XOU
- Has thanked: 173 times
- Been thanked: 65 times
Re: Ламповий TRX без комутації гетеродинів
Є питання по другому варіанту:
1. R16 я так розумію, регулює рівень ТХ, R11 це баланс, а R15 ?
2. Перша лампа ППЧ, там обов'язково з високим S ?
3. Мікрофонний підсилювач, використовується у вас мосфет. А є варіант з біполярним транзистором та електретним мікрофоном?
4. Який приблизно рівень VFO/BFO повинен бути (Vpp)?
5. АРП, від і до? Схемку АРП на лампах не покажете?))
Дякую.
1. R16 я так розумію, регулює рівень ТХ, R11 це баланс, а R15 ?
2. Перша лампа ППЧ, там обов'язково з високим S ?
3. Мікрофонний підсилювач, використовується у вас мосфет. А є варіант з біполярним транзистором та електретним мікрофоном?
4. Який приблизно рівень VFO/BFO повинен бути (Vpp)?
5. АРП, від і до? Схемку АРП на лампах не покажете?))
Дякую.
-
UR5FFR
- Повідомлень: 1248
- З нами з: Пон вересня 12, 2022 4:04 pm
- Has thanked: 92 times
- Been thanked: 662 times
Re: Ламповий TRX без комутації гетеродинів
1. R15 виставляє робочу точку - без сигналу гетеродина лампа повинна бути закрита, але не так шоб зовсім. Тобто трішки зліва від початку характеристики.oldPsyho писав: ↑П'ят червня 16, 2023 7:49 pm 1. R16 я так розумію, регулює рівень ТХ, R11 це баланс, а R15 ?
2. Перша лампа ППЧ, там обов'язково з високим S ?
3. Мікрофонний підсилювач, використовується у вас мосфет. А є варіант з біполярним транзистором та електретним мікрофоном?
4. Який приблизно рівень VFO/BFO повинен бути (Vpp)?
5. АРП, від і до? Схемку АРП на лампах не покажете?))
2. Шумовий опір тріода дорівнює 2,5/S. Тому тут треба щось з крутезною 10-20мА/В. Та й узгоджувати простіше бо вхідний/вихідний опір по входу буде 1/S.
3. Мікрофон там електретний - не намалював живлення. Замість мосфета можна поставити біполярний npn та в базу йому десь 10-20кОм послідовно щоб обмежити базовий струм
4. BFO десь 3-4Vpeak, VFO треба підбирати
5. АРП папізже
-
oldPsyho
- Повідомлень: 608
- З нами з: П'ят жовтня 14, 2022 4:13 pm
- Звідки: KO40ig
- Позивний: UR5XOU
- Has thanked: 173 times
- Been thanked: 65 times
Re: Ламповий TRX без комутації гетеродинів
Хм... U7 це тріод?)) Там же написано - 6Ж52П))UR5FFR писав: ↑П'ят червня 16, 2023 8:08 pm1. R15 виставляє робочу точку - без сигналу гетеродина лампа повинна бути закрита, але не так шоб зовсім. Тобто трішки зліва від початку характеристики.oldPsyho писав: ↑П'ят червня 16, 2023 7:49 pm 1. R16 я так розумію, регулює рівень ТХ, R11 це баланс, а R15 ?
2. Перша лампа ППЧ, там обов'язково з високим S ?
3. Мікрофонний підсилювач, використовується у вас мосфет. А є варіант з біполярним транзистором та електретним мікрофоном?
4. Який приблизно рівень VFO/BFO повинен бути (Vpp)?
5. АРП, від і до? Схемку АРП на лампах не покажете?))
2. Шумовий опір тріода дорівнює 2,5/S. Тому тут треба щось з крутезною 10-20мА/В. Та й узгоджувати простіше бо вхідний/вихідний опір по входу буде 1/S.
3. Мікрофон там електретний - не намалював живлення. Замість мосфета можна поставити біполярний npn та в базу йому десь 10-20кОм послідовно щоб обмежити базовий струм
4. BFO десь 3-4Vpeak, VFO треба підбирати
5. АРП папізже
-
UR5FFR
- Повідомлень: 1248
- З нами з: Пон вересня 12, 2022 4:04 pm
- Has thanked: 92 times
- Been thanked: 662 times
Re: Ламповий TRX без комутації гетеродинів
Для пентоду формула дещо складніша, але залежність та ж сама - чим більша крутезна тим менше шумовий опір
-
UR5VCP
- Повідомлень: 447
- З нами з: Пон вересня 12, 2022 6:14 pm
- Звідки: KN48wi
- Позивний: UR5VCP
- Has thanked: 83 times
- Been thanked: 8 times
- Контактна інформація:
Re: Ламповий TRX без комутації гетеродинів
А який опір фільтра? то кварцевий? я про транс L2, він там потрібен?
-
oldPsyho
- Повідомлень: 608
- З нами з: П'ят жовтня 14, 2022 4:13 pm
- Звідки: KO40ig
- Позивний: UR5XOU
- Has thanked: 173 times
- Been thanked: 65 times
-
UR5VCP
- Повідомлень: 447
- З нами з: Пон вересня 12, 2022 6:14 pm
- Звідки: KN48wi
- Позивний: UR5VCP
- Has thanked: 83 times
- Been thanked: 8 times
- Контактна інформація:
Re: Ламповий TRX без комутації гетеродинів
В лампочки в катоді 1К не забагато? Вона ж заперта буде в упор. Ну тоді транс якщо по витках 1на2 то по опору 1на4, тоді дасть 1000/4=250 ом.
Зараз Андрій підкаже точно. Але я не впевнений що там 1К буде. Я розумію, це ніби то базове значення, і від нього можна танцювати... але не настільки ж... Чи можна?
Зараз Андрій підкаже точно. Але я не впевнений що там 1К буде. Я розумію, це ніби то базове значення, і від нього можна танцювати... але не настільки ж... Чи можна?
-
oldPsyho
- Повідомлень: 608
- З нами з: П'ят жовтня 14, 2022 4:13 pm
- Звідки: KO40ig
- Позивний: UR5XOU
- Has thanked: 173 times
- Been thanked: 65 times
Re: Ламповий TRX без комутації гетеродинів
Я ще не проставляв потрібні номінали. Просто накидав схему з тих кусків, які ви показали))UR5VCP писав: ↑П'ят червня 16, 2023 9:41 pm В лампочки в катоді 1К не забагато? Вона ж заперта буде в упор. Ну тоді транс якщо по витках 1на2 то по опору 1на4, тоді дасть 1000/4=250 ом.
Зараз Андрій підкаже точно. Але я не впевнений що там 1К буде. Screenshot_52.jpg
Я розумію, це ніби то базове значення, і від нього можна танцювати... але не настільки ж... Чи можна?
Це все прийдеться покаскадно робити та вганяти лампи в режим.
Непогано булоб наною це все б настроїти, але я навіть поняття не маю, як це правильно зробити.