Satcom? САТКОМ!

UR5VCP
Повідомлень: 447
З нами з: Пон вересня 12, 2022 6:14 pm
Звідки: KN48wi
Позивний: UR5VCP
Has thanked: 83 times
Been thanked: 9 times
Контактна інформація:

Satcom? САТКОМ!

Повідомлення UR5VCP »

Вітаю!
Кому цікава тема про сатком, буду розповідати, і в онлайн збирати девайс для роботи в саткомі.
Що нам потрібно? Для початку Антена. Антену мені "підігнав" мій хороший товариш, конструкцію взято тут:


Антена встановлена на балконі, дивиться на південь і чууть на схід (градусів так 10), та має поляризацію близько 30 град відносно вертикалі. Кут над горизонтом близько 45 град, можна орієнтуватися по будь-яких геостаціонарних сателітах, в принципі воно то саме )) Однозначно потім буде потрібно підстроїти по прийому )
Приймаю на сдр флешку, за кілька баксів, чути досить гарно, особо свинорилих ))) 
Кому цікаво - починайте робити антену. 
зображення_viber_2022-09-08_09-55-16-604.jpg
зображення_viber_2022-09-08_09-55-16-604.jpg (318.97 Кіб) Переглянуто 124982 разів
 (на фото повернута на південно-західний "бразильський" сателіт, там сигнал для тестування дуже сильний, але нема кацапів, нема з кого поржати)
 
Наступний крок, або кроки, такі:
Або робити трансвертер (маючи баофенг або аналог) для станції яка не зможе повноцінно працювати на частотах 255-300 МГц, лише на 145.
Або маючи ЗастонМ7 (або аналог), перенастроїти його, і використовувати без всяких трансвертерів.

В мене є обидва варіанти, і я сподіваюсь, буде цікаво  ;)
 
//коменти приймаю з вдячністю! сам на цему "діапазоні" новачок// )) Хто має досвід? Підказуйте!
UR5VCP
Повідомлень: 447
З нами з: Пон вересня 12, 2022 6:14 pm
Звідки: KN48wi
Позивний: UR5VCP
Has thanked: 83 times
Been thanked: 9 times
Контактна інформація:

Re: Satcom? САТКОМ!

Повідомлення UR5VCP »

Мав спочатку скинути схему, потім опис, але дочекався опорного генератора на 100МГц (не було під руками) і запустив. Ділюся відосіком ))
Не бийте ногами за "суперові" шнурки та конектори, що було - те використав (хоча сині шнурки до 10ГГц),  :)
 


Схему докину, хоча... два транзистори, перший ПВЧ, другий міксер ))) Схема треба?
UR5FFR
Повідомлень: 1452
З нами з: Пон вересня 12, 2022 4:04 pm
Has thanked: 132 times
Been thanked: 848 times

Re: Satcom? САТКОМ!

Повідомлення UR5FFR »

Схему давай в студию :) Может какой улучшайзинг придумаем :)
UR5VCP
Повідомлень: 447
З нами з: Пон вересня 12, 2022 6:14 pm
Звідки: KN48wi
Позивний: UR5VCP
Has thanked: 83 times
Been thanked: 9 times
Контактна інформація:

Re: Satcom? САТКОМ!

Повідомлення UR5VCP »

Продовжимо. Схем вхідних конвертерів в мережі просто навалом. Будемо робити саму просту та бюджетну.
Оскільки сигнал досить сильний, я приймаю на сдр при шумах -60 сигнал -30, тобто 30Дб різниці, то використовувати совдеповський 3Пххх транзистор на вході не буду. Беремо BF998.
Діапазон частот у нас 250-300 МГц. Антена буде завжди підключена до П контура (тому що вихідний каскад передавача і реле буде), тобто деяка фільтрація вже буде, ну і для входу резонансний контур. Вмикати частково антену в контур, а "гарячий" кінець на 1й затвор 998го. Другий затвор підпираємо живленням. Навантаження каскаду також частково в контур, а гарячий кінець на 1й затвор міксера, на 2й дамо 100МГц з опорного генератора, таким чином перенесем 255 на 155МГц. Навантаження міксера - резонансний контур на 155 МГц.
Опорний генератор 100МГц живиться від 5В, обидва транзистори також від 5В. Амплітуди має вистачити для 2го затвору міксера.
sat2.jpg
sat2.jpg (111.47 Кіб) Переглянуто 124937 разів
 

Вхідного ФНЧ (вихідного тобто) пока нема.
Перший контур L1 - 3 витка 1мм на сверло 6мм
другий L2 точно так, відвод від серединки що там що там.
Вихідний Д3 - 5 витків 1мм на оправку 5мм, відвод від 2го витка ближче до "гарячого" краю.
Фільтр  L4 100МГц - 8витків 0,6мм на 3мм сверло

КОМЕНТАРІ?
 
 
 
 
UR5FFR
Повідомлень: 1452
З нами з: Пон вересня 12, 2022 4:04 pm
Has thanked: 132 times
Been thanked: 848 times

Re: Satcom? САТКОМ!

Повідомлення UR5FFR »

Є питання :)
1. Чого живлення 5в? Наскільки пам'ятаю BF998 призначені для 9в.
2. ФНЧ на L4 працювати не буде. Бо вихідний опір XO хтозна який. І навантаження у нього 47ком :) Я би його того ... викинув
3. Шо за 22+110 ом у стоці ПВЧ? Заводиться?
4. У  змішувачі опір у витоку зайвий на мій погляд. В ПВЧ теж :)
UR5VCP
Повідомлень: 447
З нами з: Пон вересня 12, 2022 6:14 pm
Звідки: KN48wi
Позивний: UR5VCP
Has thanked: 83 times
Been thanked: 9 times
Контактна інформація:

Re: Satcom? САТКОМ!

Повідомлення UR5VCP »

UR5FFR писав: Суб вересня 17, 2022 10:01 pm 1. Чого живлення 5в? Наскільки пам'ятаю BF998 призначені для 9в.


 
 Тому що генератор на 5В. А транзистор міксера нам потрібно качати з доброю амплітудою, ну от тому і дав напругу живлення рівною до напруги опори.
UR5FFR писав: Суб вересня 17, 2022 10:01 pm 2. ФНЧ на L4 працювати не буде. Бо вихідний опір XO хтозна який. І навантаження у нього 47ком Я би його того ... викинув


 
 Це чесно стирено з інтернету, автор стверджує, що таким чином гасить гармоніки, очищуючи спектр опорного сигналу, хз, наскільки воно ефективне, але це ж експеримент, зробити не важко.
UR5FFR писав: Суб вересня 17, 2022 10:01 pm 3. Шо за 22+110 ом у стоці ПВЧ? Заводиться?


 
 Так, без них заводиться. 
UR5FFR писав: Суб вересня 17, 2022 10:01 pm 4. У  змішувачі опір у витоку зайвий на мій погляд. В ПВЧ теж


 
 Ну відштовхувався від класичних схем, зашкодити не зашкодить, а для міксера навіть допоможе, буде надійніше запиратися ) Чи ні?
 
UR5FFR
Повідомлень: 1452
З нами з: Пон вересня 12, 2022 4:04 pm
Has thanked: 132 times
Been thanked: 848 times

Re: Satcom? САТКОМ!

Повідомлення UR5FFR »

Я ж казав тобі - ознайомся з типовими схемами трансвертерів. Ось наприклад 28-144 мабуть авторства LMZ
transverter 28-144.gif
transverter 28-144.gif (96.07 Кіб) Переглянуто 124896 разів
Дивись - витік BF998 заземлений. Ось ще
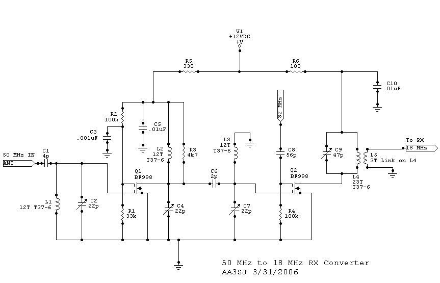
50-18MHz Xverter - 1.jpg
50-18MHz Xverter - 1.jpg (46.82 Кіб) Переглянуто 124896 разів
Остання схема звідси https://www.qsl.net/aa3sj/Pages/50MHz-Xverter.html Там автор посилається на EI9GQ - його сторінка недоступна але вона є у web.archive - http://web.archive.org/web/200706290618 ... 0conv.html
ei9gq 50-18mhz.GIF
ei9gq 50-18mhz.GIF (6.14 Кіб) Переглянуто 124896 разів
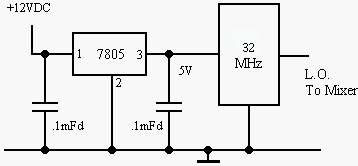
В якості гетеродину він використовує звичайний 4х лапковий TTL-генератор
The 32 MHz local oscillator is a standard 5v 32 MHz clock oscillator (oscillator in a tin can.) If only all schematics were as easy to draw as this one :-)
ei9gq 40osc.GIF
ei9gq 40osc.GIF (1.84 Кіб) Переглянуто 124896 разів
 
ei9gq osc pins.png
ei9gq osc pins.png (4.16 Кіб) Переглянуто 124896 разів
 Тому на мій погляд опір у витоку зайвий
 
 
UR5VCP
Повідомлень: 447
З нами з: Пон вересня 12, 2022 6:14 pm
Звідки: KN48wi
Позивний: UR5VCP
Has thanked: 83 times
Been thanked: 9 times
Контактна інформація:

Re: Satcom? САТКОМ!

Повідомлення UR5VCP »

Кину перемичку, нема питань )
Аби не засвистіло... 

Чекаю РД01 та РД15, будем піднімати вихідний каскад з перемноженням на 2.
UR5VCP
Повідомлень: 447
З нами з: Пон вересня 12, 2022 6:14 pm
Звідки: KN48wi
Позивний: UR5VCP
Has thanked: 83 times
Been thanked: 9 times
Контактна інформація:

Re: Satcom? САТКОМ!

Повідомлення UR5VCP »

Поставив перемички, в змішувачі різницю не помітив, а в першому каскаді трошки виросло підсилення, але й шумок. Ну, скажем так, якщо з резисторами моя сдр показувала абсолютно однакові рівні що через конвертер, що напряму антеною, то зараз стало десь +5 дБ по шумам, і близько +10 дБ по корисному сигналу. Ну суб*єктивно - не особо різницю помітно. Але треба уважно і акуратно настроювати контура, інакше буде самозакоханість першого каскаду  :D
 

В принципі - на цему все що я хотів з цего прототипу - я все отримав. Більше з такої конструкції не вижмеш )
Баблофенг прекрасно приймає, без зайвих шумів. Ждем рдшки, і підем творити ТХ (чи почати з наших кт, для тренування)...
UR5VCP
Повідомлень: 447
З нами з: Пон вересня 12, 2022 6:14 pm
Звідки: KN48wi
Позивний: UR5VCP
Has thanked: 83 times
Been thanked: 9 times
Контактна інформація:

Re: Satcom? САТКОМ!

Повідомлення UR5VCP »

Доречі... Колись мені попав в руки ось такий агрегат: 
alan_albrecht_pmr446.rar
(294.21 Кіб) Завантажено 2266 разів
(схема в архіві)
 Коротко - це трансивер з двома перетвореннями частоти (не баблофенг!) на пмр 466МГц, виход - 0,5Ватт. Він мені як би і не треба, але, а чому його не використати як гарний ПЧ тракт? Перед ним ардуїно з сішкою, і змішувач 466-VFO_RX на приймання і 466-VFO_TX на передачу?
Трансивер буде працювати собі на одному каналі, а ардуїнка буде керувати частотами (у нас же канали на різні частоти рознесені) та всім іншим. І міксери можна самі прості, на тих же 998, тому що по входу у цієї малявки аж не поганф фільтра стоять  ;)
І для вихідного міксера там можна що завгодно ставити, хоча 0,5Вт то забагато )) але резистори ніхто не відміняв. 

Андрію, тобі мікрофон )) Глянь схему, в архіві.
 
 
Відповісти