Каталог схем трансиверів.

UR5VCP
Повідомлень: 447
З нами з: Пон вересня 12, 2022 6:14 pm
Звідки: KN48wi
Позивний: UR5VCP
Has thanked: 83 times
Been thanked: 8 times
Контактна інформація:

Каталог схем трансиверів.

Повідомлення UR5VCP »

Друзі, буду помаленько викладати схеми трансиверів. Різні, всякі. Принцип пропоную простий:
- ніякого обговорення тут! Обговорювати тільки в інших або нових топіках!
- одне повідомлення - одна схема (ну вже якщо так картинок багато - то відповідно і заголовок повідомлення ч1 ч2 ч3)
- приєднуйтесь!
 
UR5VFT
Повідомлень: 470
З нами з: Вів січня 17, 2023 6:22 pm
Позивний: UR5VFT
Has thanked: 451 time
Been thanked: 96 times

Re: Вузли лампових схем

Повідомлення UR5VFT »

- 2й варіант РУБИНА та пч ДІ
 
UR5VFT
Повідомлень: 470
З нами з: Вів січня 17, 2023 6:22 pm
Позивний: UR5VFT
Has thanked: 451 time
Been thanked: 96 times

Re: Каталог схем трансиверів.

Повідомлення UR5VFT »

 - варіант ДИ
 
UR5VFT
Повідомлень: 470
З нами з: Вів січня 17, 2023 6:22 pm
Позивний: UR5VFT
Has thanked: 451 time
Been thanked: 96 times

Re: Каталог схем трансиверів.

Повідомлення UR5VFT »

- ідея. майже Радіо 76.якщо в змішувачах застосувати 6к13п можна застосувати АРУ..73! 
 
 
 
UR5FFR
Повідомлень: 1248
З нами з: Пон вересня 12, 2022 4:04 pm
Has thanked: 92 times
Been thanked: 662 times

Re: Каталог схем трансиверів.

Повідомлення UR5FFR »

UR5VFT писав: П'ят вересня 01, 2023 10:26 pm - ідея. майже Радіо 76.якщо в змішувачах застосувати 6к13п можна застосувати АРУ..73! 



 
Схема не зовсім гарна бо велике питання - придушення несучої під час передачі. Воно начебто глибину негативного зворотного зв'язку міняє сигналом гетеродину, але буде пролаз через ємність колектор-база в катод і далі на КФ. Треба балансний модулятор робити на передачу
 
 
 
UR5VFT
Повідомлень: 470
З нами з: Вів січня 17, 2023 6:22 pm
Позивний: UR5VFT
Has thanked: 451 time
Been thanked: 96 times

Re: Каталог схем трансиверів.

Повідомлення UR5VFT »

- так і  е. у мене було на ур1. у друга ур3
UR5VFT
Повідомлень: 470
З нами з: Вів січня 17, 2023 6:22 pm
Позивний: UR5VFT
Has thanked: 451 time
Been thanked: 96 times

Re: Каталог схем трансиверів.

Повідомлення UR5VFT »

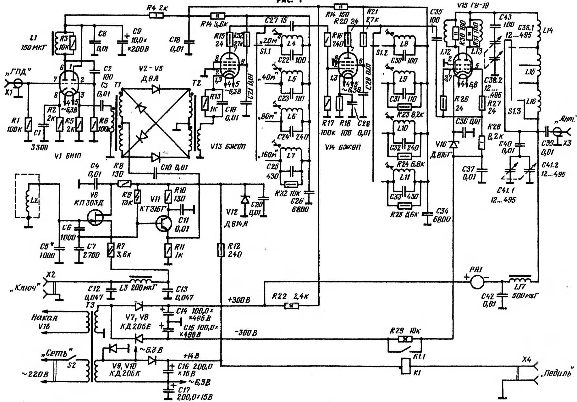
ДОНБАСС 2
 
 
UR5VFT
Повідомлень: 470
З нами з: Вів січня 17, 2023 6:22 pm
Позивний: UR5VFT
Has thanked: 451 time
Been thanked: 96 times

Re: Каталог схем трансиверів.

Повідомлення UR5VFT »

- приймач Лапівка. цікаве рішення включення 6ж9п в увч..73!
 
Пенсіонер
Повідомлень: 186
З нами з: Пон липня 10, 2023 9:39 pm
Has thanked: 9 times
Been thanked: 90 times

Re: Каталог схем трансиверів.

Повідомлення Пенсіонер »

За ідеями US5MSQ.png
 
TX for RX (1981) .png
QRP 80m.jpg
 Ще до купи.
 
 
 
 
 
UR5VFT
Повідомлень: 470
З нами з: Вів січня 17, 2023 6:22 pm
Позивний: UR5VFT
Has thanked: 451 time
Been thanked: 96 times

Re: Каталог схем трансиверів.

Повідомлення UR5VFT »

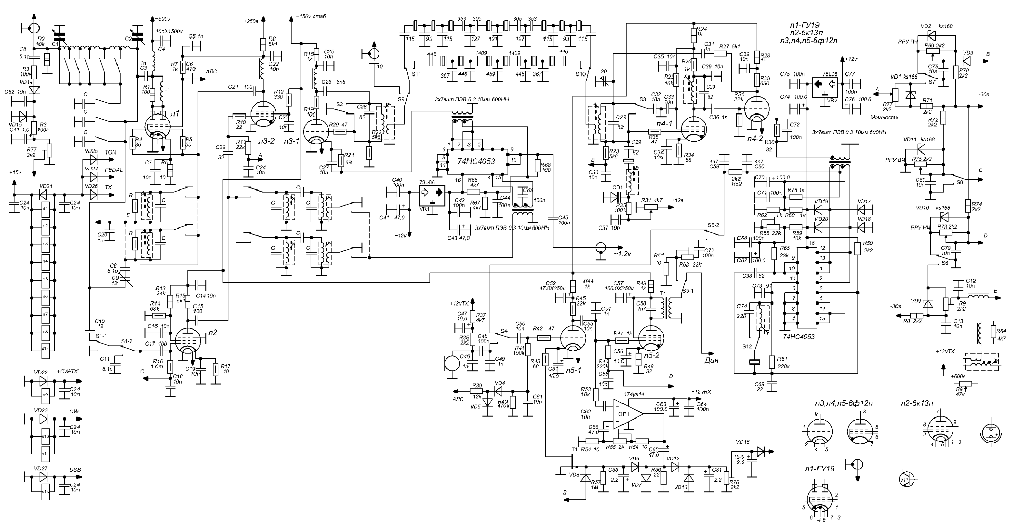
трансівер ДОНБАС 2 з описом.
UR5VFT
Повідомлень: 470
З нами з: Вів січня 17, 2023 6:22 pm
Позивний: UR5VFT
Has thanked: 451 time
Been thanked: 96 times

Re: Каталог схем трансиверів.

Повідомлення UR5VFT »

- трансівер Ангор. німецький варіант.
 
Відповісти