ГПД, їх схеми та лайвхаки.

UR5VFT
Повідомлень: 550
З нами з: Вів січня 17, 2023 6:22 pm
Позивний: UR5VFT
Has thanked: 538 times
Been thanked: 111 times

Re: ГПД, їх схеми та лайвхаки.

Повідомлення UR5VFT »

oldPsyho писав: Сер липня 31, 2024 7:57 pm Підкину ще крапаль схем, потестую деякі...
 


 
якщо вам зручно. почніть із цієї схеми. пам'ятаю варіант на лампі із восж. котушкою працював стабільно. 73!
- http://www.seekic.com/uploadfile/ic-cir ... 043787.gif
 
oldPsyho
Повідомлень: 634
З нами з: П'ят жовтня 14, 2022 4:13 pm
Звідки: KO40ig
Позивний: UR5XOU
Has thanked: 184 times
Been thanked: 70 times

Re: ГПД, їх схеми та лайвхаки.

Повідомлення oldPsyho »

тепер треба ще десь катушечок прикупити... бо в мене як виявилось, таких як треба зовсім нема
UR5FFR
Повідомлень: 1402
З нами з: Пон вересня 12, 2022 4:04 pm
Has thanked: 125 times
Been thanked: 799 times

Re: ГПД, їх схеми та лайвхаки.

Повідомлення UR5FFR »

Ось такий робив. Досить малий вибіг та гарна стабільність частоти
vfo2.gif
vfo2.gif (3.75 Кіб) Переглянуто 52125 разів
С2 - 0,1uF, R1 100-680ом - підбираємо щоб не було спотворень на піках синусоїди. Котушка в стоці та ємність С3 задають частоту генерації. Котушка зв'язку повинна мати десь в тричі менше витків ніж контурна. Фазування котушок критичне. Сигнал знімати з С3 через невелику ємність і буфер на ПТ. Більш інфо по цій схемі за посиланням
 
UR5VFT
Повідомлень: 550
З нами з: Вів січня 17, 2023 6:22 pm
Позивний: UR5VFT
Has thanked: 538 times
Been thanked: 111 times

Re: ГПД, їх схеми та лайвхаки.

Повідомлення UR5VFT »

oldPsyho писав: Сер липня 31, 2024 10:14 pm тепер треба ще десь катушечок прикупити... бо в мене як виявилось, таких як треба зовсім нема



 
зателефонував другу у ньогокотушка намотана на кільці амідон у телегр трансі  в Дроздова  
 
 
Вкладення
lg300_stability.rar
(19.53 Кіб) Завантажено 1075 разів
UR5VFT
Повідомлень: 550
З нами з: Вів січня 17, 2023 6:22 pm
Позивний: UR5VFT
Has thanked: 538 times
Been thanked: 111 times

Re: ГПД, їх схеми та лайвхаки.

Повідомлення UR5VFT »

http://www.hanssummers.com/tubevfo

http://www.pan-tex.net/usr/r/receivers/elrstbzr.htm
такий стаб  був у тр Ларго  73!
 
 
 
Вкладення
vfo22_image005big.gif
UT8AS
Повідомлень: 114
З нами з: Сер вересня 14, 2022 8:37 am
Позивний: UT8AS
Has thanked: 60 times
Been thanked: 45 times

Re: ГПД, їх схеми та лайвхаки.

Повідомлення UT8AS »

oldPsyho писав: Чет липня 25, 2024 8:43 pm ... бо тоді вже вигідніше ставити синтез...

 
...я теж такої думки, і набагато простіше...хіба що, все вище викладене, для надбання гарного досвіду...
 
UR5VFT
Повідомлень: 550
З нами з: Вів січня 17, 2023 6:22 pm
Позивний: UR5VFT
Has thanked: 538 times
Been thanked: 111 times

Re: ГПД, їх схеми та лайвхаки.

Повідомлення UR5VFT »

UT8AS писав: Суб серпня 03, 2024 3:48 pm
oldPsyho писав: Чет липня 25, 2024 8:43 pm ... бо тоді вже вигідніше ставити синтез...



 
...я теж такої думки, і набагато простіше...хіба що, все вище викладене, для надбання гарного досвіду...
 


 
добрий синтезатор простим бути не може. тим більше на чіпах.
 
UT8AS
Повідомлень: 114
З нами з: Сер вересня 14, 2022 8:37 am
Позивний: UT8AS
Has thanked: 60 times
Been thanked: 45 times

Re: ГПД, їх схеми та лайвхаки.

Повідомлення UT8AS »

UR5VFT писав: Суб серпня 03, 2024 6:07 pm
 
...добрий синтезатор простим бути не може...
 

 
...щось ви наганяєте смуток на починаючих радіаматорів... у Андрія UR3ILF настільки все розжовано і докладно викладено на цю тему, що дехто з моїх учнів самі виготовили його деякі конструкції синтезів, лише програму записували разом...тому, думаю, тут треба щось ближче до першого посту в цій темі...
oldPsyho
Повідомлень: 634
З нами з: П'ят жовтня 14, 2022 4:13 pm
Звідки: KO40ig
Позивний: UR5XOU
Has thanked: 184 times
Been thanked: 70 times

Re: ГПД, їх схеми та лайвхаки.

Повідомлення oldPsyho »

UT8AS писав: Суб серпня 03, 2024 6:58 pm
UR5VFT писав: Суб серпня 03, 2024 6:07 pm
 
...добрий синтезатор простим бути не може...
 


 
...щось ви наганяєте смуток на починаючих радіаматорів... у Андрія UR3ILF настільки все розжовано і докладно викладено на цю тему, що дехто з моїх учнів самі виготовили його деякі конструкції синтезів, лише програму записували разом...тому, думаю, тут треба щось ближче до першого посту в цій темі...

 
Аби ще до тих синтезів були сорци..
UR5VFT
Повідомлень: 550
З нами з: Вів січня 17, 2023 6:22 pm
Позивний: UR5VFT
Has thanked: 538 times
Been thanked: 111 times

Re: ГПД, їх схеми та лайвхаки.

Повідомлення UR5VFT »

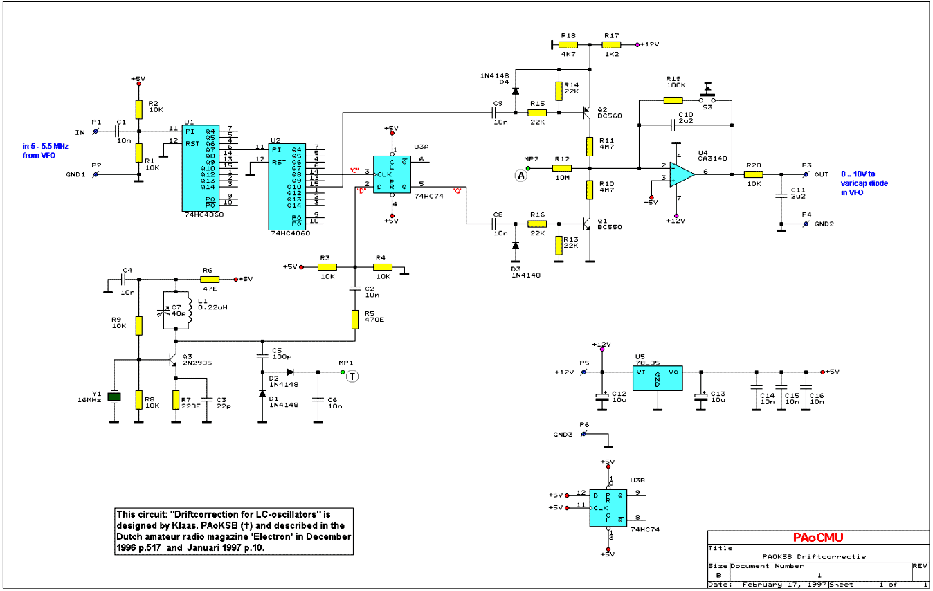
простий та стабільний..
 
Вкладення
post-85004-007354400 1286816052.jpg
Відповісти