МШУ (LNA) для рамочной антенны

technotrasher
Повідомлень: 14
З нами з: Пон листопада 25, 2024 6:09 pm
Позивний: UT3UAJ
Has thanked: 5 times

МШУ (LNA) для рамочной антенны

Повідомлення technotrasher »

Доброго дня! года два назад мне понадобился усилитель для рамочной, а иногда и для петлевой антенны.
Обратившись к Гуглу :) я обнаружил просто огромное количество схем. и очень обрадовался. а зря. ну еще изучался рынок готовых с али, но я решил все же сделать самостоятельно. так как мне нужно. и похоже зря.
ТЗ. -
1. фильтр от помех.
2. диф. вход.
3. регулировка усиления.
4. питание 5В
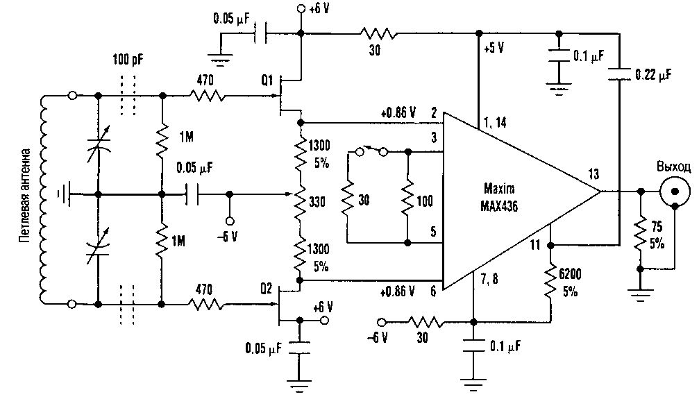
всего то навсего. а вот и отличная мне подходящая схема -
enc1-3.png
все что мне нужно. но беда - оказывается данного ОУ купить невозможно. ну если вы не умеете путешествовать во времени.
да и с транзисторами там указанными беда. далее еще несколько похожих схем на ОУ от MAX. нету таких. и все.
Далее пошли различные версии МШУ. но опять элементная база. то нет, что то то из разряда - ты собери и нам расскажешь. либо очень сложные конструкции.
И я купил готовый мшу. но что то он мне не понравился. вот его вероятная схема.
Schematic_LNA.png
Он был полностью раскритикован и я пошел дальше.
И вот наконец я опять нашел то что нужно. http://dl2kq.de/ant/3-96.htm
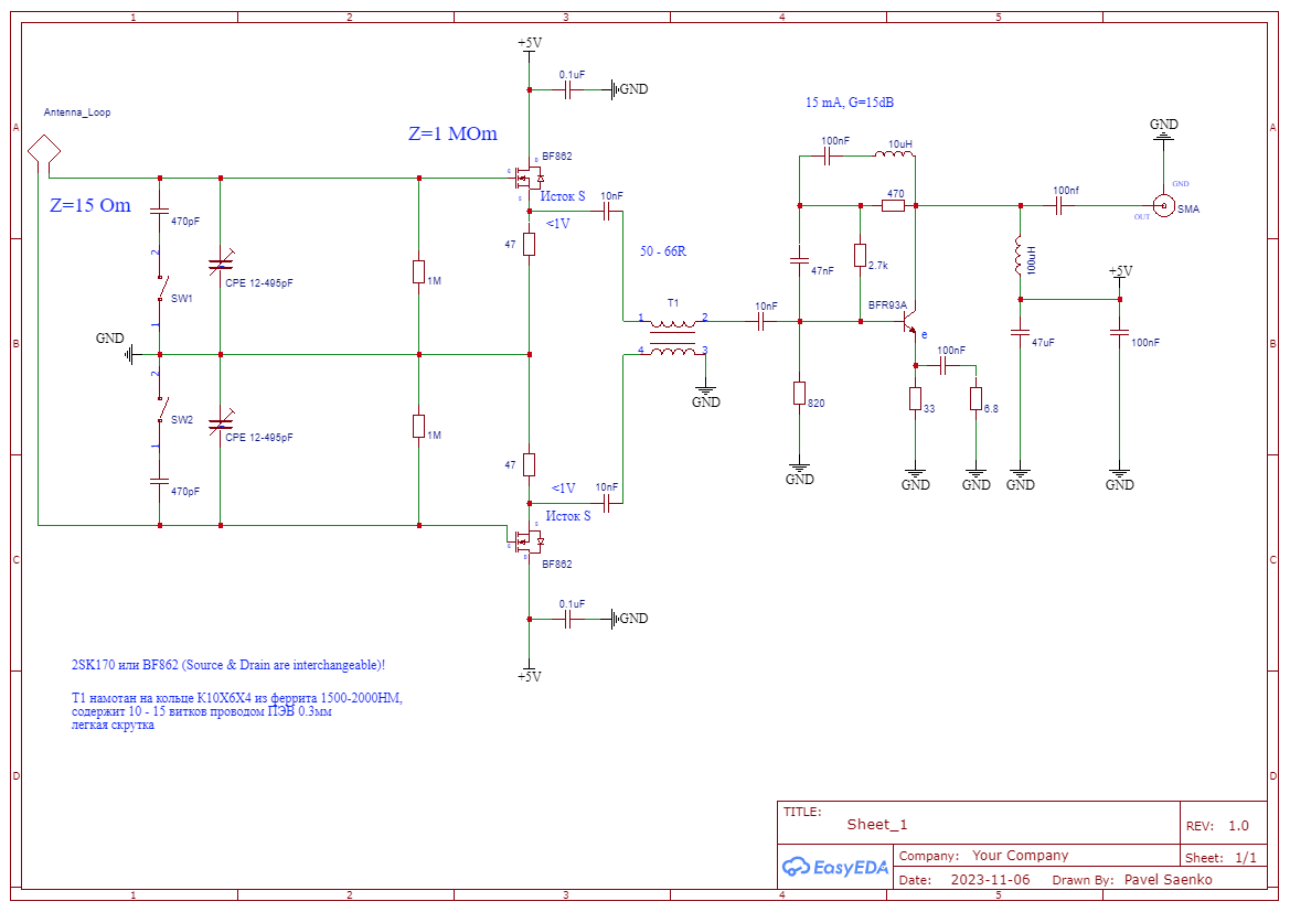
чуть чуть доработаю. добавлю истоковый повторитель. результат вот:
LNA_AD8129.png
И таки половина его заработала. именно повторитель. ОУ работать не хочет. так как опять купить его просто негде. везде китайская паль. транзисторы, кстати тоже. (сейчас ожидаю из какого то ооочень дорогого магазина, где просто клянутся что у них оригинал.) проверим.
Но я уже не сильно расчитываю на результат. посему - может есть у кого проверенная схема удовлетворяющая мое ТЗ, или хотя бы часть его. напряжение на 12 вольт очень тяжко получить в карманном варианте. но с правильно павербанка все же я научился его получать.
 
 
 
UR5FFR
Повідомлень: 1452
З нами з: Пон вересня 12, 2022 4:04 pm
Has thanked: 132 times
Been thanked: 848 times

Re: МШУ (LNA) для рамочной антенны

Повідомлення UR5FFR »

technotrasher писав: Пон листопада 25, 2024 6:39 pm И вот наконец я опять нашел то что нужно. http://dl2kq.de/ant/3-96.htm
чуть чуть доработаю. добавлю истоковый повторитель. результат вот
 
 Результат не дуже. Вхідний опір істокового повторювача дуже великий. Але там є вхідна ємність 10пф (дивимося даташит). Її треба враховувати. Ви поставили між контуром антени та входом повторювача ФВЧ. Але він не буде працювати. Деталі на скріншоті
Screenshot_2024_11_25-1.png
Далі. У істоку ПТ стоїть опір 330ом. Дивимося на характеристики BF862
Screenshot_2024_11_25-2.png
Screenshot_2024_11_25-2.png (38.13 Кіб) Переглянуто 25237 разів
Я намалював тут лінію яка відповідаю резистору 330ом. Вона перетинає типову характеристику у точці зі струмом десь 2мА та напругою -0,5в. Але тут є проблема бо мі працюємо на початку характеристики де вона нелінійна. Будуть великі спотворення.
Треба струм підвищити до 7-10мА. при цьому резистор повинен бути 22-47ом. Це тому що ви взяли дуже сильнострумовий ПТ з великою крутизною.
Якщо струм 7-10мА то крутизна в рабочій точці буде приблизно 30-40мА/в. Вихідний опір приблизно 25-33ом. Два повторювача з'єднані послідовно дадуть вихідний опір 50-66ом. Ставимо трансформатор (балун) та підсилювач по наступній схемі
Screenshot_2024_11_25-4.png
Screenshot_2024_11_25-4.png (40.49 Кіб) Переглянуто 25237 разів
Навантаження підсилювача - 50-75ом. На частотах нижче 1МГц підсилення буде падати за рахунок дроселя 10uH у колі НЗЗ.
 
technotrasher
Повідомлень: 14
З нами з: Пон листопада 25, 2024 6:09 pm
Позивний: UT3UAJ
Has thanked: 5 times

Re: МШУ (LNA) для рамочной антенны

Повідомлення technotrasher »

дуже дякую за відповідь таку розвернуту. Я сейчас использую транзисторы PMBFJ310. для них ставил 150-330Ом. прикинув по ВАХ. если не сложно помогите для них посчитать истоковый резистор. чтоб я методом тыка не подбирал. 310 более доступны и есть оригиналы. и судя по характеристикам подходят. но они имеют совершенно другие параметры чем 862
я так понял - фильтр я убираю. из за высокого импеданса истокового повторителя?
по трансформатору - какой материал взять? 2000НН как советуют? намотка бифилярная? сколько витков? какие характеристики я должен получить на трансе. то есть как понять что я его правильно намотал.
истоковый повторитель  идет на подавление синфазной помехи? коэффициент усиления там меньше единицы.
можно ли добавить регулировку усиления?

 
UR5FFR
Повідомлень: 1452
З нами з: Пон вересня 12, 2022 4:04 pm
Has thanked: 132 times
Been thanked: 848 times

Re: МШУ (LNA) для рамочной антенны

Повідомлення UR5FFR »

Для J310 ставите резистор у істок 150ом. Вихідний опір буде приблизно 80-100ом. Підсилювач треба перерахувати
Screenshot_2024_11_26-2.png
Screenshot_2024_11_26-2.png (38.84 Кіб) Переглянуто 25070 разів
Трансформатор мотаємо у два дроти, дуже легка скрутка. Кільце К10 або більше, матеріал 1500-2000НМ, і на ньому 10-15 витків.
Підсилення тут не регулюється. Можна поставити каскад на BF998 з регулюванням, але це погане рішення.
technotrasher
Повідомлень: 14
З нами з: Пон листопада 25, 2024 6:09 pm
Позивний: UT3UAJ
Has thanked: 5 times

Re: МШУ (LNA) для рамочной антенны

Повідомлення technotrasher »

меня все же очень заинтересовало почему не будет работать фильтр. он там работать не будет потому что неверная схема (сама идея) и не будет никогда никак в принципе, или не будет работать в данном случае и можно его там поправить. дело в том, что на практике частота ниже 1Мгц через диф вход на транзисторах  затухала. да и сам фильтр я не сочинил, а взял все же с рабочей схемы. да я не учел емкость перехода в транзисторах. меня заинтересовала программа в которой вы эмулировали работу схемы. что это за программа?
UR5FFR
Повідомлень: 1452
З нами з: Пон вересня 12, 2022 4:04 pm
Has thanked: 132 times
Been thanked: 848 times

Re: МШУ (LNA) для рамочной антенны

Повідомлення UR5FFR »

Коли розраховується фільтр то окрім частоти зрізу завжди задається опір джерела сигналу та опір навантаження. У простому випадку вони співпадають. Коли ви навантажуєте фільтр на інший опір його АЧХ починає відхилятися від розрахованої. У вашому випадку фільтр розрахован на імпеданс 4кОм. Але ми не знаємо якій опір має рамка, а повторювач має дуже великий опір та ємністну компоненту. Тому фільтр може якось і працює але від нього більше шкоди ніж користі.
Програма RFSim99
technotrasher
Повідомлень: 14
З нами з: Пон листопада 25, 2024 6:09 pm
Позивний: UT3UAJ
Has thanked: 5 times

Re: МШУ (LNA) для рамочной антенны

Повідомлення technotrasher »

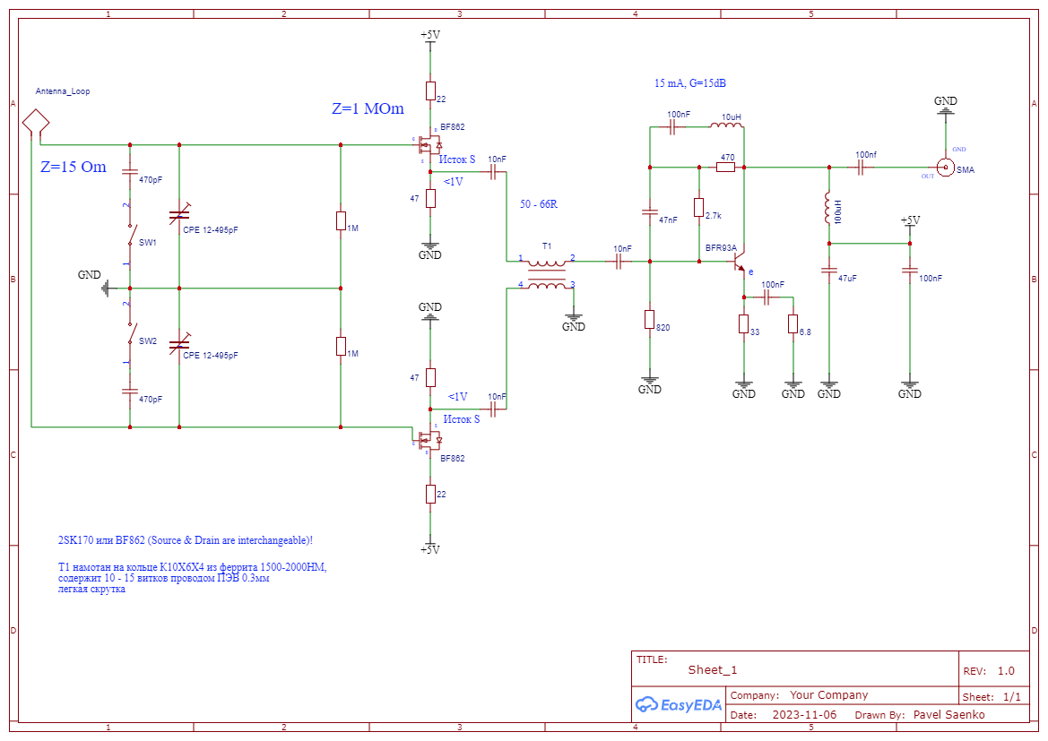
перерисовал. схему. плату в гербер прикладываю. Дроссели использовал аксиальные. но можно ли использовать SMD?
LNA.png
 
 
 
Вкладення
Gerber_LNA_AD_V2_PCB_LNA_AD_V2_2024-11-29.zip
(65.63 Кіб) Завантажено 864 разів
UR5FFR
Повідомлень: 1452
З нами з: Пон вересня 12, 2022 4:04 pm
Has thanked: 132 times
Been thanked: 848 times

Re: МШУ (LNA) для рамочной антенны

Повідомлення UR5FFR »

Ні, смд дроселя не треба тут використовувати. На схемі резистори 22ом у стоках ПТ зайві. Краще поставити там блокуючі ємності по 0,1мкф на землю зі стоков.
technotrasher
Повідомлень: 14
З нами з: Пон листопада 25, 2024 6:09 pm
Позивний: UT3UAJ
Has thanked: 5 times

Re: МШУ (LNA) для рамочной антенны

Повідомлення technotrasher »

Виконано!
Schematic_LNA.png
 
 
Вкладення
Gerber_LNA_AD_V2_PCB_LNA_AD_V2_2024-11-29.zip
(67.82 Кіб) Завантажено 877 разів
technotrasher
Повідомлень: 14
З нами з: Пон листопада 25, 2024 6:09 pm
Позивний: UT3UAJ
Has thanked: 5 times

Re: МШУ (LNA) для рамочной антенны

Повідомлення technotrasher »

а почему между антенной и входом истокового повторителя не нужен фильтр согласования? из за высокого входного ИП? получается что я рамкой замыкаю затворы. но в мультисим схема работает отлично. без фильтра.
Відповісти