Приймач прямого перетворення з фазовим детектором

UR5FFR
Повідомлень: 1418
З нами з: Пон вересня 12, 2022 4:04 pm
Has thanked: 130 times
Been thanked: 811 times

Re: Приймач прямого перетворення з фазовим детектором

Повідомлення UR5FFR »

Sergii писав: Сер лютого 19, 2025 4:00 pm Треба щось порішать з бібліотекою до si5351. Пробував вікористовувати іншу бібліотеку так з нею сішка дайє зсув але зовсім не 90 градусів.

 
Запушив правки на гітхаб. Змінився метод

Код: Виділити все

set_freq_quadrature(uint32_t f01, uint32_t f2, bool inverse_phase)
Добавився параметр inverse_phase. Якщо потрібна інверсія то передаємо true. Інакше - false
 
Sergii писав: Сер лютого 19, 2025 3:32 pm Так. Спочатку саме такий трансформатор і ставив. Але від нього дуже сильний мікрофонний ефект.

 
Дуже дивно. Може треба було його лаком промазати чи клеєм якимось?
max123
Повідомлень: 25
З нами з: Нед вересня 15, 2024 1:38 pm
Позивний: немає
Has thanked: 45 times
Been thanked: 4 times

Re: Приймач прямого перетворення з фазовим детектором

Повідомлення max123 »

Якщо в змішувачі використати Діод Шотткі BAT54S чи додасть кращих показників?
UR5FFR
Повідомлень: 1418
З нами з: Пон вересня 12, 2022 4:04 pm
Has thanked: 130 times
Been thanked: 811 times

Re: Приймач прямого перетворення з фазовим детектором

Повідомлення UR5FFR »

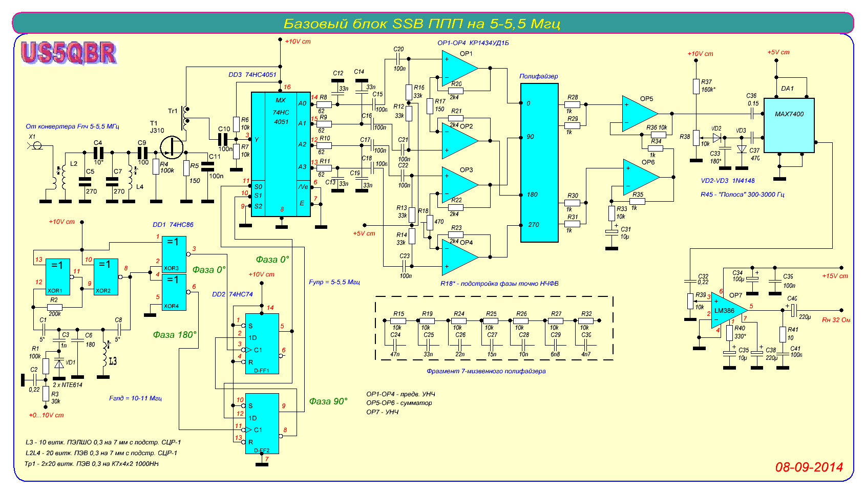
Sergii писав: Сер лютого 19, 2025 1:21 pm Деякі доповнення.ssb recive.png

 
Як я бачу то ПВЧ має підсилення десь 26дб при струмі через Q8 приблизно 1-2мА. На мій погляд це сильно погіршить динамічній діапазон.
Зазвичай перед змішувачем у ППП досить мати підсилювач з 10-15дб підсилення та струмом десь 10-15мА.

Ще цікава ідея - поставити в ПВЧ каскад наприклад с ОЗ та дроселем в навантаженні. Таким чином його коефіцієнт підсилення буде залежати від вхідного опору квадратурного змішувача який залежить від частоти та зменшується на частотах які не попадають у смугу пропускання. Такий підсилювач буде працювати як фільтр з центральною частотою яка дорівнює частоті налаштування.

Для зменшення шумів перший каскад можна зробити в режимі мікрострума та підвищити загальне підсилення по НЧ. Від струма спокою першого каскаду буде суттєво залежати його шуми.

https://us5qbr.blogspot.com/
https://us5qbr.blogspot.com/2021/03/blog-post.html
 
Вкладення
Схема ПП RX.JPG
US5QBR - Базовый блок SSB ППП на 5-5,5 Мгц.GIF
Sergii
Повідомлень: 64
З нами з: Вів листопада 29, 2022 10:58 am
Has thanked: 46 times
Been thanked: 32 times

Re: Приймач прямого перетворення з фазовим детектором

Повідомлення Sergii »

На рахунок мікрофонного ефекту схоже помиляюсь. Бо такий висновок я зробив на підставі того, що відбувався звортній звязок коли підносиш дінамик до трансформатора. Але скоріш за все той звязок був за рахунок змінного магнітного поля а не звуку.
Sergii
Повідомлень: 64
З нами з: Вів листопада 29, 2022 10:58 am
Has thanked: 46 times
Been thanked: 32 times

Re: Приймач прямого перетворення з фазовим детектором

Повідомлення Sergii »

Бібліотека для si5351 запустилась. Але фаза таки не пермикається. Можливо я щось наплужав коли переводив з С++ на С.
Sergii
Повідомлень: 64
З нами з: Вів листопада 29, 2022 10:58 am
Has thanked: 46 times
Been thanked: 32 times

Re: Приймач прямого перетворення з фазовим детектором

Повідомлення Sergii »

UR5FFR писав: Чет лютого 20, 2025 9:42 am  
Згоден. спробую підвищіти струм.
amp.png
amp.png (18.35 Кіб) Переглянуто 54903 разів
  
 
oldPsyho
Повідомлень: 634
З нами з: П'ят жовтня 14, 2022 4:13 pm
Звідки: KO40ig
Позивний: UR5XOU
Has thanked: 184 times
Been thanked: 70 times

Re: Приймач прямого перетворення з фазовим детектором

Повідомлення oldPsyho »

Спробував симулятор, LNA 2-200MHz
 
Вкладення
2025-02-21_12-59.png
Sergii
Повідомлень: 64
З нами з: Вів листопада 29, 2022 10:58 am
Has thanked: 46 times
Been thanked: 32 times

Re: Приймач прямого перетворення з фазовим детектором

Повідомлення Sergii »

В моєму варіанті підсилювача десь така АЧХ
achh.png
 
 
UR5FFR
Повідомлень: 1418
З нами з: Пон вересня 12, 2022 4:04 pm
Has thanked: 130 times
Been thanked: 811 times

Re: Приймач прямого перетворення з фазовим детектором

Повідомлення UR5FFR »

oldPsyho писав: П'ят лютого 21, 2025 12:59 pm Спробував симулятор, LNA 2-200MHz
 
А навіщо в схемі R1R4?
oldPsyho
Повідомлень: 634
З нами з: П'ят жовтня 14, 2022 4:13 pm
Звідки: KO40ig
Позивний: UR5XOU
Has thanked: 184 times
Been thanked: 70 times

Re: Приймач прямого перетворення з фазовим детектором

Повідомлення oldPsyho »

UR5FFR писав: П'ят лютого 21, 2025 11:43 pm
oldPsyho писав: П'ят лютого 21, 2025 12:59 pm Спробував симулятор, LNA 2-200MHz

 
А навіщо в схемі R1R4?

 
хз, моделював по схемі.

 
Вкладення
Wide_Band_Amplifiers.gif
Відповісти