Реверсивний змішувач
-
Пенсіонер
- Повідомлень: 193
- З нами з: Пон липня 10, 2023 9:39 pm
- Has thanked: 9 times
- Been thanked: 97 times
Re: Реверсивний змішувач
Як на мене, то на Ваше питання вже відповіли із зображеннями і текстами: можливо і лампа може бути у запертому стані або у робочому. З Вашого питання постає припущення, що Ви передбачаєте перевантаження джерела зміщення (мабуть поданням мінуса безпосередньо на керуючу сітку без відриву уземленого кінця резистора). Задля усунення перевантаження цього плануєте увімкнення конденсатора між спільним проводом і резистором.Але тоді Ви мусите комутувати зміщення при переході в інший режим.Не погодження із запропонованими варіантами комутації треба розуміти як не можливість використання саме реле чи це щось про інше?Задайте питання повно і чітко, відповідно такою буде і відповідь.
-
UT8AS
- Повідомлень: 105
- З нами з: Сер вересня 14, 2022 8:37 am
- Позивний: UT8AS
- Has thanked: 53 times
- Been thanked: 42 times
Re: Реверсивний змішувач
...вже відповіли із зображеннями і текстами...
Можливо "twskm" не розуміє режиму ламп по постійному струму, адже залишати сітку БЕЗ гальванічного зв'язку із "землею" або подачі ПОСТІЙНОГО зміщення неможна (бо як поведе себе лампа, коли сітка "в повітрі")?..я зараз не пам'ятаю, але може хто підкаже - де про це прочитати...
Можливо "twskm" не розуміє режиму ламп по постійному струму, адже залишати сітку БЕЗ гальванічного зв'язку із "землею" або подачі ПОСТІЙНОГО зміщення неможна (бо як поведе себе лампа, коли сітка "в повітрі")?..я зараз не пам'ятаю, але може хто підкаже - де про це прочитати...
-
UR5FFR
- Повідомлень: 1356
- З нами з: Пон вересня 12, 2022 4:04 pm
- Has thanked: 120 times
- Been thanked: 757 times
Re: Реверсивний змішувач
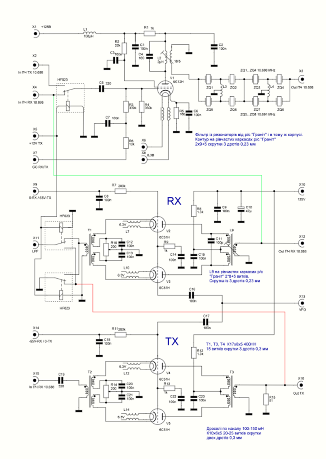
Якесь дивне навантаження у вас в анодах. Ви цей ланцюг L2C8R5L4C6R6C9R7 моделювали чи макетували? Чому не зробити простіше - поставити в анод дросель паралельно з резистором та підібрати їх щоб була рівномірна АЧХ?
Re: Реверсивний змішувач
Це схема заживлення аперіодичного підсилювача, вона працює. Є в неті але на ру сайті. Інші методи заживлення не дають такої широкої полоси, 1,5-30 МГц. С6 R6 C9 можно просто одним С6 обійтись