Каталог схем трансиверів.

UR5VCP
Повідомлень: 447
З нами з: Пон вересня 12, 2022 6:14 pm
Звідки: KN48wi
Позивний: UR5VCP
Has thanked: 83 times
Been thanked: 9 times
Контактна інформація:

Каталог схем трансиверів.

Повідомлення UR5VCP »

Друзі, буду помаленько викладати схеми трансиверів. Різні, всякі. Принцип пропоную простий:
- ніякого обговорення тут! Обговорювати тільки в інших або нових топіках!
- одне повідомлення - одна схема (ну вже якщо так картинок багато - то відповідно і заголовок повідомлення ч1 ч2 ч3)
- приєднуйтесь!
 
UR5VFT
Повідомлень: 589
З нами з: Вів січня 17, 2023 6:22 pm
Позивний: UR5VFT
Has thanked: 593 times
Been thanked: 127 times

Re: Каталог схем трансиверів.

Повідомлення UR5VFT »

АРУ по ПЧ та НЧ.. 73!
UR5VFT
Повідомлень: 589
З нами з: Вів січня 17, 2023 6:22 pm
Позивний: UR5VFT
Has thanked: 593 times
Been thanked: 127 times

Re: Каталог схем трансиверів.

Повідомлення UR5VFT »

 Дуже цікаво..
https://www.kg7tr.com/
Віталій
Повідомлень: 7
З нами з: Сер жовтня 19, 2022 9:23 pm
Позивний: UR4UBQ
Has thanked: 1 time
Been thanked: 1 time

Re: Каталог схем трансиверів.

Повідомлення Віталій »

трансивер Фогеля.zip
(558.17 Кіб) Завантажено 1914 разів
 
 
Трансивер Фогеля Ю.В. Схема 70-х років, автор статті - де я брав схему пише про якісний прийом цього трансивера.

 
 
 
 
 
 
 
Вкладення
ФОГЕЛЬ_трансивер.jpg
ФОГЕЛЬ_трансивер.jpg (83.79 Кіб) Переглянуто 100156 разів
UR5VFT
Повідомлень: 589
З нами з: Вів січня 17, 2023 6:22 pm
Позивний: UR5VFT
Has thanked: 593 times
Been thanked: 127 times

Re: Каталог схем трансиверів.

Повідомлення UR5VFT »

- з польського сайту. 73!
 
Вкладення
Obraz 020.JPG
Obraz 021.JPG
UR5VFT
Повідомлень: 589
З нами з: Вів січня 17, 2023 6:22 pm
Позивний: UR5VFT
Has thanked: 593 times
Been thanked: 127 times

Re: Каталог схем трансиверів.

Повідомлення UR5VFT »

- повтор - трансівер Ангор. німецький варіант.
 
Вкладення
tube-cw-trx-schem2.jpg
UR5VFT
Повідомлень: 589
З нами з: Вів січня 17, 2023 6:22 pm
Позивний: UR5VFT
Has thanked: 593 times
Been thanked: 127 times

Re: Каталог схем трансиверів.

Повідомлення UR5VFT »

ДОНБАСС 2
 
Вкладення
03_2___826.gif
02____173.gif
01___425.gif
UR5VFT
Повідомлень: 589
З нами з: Вів січня 17, 2023 6:22 pm
Позивний: UR5VFT
Has thanked: 593 times
Been thanked: 127 times

Re: Каталог схем трансиверів.

Повідомлення UR5VFT »

  - uw3di 2016
 
Вкладення
ди.rar
(2.52 МіБ) Завантажено 1206 разів
Ігор Віт.
Повідомлень: 80
З нами з: Вів червня 18, 2024 6:44 pm
Has thanked: 8 times
Been thanked: 24 times

Re: Каталог схем трансиверів.

Повідомлення Ігор Віт. »

Трансівер Чуканова. Журнал Радіо, №10 1973 рік.
чуканов.JPG
 
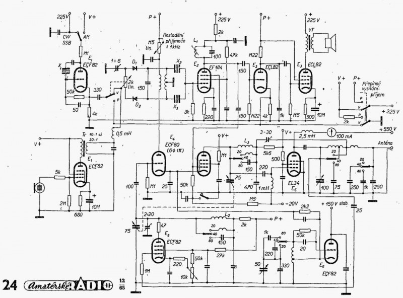
Але за 8 років до того був опублікований в чешському журналі трансівер на лампах, який явно слугував основою для трансівера Чуканова:

 
чуканов прототип.JPG
 
 
 
 
Ігор Віт.
Повідомлень: 80
З нами з: Вів червня 18, 2024 6:44 pm
Has thanked: 8 times
Been thanked: 24 times

Re: Каталог схем трансиверів.

Повідомлення Ігор Віт. »

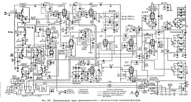
ламп транс.JPG
 
 
UR5FFR
Повідомлень: 1452
З нами з: Пон вересня 12, 2022 4:04 pm
Has thanked: 132 times
Been thanked: 848 times

Re: Каталог схем трансиверів.

Повідомлення UR5FFR »

Ігор писав:Чет січня 01, 1970 4:22 amламп транс.JPG
Досить цікава та продумана схема. Звідки вона? Є десь опис на неї?
На мій погляд на схемі є помилка - С28 не потрібно з'єднувати з другою сіткою
Screenshot_2025_10_01-1.png
Screenshot_2025_10_01-1.png (100.42 Кіб) Переглянуто 72971 раз
Цікаве включення 6Ж2П у змішувачах - гетеродин на першу сітку, а сигнал на третю хоча начебто повинно бути навпаки
Відповісти