Гібридні мікросхеми 235 та 435 серій

Відповісти
UR5FFR
Повідомлень: 1385
З нами з: Пон вересня 12, 2022 4:04 pm
Has thanked: 122 times
Been thanked: 782 times

Гібридні мікросхеми 235 та 435 серій

Повідомлення UR5FFR »

Святий Миколай тут приніс трохи усілякого з 235 та 435 серій. Є ідея зробити щось на них корисне. Документацію знайшов, але цікаво подивитися на їх використання в реальних конструкціях. Аматорських схем не можу згадати. Стояло в вояцький техниці. Питання у який бо перелопачувати стопіцот схем це таке собі заняття на різдво :) Отже панове підкажіть куди дивитися. 
 
oldPsyho
Повідомлень: 634
З нами з: П'ят жовтня 14, 2022 4:13 pm
Звідки: KO40ig
Позивний: UR5XOU
Has thanked: 184 times
Been thanked: 70 times

Re: Гібридні мікросхеми 235 та 435 серій

Повідомлення oldPsyho »

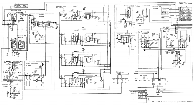
На скільки я знаю, 235-та серія використовувалась в Р143, а 435-та в Р326М.
 
 
 
Вкладення
Р143, 435ХП1
Р143, 435ХП1
Р326М, Блок 1-ПЧ2 на 235УР3
Р326М, Блок 1-ПЧ2 на 235УР3
US5MSQ
Повідомлень: 9
З нами з: Сер жовтня 18, 2023 8:21 am
Позивний: US5MSQ
Has thanked: 8 times
Been thanked: 17 times

Re: Гібридні мікросхеми 235 та 435 серій

Повідомлення US5MSQ »

Несложная радиостанция для связи через ИСЗ Кушниров А. (UI8ABF) ж.Радіо,1981 №1  с.30
 
UR5FFR
Повідомлень: 1385
З нами з: Пон вересня 12, 2022 4:04 pm
Has thanked: 122 times
Been thanked: 782 times

Re: Гібридні мікросхеми 235 та 435 серій

Повідомлення UR5FFR »

Усім дякую, додам по 235ій серії "Батушев В. А. - Микросхемы и их применение - 1983". По 435й інформації вкрай мало. Єдине що знайшов - "Микросхемы и их применение, Вениамином и др., 1989 МРБ №1143"
Ігор Віт.
Повідомлень: 70
З нами з: Вів червня 18, 2024 6:44 pm
Has thanked: 7 times
Been thanked: 17 times

Re: Гібридні мікросхеми 235 та 435 серій

Повідомлення Ігор Віт. »

435uv1_tu_1988.pdf
(220.18 Кіб) Завантажено 848 разів
 ".....Серия предназначена для создания высококачественной радиоаппаратуры, работающей в диапазоне до 200 МГц. Разработчик и производитель - Рижский ЗПП (в дальнейшем ПО "Альфа"). Начало серийного производства - 1975 год....."
 
 
oldPsyho
Повідомлень: 634
З нами з: П'ят жовтня 14, 2022 4:13 pm
Звідки: KO40ig
Позивний: UR5XOU
Has thanked: 184 times
Been thanked: 70 times

Re: Гібридні мікросхеми 235 та 435 серій

Повідомлення oldPsyho »

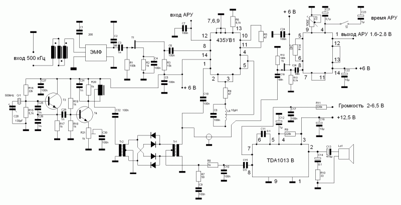
Блок ПЧ на 435УВ1 та 435ДА1
Вкладення
trx10_5big.gif
Відповісти