Одноплатний тракт за мотивами М'ясникова

UR5FFR
Повідомлень: 1452
З нами з: Пон вересня 12, 2022 4:04 pm
Has thanked: 132 times
Been thanked: 848 times

Re: Останній одноплатний тракт М'ясникова

Повідомлення UR5FFR »

serge_m писав: Пон серпня 11, 2025 7:29 pm
стоять підсилювачі на КТ904
Цікаво чому такі потужні транзистори використовуються для цих підсилювачів. Поясніть хто розуміє, або посилання де вже обговорювалось/пояснювалося. Або ключові слова для пошуку. Дякую.

 
Вони працюють у класі А з досить великим струмом спокою наскільки я розумію. Там треба було ставити каскади на КТ606 з ООС колектор-база. Але автор чомусь вирішив поставити 904і. Чому - це ми навряд чи взнаємо.
serge_m писав: Пон серпня 11, 2025 9:28 pmЄ першоджерело схеми з першого повідомлення? Є сумніви що це схема з 90-их.
 
Я теж перший раз бачу цю схему.  
UR5VFT писав: Пон серпня 11, 2025 8:40 pm - некоректно порівнювати розробку 1990 року чи раніше совка із сучасними. Будь-який трансівер з совка можна розкритикувати ну може тр Дроздова тоді тех інформація самі розумієте а дістати кп350 або 903 неріально. лише у спекулянтів. а цей тракт працює в друга років 22 і зараз теж на виході 6ж11 і 6п36 . вместо гпд ставимо синтез А в місті переходять на СДР або трансівери від Ігоря2  с эмф на 200 кгц . Ізюменку   73!

 
Якщо ви ще раз перечитаєте те що я писав, то вам стане зрозуміло що моя критика відноситься якраз до "поліпшеної" схеми, яку ви навели у першому пості. Тому тут не йде річ про те в совку це було зроблено чи ні. Той хто намагався поліпшити схему не зовсім розумів що він робить. В результаті стало гірше ніж було.

PS Стосовно совка. "Зелений" Ред вийшов у 89, а через рік вийшов і "жовтий". Бунімович та Яйленко у своєму "Довіднику" 84го року наводять дуже багато інформації стосовно чутливості, динамічного діапазону та інших параметрів РПУ. Також там є цікаві схеми. Наприклад пасивний змішувач на 4х ПТ, або високорівневий змішувач на двох діодних ключах, підсилювальні каскади з НЗЗ, атенюатори на пін-діодах та інше. Дроздов опублікував схему у 85 якщо не помиляюсь. Тобто нова схемотехніка у 80х вже була. Але ще не пішла у маси.
UR5VFT
Повідомлень: 589
З нами з: Вів січня 17, 2023 6:22 pm
Позивний: UR5VFT
Has thanked: 593 times
Been thanked: 127 times

Re: Останній одноплатний тракт М'ясникова

Повідомлення UR5VFT »

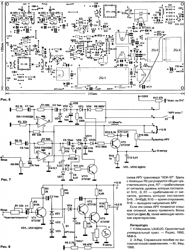
-Схему з першого повідомлення вперше бачу.-
пошукайте в РЛ-КВ и УКВ- 97-98г


ще знайшов доопрацювання..73!
 
 
Вкладення
іііап.pdf
(175.39 Кіб) Завантажено 848 разів
Freddy
Повідомлень: 306
З нами з: П'ят лютого 10, 2023 7:00 pm
Has thanked: 26 times
Been thanked: 52 times

Re: Останній одноплатний тракт М'ясникова

Повідомлення Freddy »

UR5FFR писав: Пон серпня 11, 2025 11:08 am
Freddy писав: Нед серпня 10, 2025 10:45 pm Чи варто в наш час збирати тракт мясникова ? В чому його " фішка" ? В часи коли його опублікували то ясно . Це був перший одноплатний тракт а зараз ?  Ще й елементна  база застаріла  через що дорога  але чи варто воно того ?
Воно має сенс якщо ви робите аутентичний ретро-трансівер. Тобто усе як зробив автор. Але якщо вам потрібен апарат для роботи в ефірі то краще використовувати більш доступні сучасні компоненти та схемотехніку.

У вкладені схема оригінального тракту бо те що викладено у першому пості - це якась пародія.
По структурі тракт М'ясникова він схожий на Радіо-76 з гетеродинами, що перемикаються. Для свого часу тракт мав досить непоганий ДД та просунуту систему АРП. Але є і недоліку пов'язані з балансуванням змішувачів та узгодженням каскадів. Зараз якщо таке робити то замість діодних змішувачів треба ставити на комутаторах/ключах, усе що пов'язано з підсиленням та комутацією гетеродинів можна викинути бо усе це зробить синтезатор. По компонентам теж багато питань та деякі схемотехнічні моменти треба переробити

 
Про автентичність мова не йде бо це лише тракт а не повноцінний трансивер як кудрявцев або дроздов . Елементна база така що збирати її будеш рік і не факт що вона буде в параметрах і ясно що дорого . Колись дивився на цю схему але відсутність деталей і неможливість їх купити  остудила  так що бажання збирати цей тракт так і не повернулось .  Тому і запитав в чому фішка і чи варто витрачати ресурси на цю конструкцію  зараз. 
 
serge_m
Повідомлень: 122
З нами з: Пон лютого 17, 2025 8:10 pm
Has thanked: 57 times
Been thanked: 51 time

Re: Останній одноплатний тракт М'ясникова

Повідомлення serge_m »

UR5VFT писав: Пон серпня 11, 2025 11:02 pm пошукайте в РЛ-КВ и УКВ- 97-98г


 
98 рік 3 і 4 номери - УТТ Вітамін
Схеми з першого повідомлення під вказвним авторством не знайшов в 97-98 роках. І навряд чи хтось знайде. Бо від ОУТ до УТТ Вітамін схема ускладнилась. А сабжева схема то якась урізана версія ОУТ.
 
UR5FFR
Повідомлень: 1452
З нами з: Пон вересня 12, 2022 4:04 pm
Has thanked: 132 times
Been thanked: 848 times

Re: Останній одноплатний тракт М'ясникова

Повідомлення UR5FFR »

serge_m писав: Вів серпня 12, 2025 12:13 am 98 рік 3 і 4 номери - УТТ Вітамін
Схеми з першого повідомлення під вказвним авторством не знайшов в 97-98 роках. І навряд чи хтось знайде. Бо від ОУТ до УТТ Вітамін схема ускладнилась. А сабжева схема то якась урізана версія ОУТ.
На мою думку схема з першого поста взагалі не має відношення до того що робив М'ясников. Це якась народна творчість. Тому заголовок теми дещо вводить в оману - очікується що там схема від автора, а там казна що
 
UT8AS
Повідомлень: 119
З нами з: Сер вересня 14, 2022 8:37 am
Позивний: UT8AS
Has thanked: 69 times
Been thanked: 48 times

Re: Останній одноплатний тракт М'ясникова

Повідомлення UT8AS »

Freddy писав: Пон серпня 11, 2025 11:47 pm
 
=0.95em Колись дивився на цю схему але відсутність деталей і неможливість їх купити  остудила  так що бажання збирати цей тракт так і не повернулось .  Тому і запитав в чому фішка і чи варто витрачати ресурси на цю конструкцію  зараз. 
 


 
Доброго часу доби! Перший одноплатний тракт Мясникова я зробив у 1990-му році і він працює до цього часу у мого брата UT8AQ, правда вже з деякими доробками і синтезатором. Я в той час намалював, ще скляним рейсфедером, штук вісім плат, але з них, крім моєї, спаяли та налагодили лише три ті, хто хотів слухати ефір, благо були у вільному продажі кварцові набори на 5,5 ; 8,814 і 9,0 МГц. Я до чого - всі пропозиції актуальні в свій час, ну, майже всі. Нещодавно згадав про схему трансивера Бізон 06 бо була добра жменя КТ646-их. Знайшов у продажу мікросхему НЧ і повторив плату 1 до 1-го - запрацювала відразу. Потім ще одну і зробив два маленькі трансивери у корпусах від CD-програвачів ПК для очних змагань. Працюють гарно, вже десь викладав відео його прийому під час міжнародних змагань...якщо є бажання щось зробити, деталі знайти можна, та й аналоги їхні теж...
https://drive.google.com/file/d/18syvaZ ... t7z8k/view
 
 
UR5VFT
Повідомлень: 589
З нами з: Вів січня 17, 2023 6:22 pm
Позивний: UR5VFT
Has thanked: 593 times
Been thanked: 127 times

Re: Останній одноплатний тракт М'ясникова

Повідомлення UR5VFT »

  73!
 
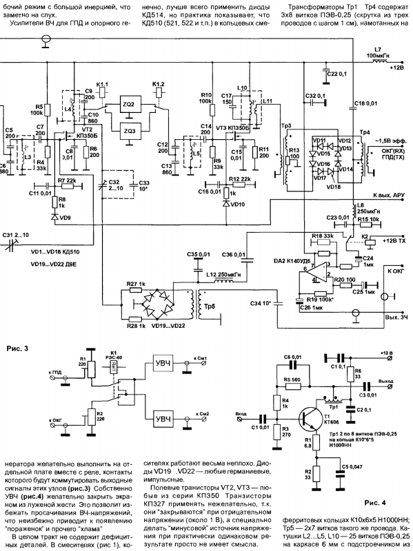
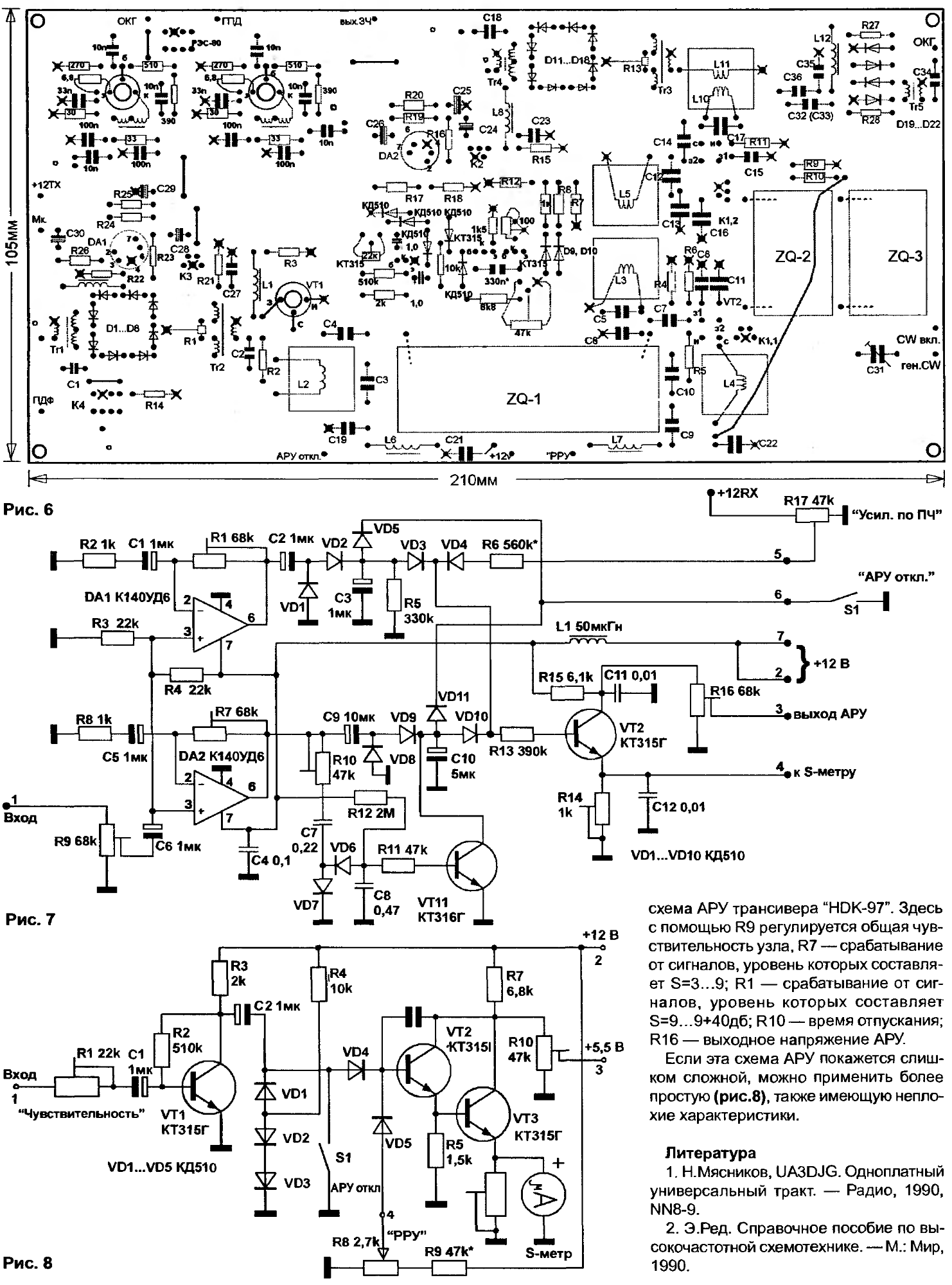
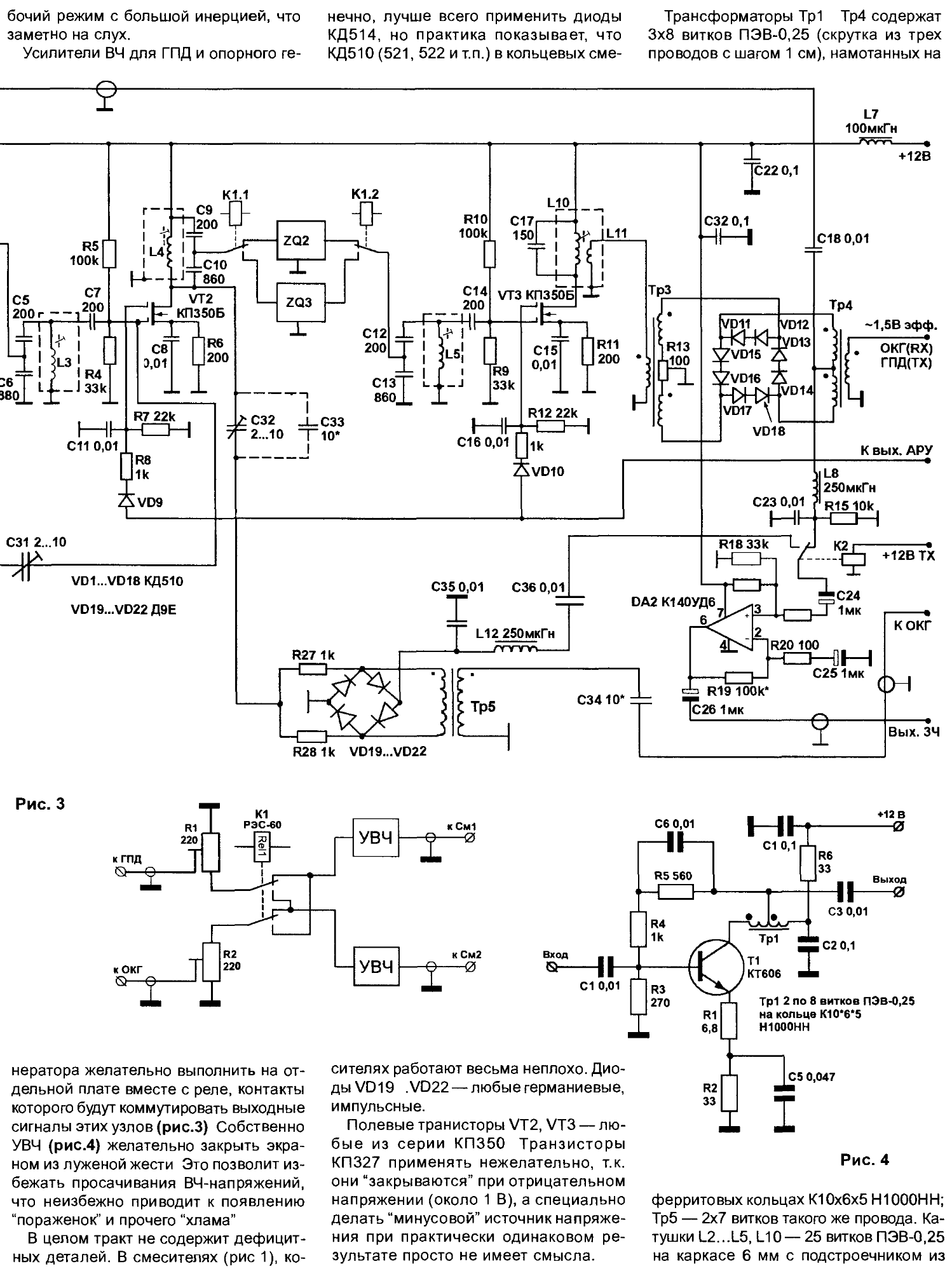
Вкладення
Тракт1.PNG
Тракт2.PNG
Тракт3.PNG
Тракт4.PNG
UR5FFR
Повідомлень: 1452
З нами з: Пон вересня 12, 2022 4:04 pm
Has thanked: 132 times
Been thanked: 848 times

Re: Одноплатний тракт за мотивами М'ясникова

Повідомлення UR5FFR »

Ну як і казали - до тракту М'ясникова це не має ніякого відношення
Змінив назву теми щоб не вводити народ в оману
Відповісти