Приймач RX998.

Sergii
Повідомлень: 61
З нами з: Вів листопада 29, 2022 10:58 am
Has thanked: 43 times
Been thanked: 31 time

Re: Приймач RX998.

Повідомлення Sergii »

На скільки я розумію, повинен бути якийсь + на анодах діодів. Не можу знайти як він туди потрапляє.
 
UR5FFR
Повідомлень: 1312
З нами з: Пон вересня 12, 2022 4:04 pm
Has thanked: 109 times
Been thanked: 719 times

Re: Приймач RX998.

Повідомлення UR5FFR »

Потрібно подати живлення через резистори по 1ком у відмічені точки
Вкладення
Screenshot_2025_11_06-2.png
Freddy
Повідомлень: 247
З нами з: П'ят лютого 10, 2023 7:00 pm
Has thanked: 20 times
Been thanked: 43 times

Re: Приймач RX998.

Повідомлення Freddy »

Так , я про це й забув ... у автора дпф  живленя 8в  подається в точку між R20  і С52   ,  можна так лишити ? 
UR5FFR
Повідомлень: 1312
З нами з: Пон вересня 12, 2022 4:04 pm
Has thanked: 109 times
Been thanked: 719 times

Re: Приймач RX998.

Повідомлення UR5FFR »

Freddy писав: П'ят листопада 07, 2025 6:45 am Так , я про це й забув ... у автора дпф  живленя 8в  подається в точку між R20  і С52   ,  можна так лишити ? 

 
Так, можна
Freddy
Повідомлень: 247
З нами з: П'ят лютого 10, 2023 7:00 pm
Has thanked: 20 times
Been thanked: 43 times

Re: Приймач RX998.

Повідомлення Freddy »

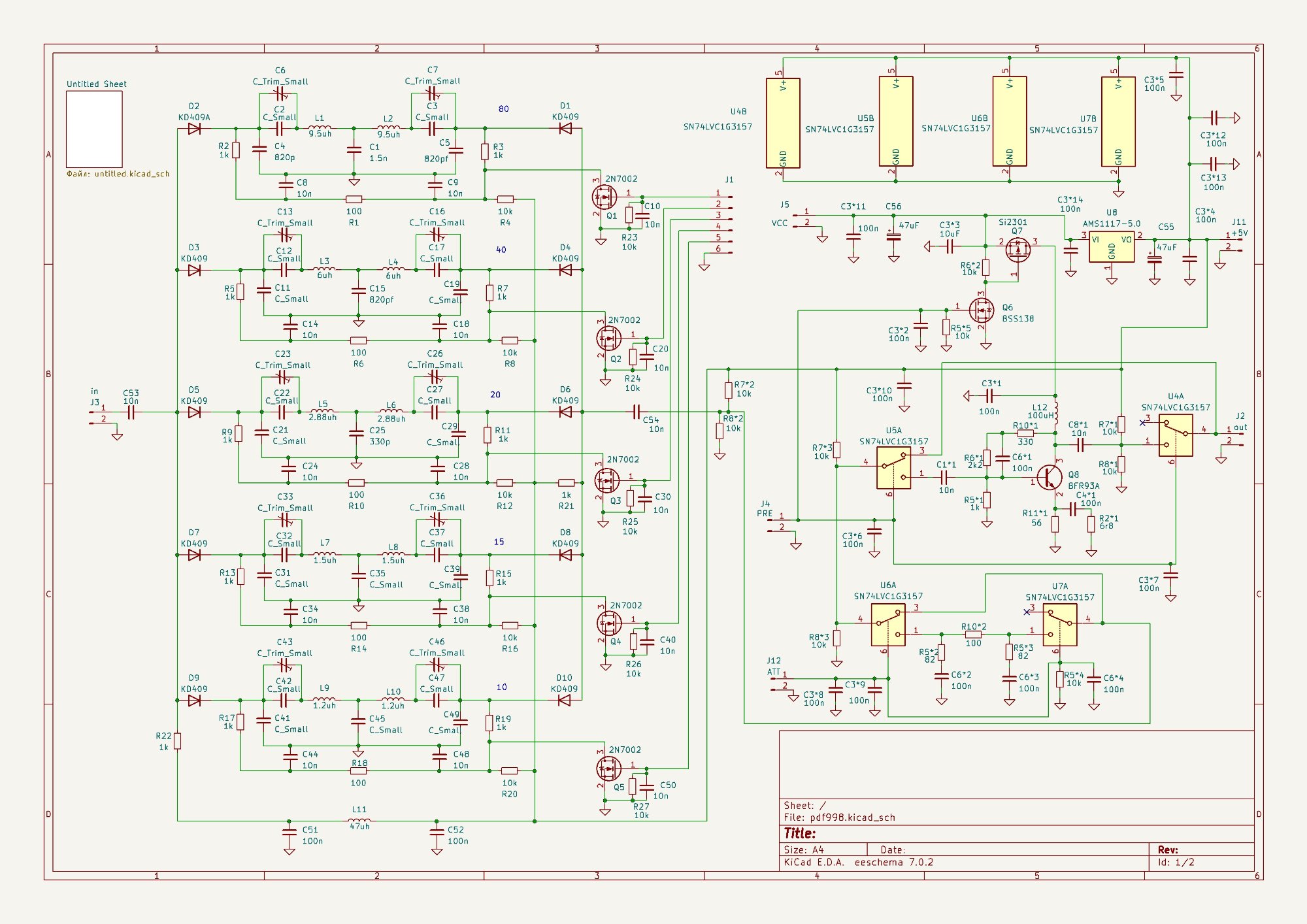
 виправив схему. якщо кому цікаво то можу показати малюнок печатки . 
 
Вкладення
dpf_last.jpg
Freddy
Повідомлень: 247
З нами з: П'ят лютого 10, 2023 7:00 pm
Has thanked: 20 times
Been thanked: 43 times

Re: Приймач RX998.

Повідомлення Freddy »

UR5FFR писав: П'ят листопада 07, 2025 11:34 am
Freddy писав: П'ят листопада 07, 2025 6:45 am Так , я про це й забув ... у автора дпф  живленя 8в  подається в точку між R20  і С52   ,  можна так лишити ? 




 
Так, можна



 
Якщо туди подати 5в , то резистори  які  йдуть на аноди діодів  залишати  на 1к чи інший номінал ? Де можна почитати як тут працює комутація ? Бо я абсолютно не розумію цього. 

 
І ще питання , а треба резистори R7*3 та R8*3 ? Бо в rx2112  їх там немає.
 
Freddy
Повідомлень: 247
З нами з: П'ят лютого 10, 2023 7:00 pm
Has thanked: 20 times
Been thanked: 43 times

Re: Приймач RX998.

Повідомлення Freddy »

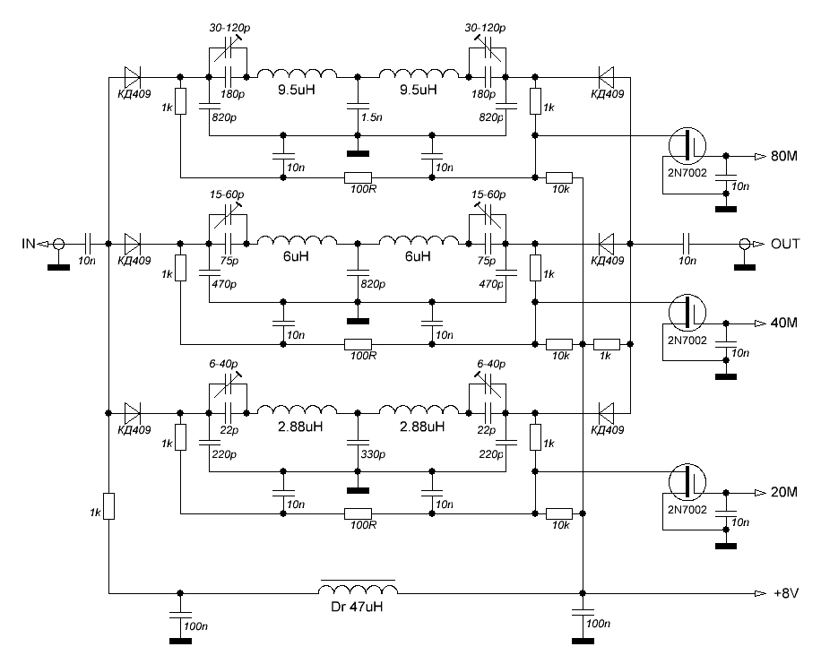
Зображення  який номінал підстроєчних конденсаторів , 10пф вистачить ?
 
Weezerspoon
Повідомлень: 76
З нами з: Нед березня 31, 2024 8:00 pm
Has thanked: 16 times
Been thanked: 27 times

Re: Приймач RX998.

Повідомлення Weezerspoon »

10 пікушками ви нічого не налаштуєте. Ось в мене є схемка з номіналами цього дпф.
Вкладення
Полосовики.GIF
UR5FFR
Повідомлень: 1312
З нами з: Пон вересня 12, 2022 4:04 pm
Has thanked: 109 times
Been thanked: 719 times

Re: Приймач RX998.

Повідомлення UR5FFR »

Freddy писав: Суб листопада 08, 2025 8:07 pmЯкщо туди подати 5в , то резистори  які  йдуть на аноди діодів  залишати  на 1к чи інший номінал ? Де можна почитати як тут працює комутація ? Бо я абсолютно не розумію цього. 
Резистори треба вибирати так щоб струм через діоди був 5-10мА. Працює все дуже просто - якщлоо через діод тече струм то він відчинений та його опір одиниці ом та менше. Якщо діод заперто зворотньой напругою то він зачинен і його опір дуже великий та дорівнює реактивному опору ємності діоду на робочій частоті
 
Freddy
Повідомлень: 247
З нами з: П'ят лютого 10, 2023 7:00 pm
Has thanked: 20 times
Been thanked: 43 times

Re: Приймач RX998.

Повідомлення Freddy »

Weezerspoon писав: Вів листопада 18, 2025 6:32 am 10 пікушками ви нічого не налаштуєте. Ось в мене є схемка з номіналами цього дпф.

 
Дякую за інформацію !
Відповісти