Реверсивний змішувач

Пенсіонер
Повідомлень: 180
З нами з: Пон липня 10, 2023 9:39 pm
Has thanked: 8 times
Been thanked: 84 times

Re: Реверсивний змішувач

Повідомлення Пенсіонер »

Як на мене, то на Ваше питання вже відповіли із зображеннями і текстами: можливо і лампа може бути у запертому стані або у робочому. З Вашого питання постає припущення, що Ви передбачаєте перевантаження джерела зміщення (мабуть поданням мінуса безпосередньо на керуючу сітку без відриву уземленого кінця резистора). Задля усунення перевантаження цього плануєте увімкнення конденсатора між спільним проводом і резистором.Але тоді Ви мусите комутувати зміщення при переході в інший режим.Не погодження із запропонованими варіантами комутації треба розуміти як не можливість використання саме реле чи це щось про інше?Задайте питання повно і чітко, відповідно такою буде і відповідь.
UT8AS
Повідомлень: 84
З нами з: Сер вересня 14, 2022 8:37 am
Позивний: UT8AS
Has thanked: 39 times
Been thanked: 37 times

Re: Реверсивний змішувач

Повідомлення UT8AS »

...вже відповіли із зображеннями і текстами...

Можливо "twskm" не розуміє режиму ламп по постійному струму, адже залишати сітку БЕЗ гальванічного зв'язку із "землею" або подачі ПОСТІЙНОГО зміщення неможна (бо як поведе себе лампа, коли сітка "в повітрі")?..я зараз не пам'ятаю, але може хто підкаже - де про це прочитати...
 
twskm
Повідомлень: 37
З нами з: Пон жовтня 16, 2023 5:26 pm

Re: Реверсивний змішувач

Повідомлення twskm »

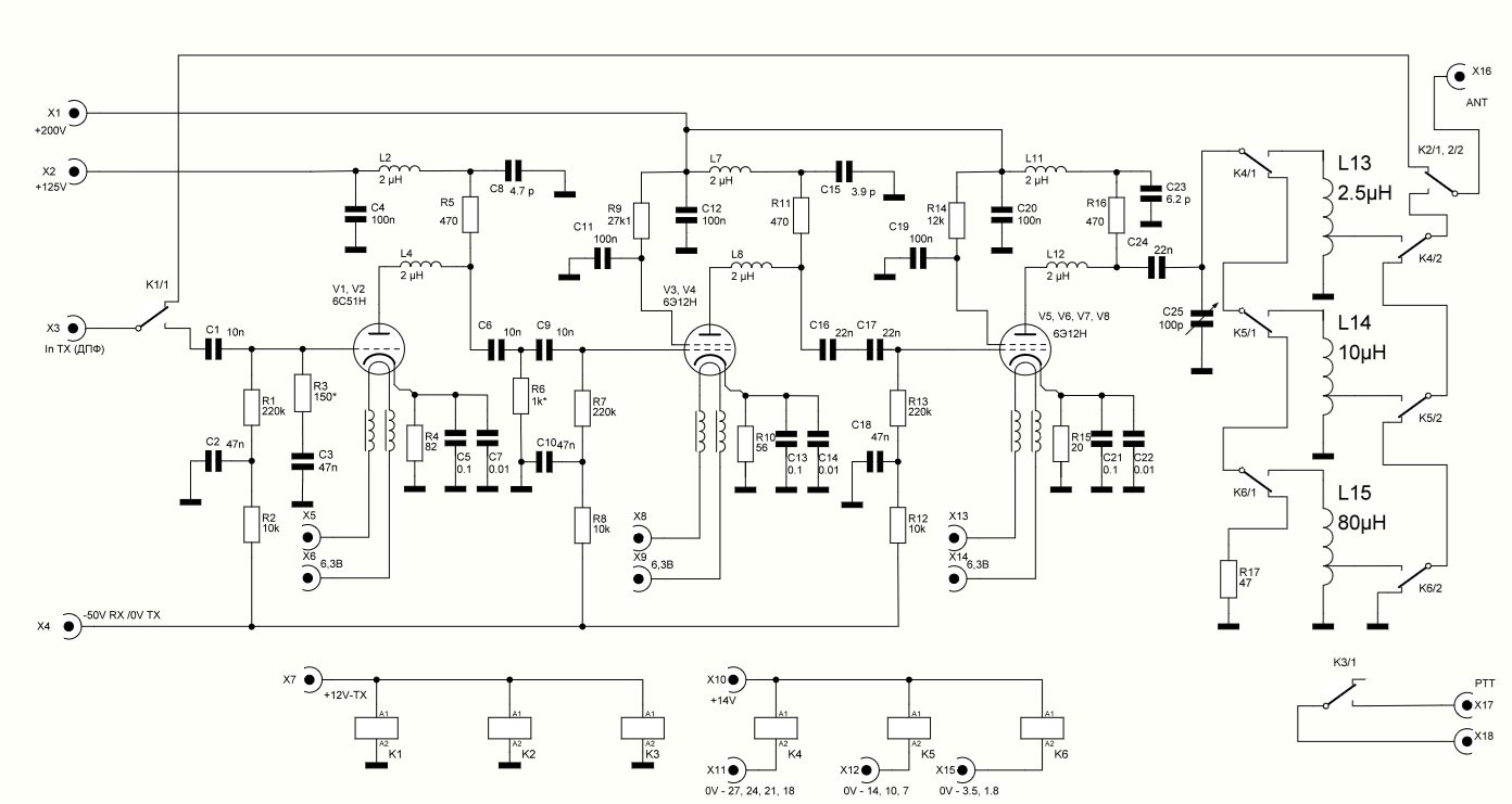
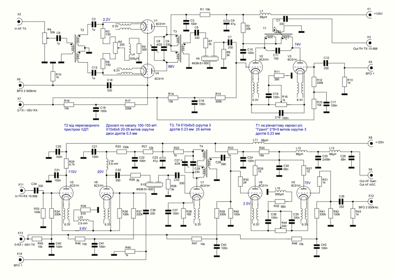
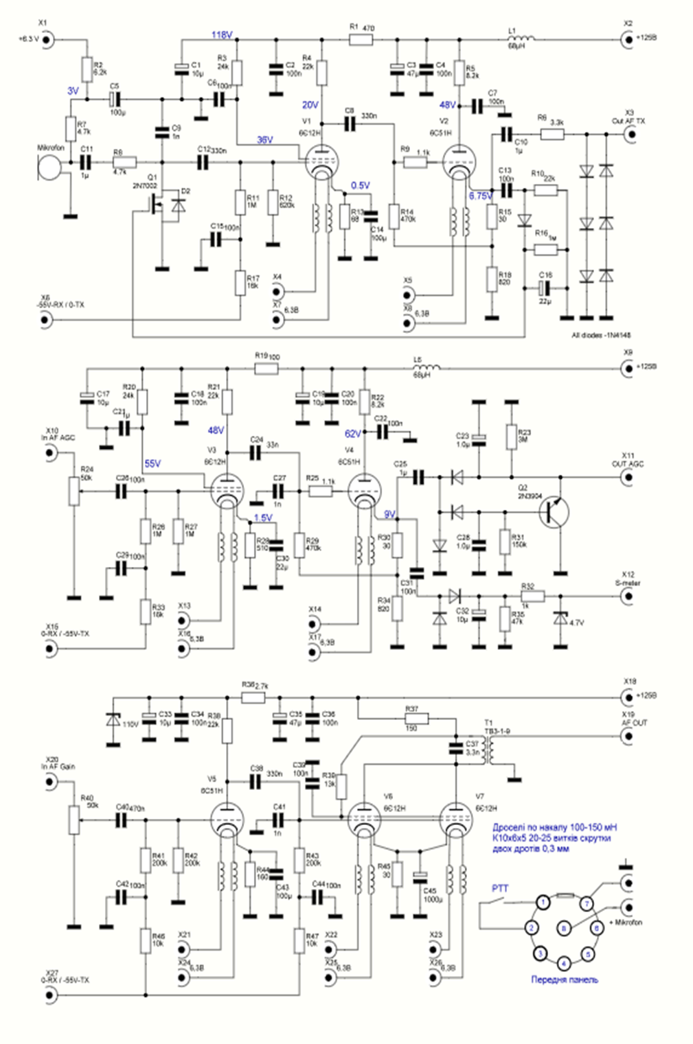
Трансівер на нувісторах. Де які помилки?
 
Вкладення
Тракти RX i TX.png
Проміжна частота.png
Посилювачі НЧ.png
Кв фільтр + змішувачі.png
twskm
Повідомлень: 37
З нами з: Пон жовтня 16, 2023 5:26 pm

Re: Реверсивний змішувач

Повідомлення twskm »

Посилювач ВЧ
Посилювач ВЧ.jpg
 
 
UR5VFT
Повідомлень: 457
З нами з: Вів січня 17, 2023 6:22 pm
Позивний: UR5VFT
Has thanked: 437 times
Been thanked: 95 times

Re: Реверсивний змішувач

Повідомлення UR5VFT »

с6 - р10- с9         с16- ? - с17
twskm
Повідомлень: 37
З нами з: Пон жовтня 16, 2023 5:26 pm

Re: Реверсивний змішувач

Повідомлення twskm »

R6 вирівнює АЧХ, С16, 17 просто перехід між платами. R10 катодний опір.

 
 
UR5FFR
Повідомлень: 1231
З нами з: Пон вересня 12, 2022 4:04 pm
Has thanked: 89 times
Been thanked: 652 times

Re: Реверсивний змішувач

Повідомлення UR5FFR »

Якесь дивне навантаження у вас в анодах. Ви цей ланцюг L2C8R5L4C6R6C9R7 моделювали чи макетували? Чому не зробити простіше - поставити в анод дросель паралельно з резистором та підібрати їх щоб була рівномірна АЧХ?
twskm
Повідомлень: 37
З нами з: Пон жовтня 16, 2023 5:26 pm

Re: Реверсивний змішувач

Повідомлення twskm »

Це схема заживлення аперіодичного підсилювача, вона працює. Є в неті але на ру сайті. Інші методи заживлення не дають такої широкої полоси, 1,5-30 МГц. С6 R6 C9 можно просто одним  С6 обійтись 
 
Відповісти