Новий погляд на архітектуру UW3DI

oldPsyho
Повідомлень: 634
З нами з: П'ят жовтня 14, 2022 4:13 pm
Звідки: KO40ig
Позивний: UR5XOU
Has thanked: 183 times
Been thanked: 70 times

Re: Новий погляд на архітектуру UW3DI

Повідомлення oldPsyho »

UR5FFR писав: Нед лютого 02, 2025 9:49 pm
UR5VFT писав: Нед лютого 02, 2025 5:19 pm - Андрій. а можете порахувати для другої пч 6мгц..73!

 
Я рахував - там усе погано. Ті частоти що я навів більш-менш оптимальні
 

 
Я так розумію, 10.7-11 мгц теж в прольоті?
 
UR5FFR
Повідомлень: 1356
З нами з: Пон вересня 12, 2022 4:04 pm
Has thanked: 120 times
Been thanked: 756 times

Re: Новий погляд на архітектуру UW3DI

Повідомлення UR5FFR »

oldPsyho писав: Пон лютого 03, 2025 11:52 am Я так розумію, 10.7-11 мгц теж в прольоті?
Не зовсім. Ось розрахунки для другої ПЧ 10.7. Першу ПЧ слід вибирати у діапазоні 5,5-6,5МГц
if 10700.png
if 10700.png (48.72 Кіб) Переглянуто 59970 разів
Друга ПЧ з розповсюджених кварців на 11,059МГц. Перша ПЧ трохи вища - 6-6,5МГц.
if 11059.png
if 11059.png (33.8 Кіб) Переглянуто 59970 разів
У обох випадках можуть бути проблеми з пролазом на діапазоні 40 метрів бо перша ПЧ дуже близько.
Усе рахується за допомогою IF Spurs calculator
 
UR5FFR
Повідомлень: 1356
З нами з: Пон вересня 12, 2022 4:04 pm
Has thanked: 120 times
Been thanked: 756 times

Re: Новий погляд на архітектуру UW3DI

Повідомлення UR5FFR »

Ще один варіант (до речі дуже гарний) для другої ПЧ 10.7МГц. Перша ПЧ при цьому становить 4,5-5МГц, другий гетеродин працює у діапазоні 5,7-6,2МГц
 
 
Вкладення
if 10700 2.png
if 10700 2.png (39.61 Кіб) Переглянуто 52729 разів
oldPsyho
Повідомлень: 634
З нами з: П'ят жовтня 14, 2022 4:13 pm
Звідки: KO40ig
Позивний: UR5XOU
Has thanked: 183 times
Been thanked: 70 times

Re: Новий погляд на архітектуру UW3DI

Повідомлення oldPsyho »

UR5VFT писав: Чет січня 23, 2025 10:30 pm - складність потім знайти всі кварці для КГ. Андрій за змішувачами. чому сигнали генераторів не подаєте на окремий порт  по Реду і може відразу робити на ключах або на діодах високого рівня? по посиленню каскадів, що прийде на підсилювач. після другого змішувача..73!
 

 
теоретично можна квацову підставку та опорнік виконати на Si5351+Attiny85.
 
UT8AS
Повідомлень: 105
З нами з: Сер вересня 14, 2022 8:37 am
Позивний: UT8AS
Has thanked: 52 times
Been thanked: 42 times

Re: Новий погляд на архітектуру UW3DI

Повідомлення UT8AS »

oldPsyho писав: Чет березня 06, 2025 10:25 pm
...опорнік виконати на Si5351...
 
 
 
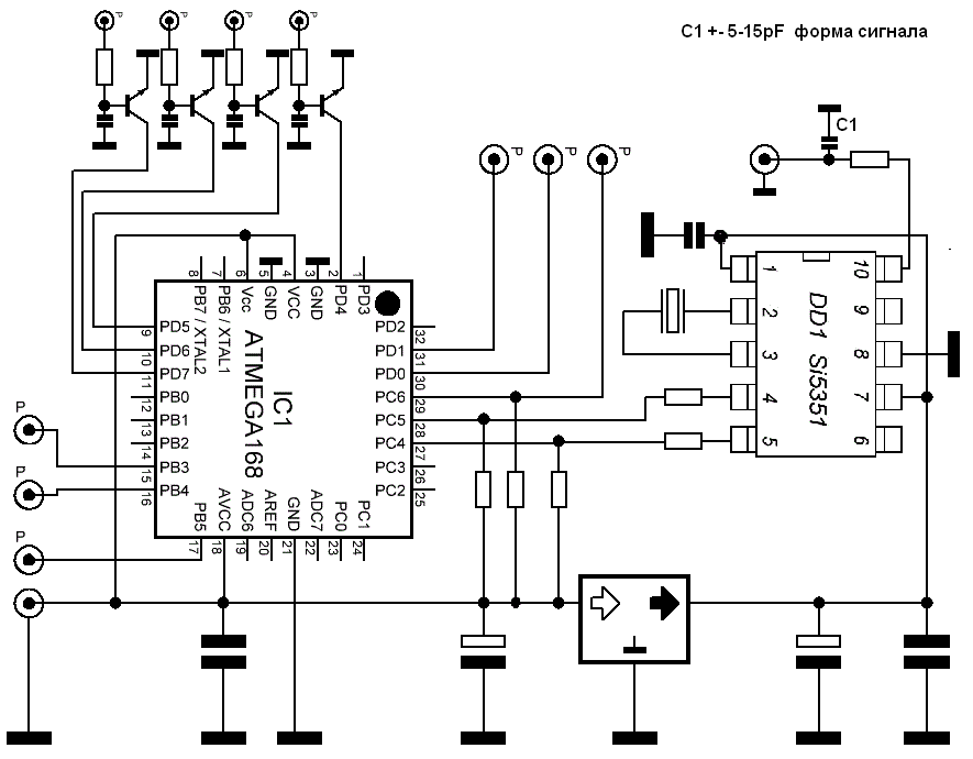
Вітаю! Я колись зробив собі опору для нового MiniYES-а на Si5351+Atmega168, якщо когось зацікавить...
BFO Si5351+Atm328 монт.GIF
 
BFO cx 2.GIF
UR5FFR
Повідомлень: 1356
З нами з: Пон вересня 12, 2022 4:04 pm
Has thanked: 120 times
Been thanked: 756 times

Re: Новий погляд на архітектуру UW3DI

Повідомлення UR5FFR »

oldPsyho писав: Чет березня 06, 2025 10:25 pm теоретично можна квацову підставку та опорнік виконати на Si5351+Attiny85.
Нагадую що
UR5FFR писав: П'ят січня 17, 2025 6:36 pmми будуємо трансівер з суто аналоговим гетеродином
Тому ніяких сішек та ддсок.
UR5VFT
Повідомлень: 514
З нами з: Вів січня 17, 2023 6:22 pm
Позивний: UR5VFT
Has thanked: 494 times
Been thanked: 106 times

Re: Новий погляд на архітектуру UW3DI

Повідомлення UR5VFT »

UR5FFR писав: П'ят березня 07, 2025 12:14 pm
oldPsyho писав: Чет березня 06, 2025 10:25 pm теоретично можна квацову підставку та опорнік виконати на Si5351+Attiny85.

 
Нагадую що
UR5FFR писав: П'ят січня 17, 2025 6:36 pmми будуємо трансівер з суто аналоговим гетеродином

 
Тому ніяких сішек та ддсок.

 
а цапч чи макіївська для стабілізації частоти буде?
UR5FFR
Повідомлень: 1356
З нами з: Пон вересня 12, 2022 4:04 pm
Has thanked: 120 times
Been thanked: 756 times

Re: Новий погляд на архітектуру UW3DI

Повідомлення UR5FFR »

UR5VFT писав: П'ят березня 07, 2025 1:23 pm а цапч чи макіївська для стабілізації частоти буде?
 
ЦАПЧ досить стабільно утримує частоту ГПД. Який сенс тоді городити декілька перетворювань? UW3DI це для варіанту коли в ГПД лише параметрична стабілізація частоти. Тому й частота ГПД досить низька робиться. А якщо в ГПД ЦАПЧ (наприклад huff&puff) то тоді простіше робити з одним перетворенням
 
UR5VFT
Повідомлень: 514
З нами з: Вів січня 17, 2023 6:22 pm
Позивний: UR5VFT
Has thanked: 494 times
Been thanked: 106 times

Re: Новий погляд на архітектуру UW3DI

Повідомлення UR5VFT »

- для варіанту коли в ГПД лише параметрична стабілізація частоти. Тому й частота ГПД досить низька робиться.-

 - згоден. Однак для такого стабільного ГПД потрібно стабілізатор анодного (накального бажано)  спец котушка. спеціалізована ємність. конденсатори з різними тке і головне багато часу. не у всіх це виходило. а простий цапч вирішує проблему стабільності.тим більше зараз віддадуть перевагу ЦШ, а не механічній шкалі. 73!
 
 
oldPsyho
Повідомлень: 634
З нами з: П'ят жовтня 14, 2022 4:13 pm
Звідки: KO40ig
Позивний: UR5XOU
Has thanked: 183 times
Been thanked: 70 times

Re: Новий погляд на архітектуру UW3DI

Повідомлення oldPsyho »

UR5FFR писав: П'ят березня 07, 2025 12:14 pm
oldPsyho писав: Чет березня 06, 2025 10:25 pm теоретично можна квацову підставку та опорнік виконати на Si5351+Attiny85.

 
Нагадую що
UR5FFR писав: П'ят січня 17, 2025 6:36 pmми будуємо трансівер з суто аналоговим гетеродином

 
Тому ніяких сішек та ддсок.

 
Так сєкундочку, ГПД ж ніхто не чіпає, я ж про опорніка та кварцові підставки))
 
Відповісти