Каталог схем трансиверів.

UR5VCP
Повідомлень: 447
З нами з: Пон вересня 12, 2022 6:14 pm
Звідки: KN48wi
Позивний: UR5VCP
Has thanked: 83 times
Been thanked: 8 times
Контактна інформація:

Каталог схем трансиверів.

Повідомлення UR5VCP »

Друзі, буду помаленько викладати схеми трансиверів. Різні, всякі. Принцип пропоную простий:
- ніякого обговорення тут! Обговорювати тільки в інших або нових топіках!
- одне повідомлення - одна схема (ну вже якщо так картинок багато - то відповідно і заголовок повідомлення ч1 ч2 ч3)
- приєднуйтесь!
 
UR5VCP
Повідомлень: 447
З нами з: Пон вересня 12, 2022 6:14 pm
Звідки: KN48wi
Позивний: UR5VCP
Has thanked: 83 times
Been thanked: 8 times
Контактна інформація:

Re: Каталог схем трансиверів.

Повідомлення UR5VCP »

UR5VCP
Повідомлень: 447
З нами з: Пон вересня 12, 2022 6:14 pm
Звідки: KN48wi
Позивний: UR5VCP
Has thanked: 83 times
Been thanked: 8 times
Контактна інформація:

Re: Каталог схем трансиверів.

Повідомлення UR5VCP »

UR5VCP
Повідомлень: 447
З нами з: Пон вересня 12, 2022 6:14 pm
Звідки: KN48wi
Позивний: UR5VCP
Has thanked: 83 times
Been thanked: 8 times
Контактна інформація:

Re: Каталог схем трансиверів.

Повідомлення UR5VCP »

US5MSQ МЛ TRX ver.2.6.GIF
 Архів з подробицями: 
US5MSQ МЛ TRX. Дока по состоянию на 09.2016.zip
(1.34 МіБ) Завантажено 863 разів
 Сайт Автора конструкції
 
UR5VCP
Повідомлень: 447
З нами з: Пон вересня 12, 2022 6:14 pm
Звідки: KN48wi
Позивний: UR5VCP
Has thanked: 83 times
Been thanked: 8 times
Контактна інформація:

Re: Каталог схем трансиверів.

Повідомлення UR5VCP »

Тут блок-схема, повний опис в архіві нижче
Screenshot_56.jpg
 Опис: 
UW4HZ.rar
(246.08 Кіб) Завантажено 906 разів
 
 
UR5VCP
Повідомлень: 447
З нами з: Пон вересня 12, 2022 6:14 pm
Звідки: KN48wi
Позивний: UR5VCP
Has thanked: 83 times
Been thanked: 8 times
Контактна інформація:

Re: Каталог схем трансиверів.

Повідомлення UR5VCP »

UX4CZ.JPG
 
UR5VCP
Повідомлень: 447
З нами з: Пон вересня 12, 2022 6:14 pm
Звідки: KN48wi
Позивний: UR5VCP
Has thanked: 83 times
Been thanked: 8 times
Контактна інформація:

Re: Каталог схем трансиверів.

Повідомлення UR5VCP »

Интерполяционный RX.JPG
 
UR5VCP
Повідомлень: 447
З нами з: Пон вересня 12, 2022 6:14 pm
Звідки: KN48wi
Позивний: UR5VCP
Has thanked: 83 times
Been thanked: 8 times
Контактна інформація:

Re: Каталог схем трансиверів.

Повідомлення UR5VCP »

КВ-трансивер UA1FA (Часть 1).jpg
 частинка 1
КВ-трансивер UA1FA (Часть 2).jpg
 частинка 2
UR5VCP
Повідомлень: 447
З нами з: Пон вересня 12, 2022 6:14 pm
Звідки: KN48wi
Позивний: UR5VCP
Has thanked: 83 times
Been thanked: 8 times
Контактна інформація:

Re: Каталог схем трансиверів.

Повідомлення UR5VCP »

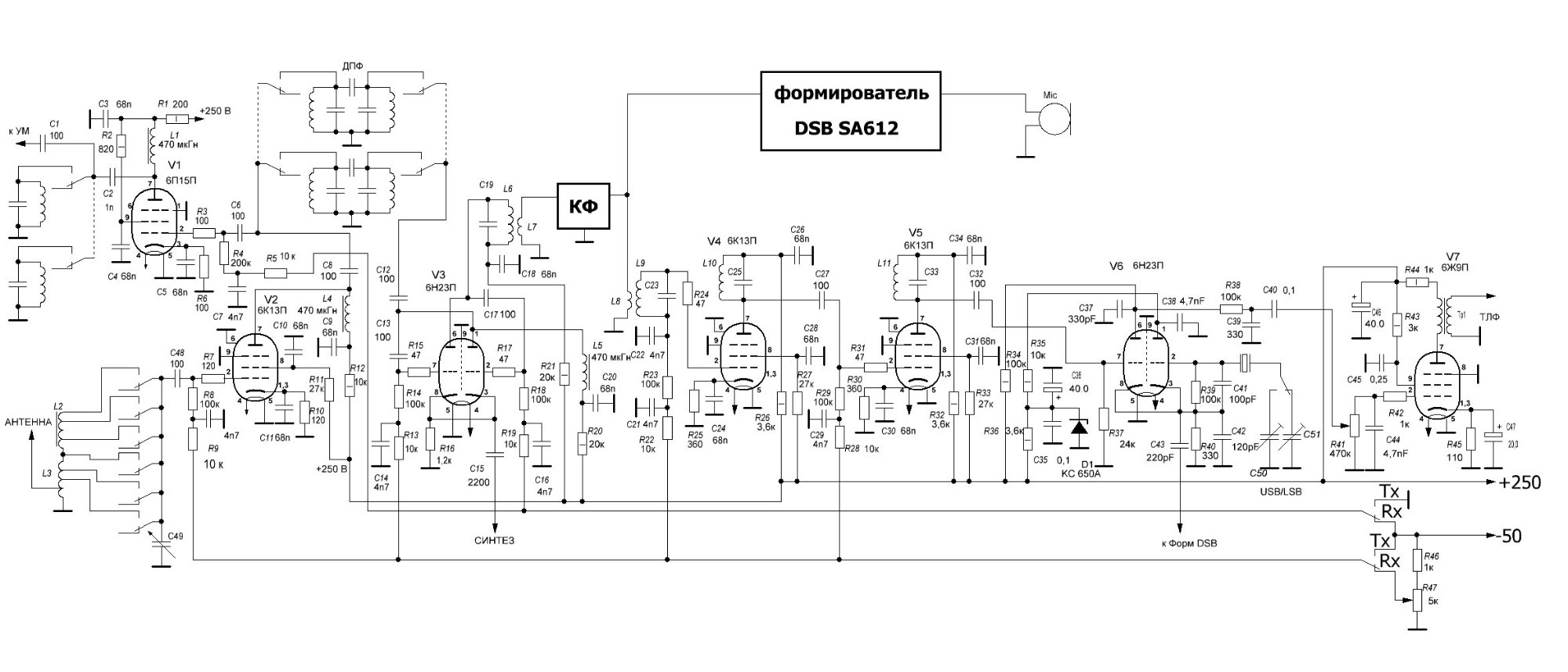
ламповый RX.gif
 
UR5VCP
Повідомлень: 447
З нами з: Пон вересня 12, 2022 6:14 pm
Звідки: KN48wi
Позивний: UR5VCP
Has thanked: 83 times
Been thanked: 8 times
Контактна інформація:

Re: Каталог схем трансиверів.

Повідомлення UR5VCP »

Приёмник на 6Ж1П+6Ж2П.JPG
 
UR5VCP
Повідомлень: 447
З нами з: Пон вересня 12, 2022 6:14 pm
Звідки: KN48wi
Позивний: UR5VCP
Has thanked: 83 times
Been thanked: 8 times
Контактна інформація:

Re: Каталог схем трансиверів.

Повідомлення UR5VCP »

ретро TRX.JPG
 
Відповісти