Трансивер на надмініатюрних лампах

UR5VCP
Повідомлень: 447
З нами з: Пон вересня 12, 2022 6:14 pm
Звідки: KN48wi
Позивний: UR5VCP
Has thanked: 83 times
Been thanked: 8 times
Контактна інформація:

Re: Трансивер на надмініатюрних лампах

Повідомлення UR5VCP »

Ut5lp писав: Нед червня 18, 2023 4:48 pmОй-о-йоЙ(с)
При такій архетектурі з міксера ТХ ,крім запирання,потрібно знімати  сигнал BFO (навіть через закриті лампи він пролізе! ППЧ має КУ!)
Сигнал на мікс ТХ ,слід брати з першого каскада ППЧ.
А тепер mixTX i driver .Тут два варіанти: 
1.або брати на катод драйверу з відводу котушок(цей варіант буде з недостатньою смугою)
2.П,або Г ланцюги узгоджування(між анодом міксера і ікатодом драйвера)вони  легко вираховуються в RFsim99.
Буде не три реле...а шість  :?
 



 
посадити реле, яке буде вихід на масу замикати, або того, або іншого міксера, в мене вистачає їх.
можна з першого, можна підсилення на ТХ прибирати по сітках, побачимо, якщо не буде спотворень.
так, про ланцюжок як то сказати, "думав, але побоявся запитати"  :D
 Там рівні не маленькі, може просто резисторами, але хз.
 
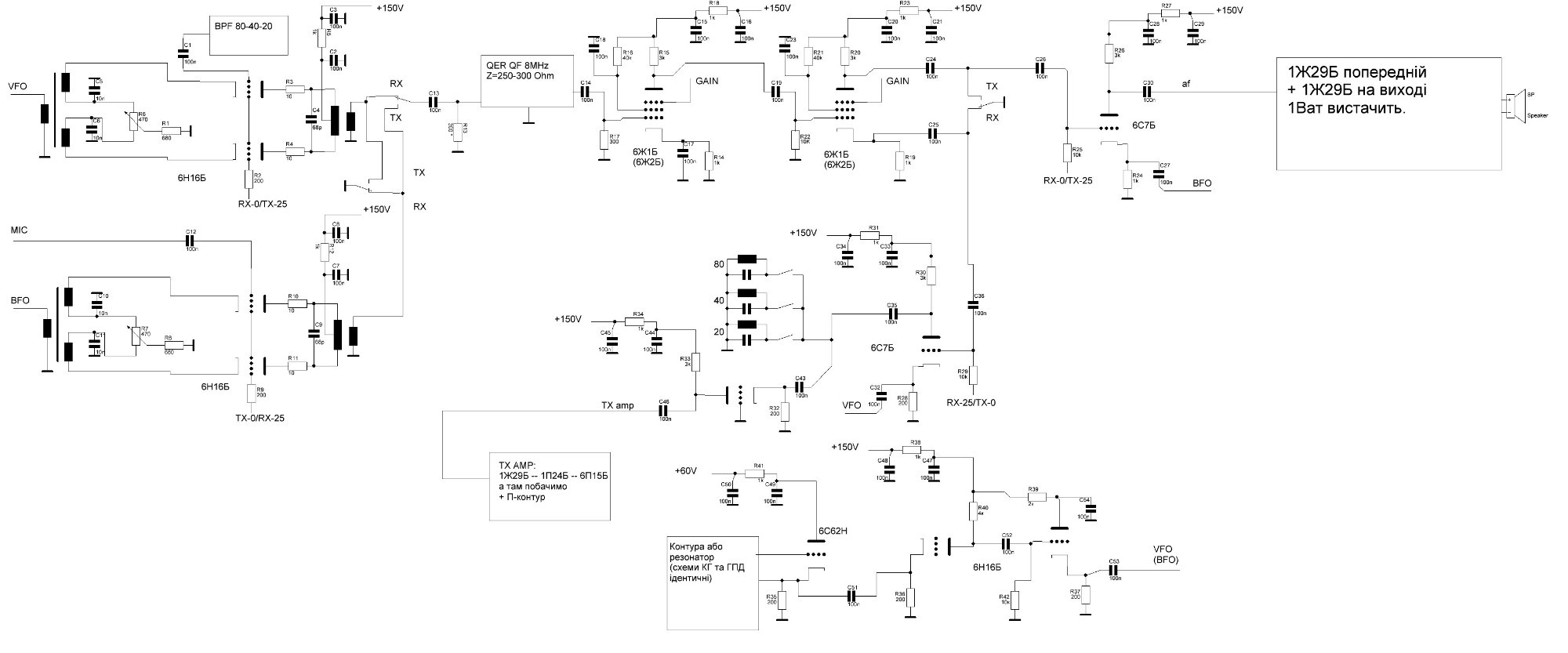
tube_trx.JPG
 Добавиться одне реле на дві групи, а скоріш за все два, так щоб одне на інше не мало впливу. Реле то не проблема.

Можна між міксером передачі та драйвером посадити резисторами узгодження, чи переробити схему каскада кардинально?
 
 
UR5FFR
Повідомлень: 1291
З нами з: Пон вересня 12, 2022 4:04 pm
Has thanked: 104 times
Been thanked: 685 times

Re: Трансивер на надмініатюрних лампах

Повідомлення UR5FFR »

По останній схемі
1. 6Ж1 по третій сітці не регулюється від слова ніяк. Тільки 6Ж2 або 6Ж10
2. На передачу в тебе каскад з ОК на 6С7Б, навантажений на паралельний контур а далі каскад с ОС, який має досить низький вхідний опір, та буде шунтувати контур і знижувати підсилення попереднього каскаду
3. R15 замінити на контур, а R20  - на дросель. При цьому не забути про режим по постійному струму
4. Я нарахував 14 ламп. Не забагато для "нескладної" конструкції? :) Вона по накалу буде жерти більш ніж віддавати в антену :)

PS Ти спеціально так схему намалював щоб максимально ускладнити її обговорення? Де нумерація?
oldPsyho
Повідомлень: 619
З нами з: П'ят жовтня 14, 2022 4:13 pm
Звідки: KO40ig
Позивний: UR5XOU
Has thanked: 174 times
Been thanked: 67 times

Re: Трансивер на надмініатюрних лампах

Повідомлення oldPsyho »

UR5FFR писав: Нед червня 18, 2023 9:40 pm По останній схемі
1. 6Ж1 по третій сітці не регулюється від слова ніяк. Тільки 6Ж2 або 6Ж10
2. На передачу в тебе каскад з ОК на 6С7Б, навантажений на паралельний контур а далі каскад с ОС, який має досить низький вхідний опір, та буде шунтувати контур і знижувати підсилення попереднього каскаду
3. R15 замінити на контур, а R20  - на дросель. При цьому не забути про режим по постійному струму
4. Я нарахував 14 ламп. Не забагато для "нескладної" конструкції? :) Вона по накалу буде жерти більш ніж віддавати в антену :)

PS Ти спеціально так схему намалював щоб максимально ускладнити її обговорення? Де нумерація?

 
Я нарахував 9 ламп))
 
UR5VCP
Повідомлень: 447
З нами з: Пон вересня 12, 2022 6:14 pm
Звідки: KN48wi
Позивний: UR5VCP
Has thanked: 83 times
Been thanked: 8 times
Контактна інформація:

Re: Трансивер на надмініатюрних лампах

Повідомлення UR5VCP »

UR5FFR писав: Нед червня 18, 2023 9:40 pm По останній схемі
1. 6Ж1 по третій сітці не регулюється від слова ніяк. Тільки 6Ж2 або 6Ж10
2. На передачу в тебе каскад з ОК на 6С7Б, навантажений на паралельний контур а далі каскад с ОС, який має досить низький вхідний опір, та буде шунтувати контур і знижувати підсилення попереднього каскаду
3. R15 замінити на контур, а R20  - на дросель. При цьому не забути про режим по постійному струму
4. Я нарахував 14 ламп. Не забагато для "нескладної" конструкції? :) Вона по накалу буде жерти більш ніж віддавати в антену :)

PS Ти спеціально так схему намалював щоб максимально ускладнити її обговорення? Де нумерація?


 
1 - прийнято, в процессі вирішення
2 - так, там або узгодити або замість ОС робити ОА, там підсилення і так забагато
3 - не зовсім поняв. попробую сам дойти
4 - пофіг, зато прикольно

PS - виправлю ))

PPS -  а 1Ж29Б, 24Б? Там гимор з накалоом, правда? не варто пробувати?
 
UR5FFR
Повідомлень: 1291
З нами з: Пон вересня 12, 2022 4:04 pm
Has thanked: 104 times
Been thanked: 685 times

Re: Трансивер на надмініатюрних лампах

Повідомлення UR5FFR »

UR5VCP писав: Нед червня 18, 2023 10:10 pm 3 - не зовсім поняв. попробую сам дойти

 
В тебе аперіодичний підсилювач, який буде підсилювати усе шо йому попаде на вхід. А треба зробити резонансний щоб він тільки ПЧ підсилював. Андерстенд?
UR5VCP
Повідомлень: 447
З нами з: Пон вересня 12, 2022 6:14 pm
Звідки: KN48wi
Позивний: UR5VCP
Has thanked: 83 times
Been thanked: 8 times
Контактна інформація:

Re: Трансивер на надмініатюрних лампах

Повідомлення UR5VCP »

UR5FFR писав: Нед червня 18, 2023 10:17 pm
UR5VCP писав: Нед червня 18, 2023 10:10 pm 3 - не зовсім поняв. попробую сам дойти


 
В тебе аперіодичний підсилювач, який буде підсилювати усе шо йому попаде на вхід. А треба зробити резонансний щоб він тільки ПЧ підсилював. Андерстенд?

 
Так точно. Я просто думав там вистачить і не резонансної системи, бікоз на сітку йде сигнал відфільтрований. Але суперечити не буду, фігня вопрос, на 8 мгц контур поставити.
 
UR5VCP
Повідомлень: 447
З нами з: Пон вересня 12, 2022 6:14 pm
Звідки: KN48wi
Позивний: UR5VCP
Has thanked: 83 times
Been thanked: 8 times
Контактна інформація:

Re: Трансивер на надмініатюрних лампах

Повідомлення UR5VCP »

і да, якщо все порахувати то 16 ламп, не рахуючи перетворювача та гетеродина і діодів для АРУ, а також детектора на ТХ для компресії, тобто мікрофонного ару. Так шо не 9 і не 11
Зате прикольно.
Зато легко настроїти, по каскадах мінімальне підсилення, і мінімум самоблуда і т д.

 
oldPsyho
Повідомлень: 619
З нами з: П'ят жовтня 14, 2022 4:13 pm
Звідки: KO40ig
Позивний: UR5XOU
Has thanked: 174 times
Been thanked: 67 times

Re: Трансивер на надмініатюрних лампах

Повідомлення oldPsyho »

UR5VCP писав: Нед червня 18, 2023 10:22 pm і да, якщо все порахувати то 16 ламп, не рахуючи перетворювача та гетеродина і діодів для АРУ, а також детектора на ТХ для компресії, тобто мікрофонного ару. Так шо не 9 і не 11
Зате прикольно.
Зато легко настроїти, по каскадах мінімальне підсилення, і мінімум самоблуда і т д.

 

 
і зимою є біля чого погрітися))
 
UR5FFR
Повідомлень: 1291
З нами з: Пон вересня 12, 2022 4:04 pm
Has thanked: 104 times
Been thanked: 685 times

Re: Трансивер на надмініатюрних лампах

Повідомлення UR5FFR »

UR5VCP писав: Нед червня 18, 2023 10:22 pm Зато легко настроїти, по каскадах мінімальне підсилення, і мінімум самоблуда і т д.

 
Ага, це теорія. А реальність - об'ємний монтаж, резонансні каскади з високим вхідним опором, пролази та інші негаразди :)
UR5VCP
Повідомлень: 447
З нами з: Пон вересня 12, 2022 6:14 pm
Звідки: KN48wi
Позивний: UR5VCP
Has thanked: 83 times
Been thanked: 8 times
Контактна інформація:

Re: Трансивер на надмініатюрних лампах

Повідомлення UR5VCP »

UR5FFR писав: Нед червня 18, 2023 10:32 pm
UR5VCP писав: Нед червня 18, 2023 10:22 pm Зато легко настроїти, по каскадах мінімальне підсилення, і мінімум самоблуда і т д.


 
Ага, це теорія. А реальність - об'ємний монтаж, резонансні каскади з високим вхідним опором, пролази та інші негаразди :)

 
я потім покажу. тобі сподобається. І мене цей... Дідусь від пролазів та проблем з каскадами заговорив. Він може.
На даний час, коригуватиму схему, і буду радий падказкам.

ЗІЖ Прийшли логарифмічні адшки, перемикаюся на допилювання гсс. Андрію, робити один каскад на -20 дБ, на вихід? Чи спочатку відтанцювати шо воно вмітиме, а потім вже робити дільники?

Я мабудь поміряю який рівень буде через ті, що є каскади на 998, (в мене є зовнішній атт на -70 з кроком 1), а там вже буду думати що далі, так?

ОФТОП, ну я ТС, мені можна. Підпиляю гсс - відпишуся в відповідному топіку. 
(Як би це зима була, то сутками робив би, а тут робота... вибачайте, друзі... )
 
Відповісти