Приймач RX998.

Відповісти
Аватар користувача
Володимир
Повідомлень: 51
З нами з: Сер вересня 14, 2022 12:14 am
Звідки: Умань
Позивний: UR5CAF
Has thanked: 8 times
Been thanked: 13 times

Приймач RX998.

Повідомлення Володимир »

Тут буду описувати конструкцію приймача RX998 автора UR5FFR.
Замовив у китайців плати власної компоновки, двосторонні, СМД 0805.
Main.JPG
Main.JPG (359.54 Кіб) Переглянуто 76867 разів
 Синтезатор також трохи перекомпонував
 
Sintez.JPG
Sintez.JPG (124.47 Кіб) Переглянуто 76867 разів
 Розробляв під корпус D110A.
Демонстрація роботи ситезетора на відео.

 
 
 
master_yogurt
Повідомлень: 22
З нами з: Нед жовтня 23, 2022 12:16 am
Been thanked: 2 times

Re: Приймач RX998.

Повідомлення master_yogurt »

Чи є у Вас плати на продаж? Як просувається проект?
 
Аватар користувача
Володимир
Повідомлень: 51
З нами з: Сер вересня 14, 2022 12:14 am
Звідки: Умань
Позивний: UR5CAF
Has thanked: 8 times
Been thanked: 13 times

Re: Приймач RX998.

Повідомлення Володимир »

Плати є. Пізніше, коли все надворі замерзне в прямому сенсі, буду продовжувати зборку приймача. Налаштую поки собі, зніму номінали ємностей і індуктивностей в ДПФ і ПВЧ, складу повну документацію і розпродам залишки плат. Ціна буде демократична. Поки нема часу займатись ним.
master_yogurt
Повідомлень: 22
З нами з: Нед жовтня 23, 2022 12:16 am
Been thanked: 2 times

Re: Приймач RX998.

Повідомлення master_yogurt »

Бажаю Вам успіхів в налаштуванні приймача! Якщо будете продавати плати, то я перший в черзі) Пишіть: uw3di5@gmail.com
 
Medvedjo
Повідомлень: 1
З нами з: Чет грудня 15, 2022 2:04 pm
Позивний: UR6LMF

Re: Приймач RX998.

Повідомлення Medvedjo »

Підскажіть, антенний вхід 50 ом. ? Чі можно на звичайний телескоп приймати ?
Аватар користувача
Володимир
Повідомлень: 51
З нами з: Сер вересня 14, 2022 12:14 am
Звідки: Умань
Позивний: UR5CAF
Has thanked: 8 times
Been thanked: 13 times

Re: Приймач RX998.

Повідомлення Володимир »

Medvedjo писав: Пон грудня 26, 2022 12:54 am Підскажіть, антенний вхід 50 ом. ? Чі можно на звичайний телескоп приймати ?

 
Антенний вхід розраховано на прийом на телескопічну антену. На вході резонансний ПВЧ, налаштований на діапазони з розкладеною антеною.
Аватар користувача
Володимир
Повідомлень: 51
З нами з: Сер вересня 14, 2022 12:14 am
Звідки: Умань
Позивний: UR5CAF
Has thanked: 8 times
Been thanked: 13 times

Re: Приймач RX998.

Повідомлення Володимир »

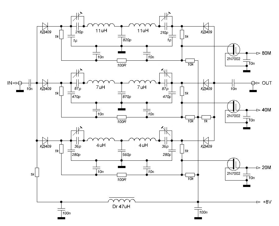
Ось що вийшло.Приймач працює нормально, зараз на єтапі підлаштування. Роблю наскоками - нема багато часу. Пізніше замовлю електроліти СМД 470мкФх10В і заміню. ДПФ вийшов на айс, згасання в полосі біля 13дБ, але приймає станції норм. Борюсь з возбудом по НЧ, від дисплея іде фон, який підриває на возбуд каскади НЧ. Конденсаторами і дроселями задавив майже в нуль. Ще хочу трохи добавити підсилення, але іде підрив на возбуд. Треба думати. Бо без нього неправильно працює АРУ. А так - нічого. Я задоволений. Ввечері надворі гарно чути 40-ку, Європа добре йде. На 20-ці, коли контести, також добре чути. 80м нама кого слухати: станцій багато але всі кацапи. Місцеві станції проходять дуже гучно. Даю фотки.
P.S. Є лишні плати, пишіть в ПП.
 
 
 
 
 
Вкладення
1.jpg
3.jpg
4.jpg
5.jpg
7.jpg
9.jpg
10.jpg
12.jpg
UR5FFR
Повідомлень: 1338
З нами з: Пон вересня 12, 2022 4:04 pm
Has thanked: 113 times
Been thanked: 750 times

Re: Приймач RX998.

Повідомлення UR5FFR »

Володимир писав: П'ят березня 31, 2023 4:33 pm ДПФ вийшов на айс, згасання в полосі біля 13дБ, але приймає станції норм.
 
А де схема ДПФ? Судячи з печатки там Т-образні двоконтурні? Якщо так то дуже великі номінали індуктивностей. У результаті ДПФ мають вузьку смугу та треба ставити підстроювальні конденсатори і проводити налаштування з допомогою NWT. Але тримерів я не бачу. Тому ДПФ не налаштований через відхилення значення від номіналу. Якщо все так то його треба перерахувати та зробити більш широкосмуговим.
PS де купували СМД-дросселі?
Аватар користувача
Володимир
Повідомлень: 51
З нами з: Сер вересня 14, 2022 12:14 am
Звідки: Умань
Позивний: UR5CAF
Has thanked: 8 times
Been thanked: 13 times

Re: Приймач RX998.

Повідомлення Володимир »

Налаштовував за допомогою NWT, схему даю. підстроювальні конденсатори ставив тільки на момент настройки, потім випаював, міряв його ємність і ставив в плату вже кераміку. На схемі номінали такі, які спаяно в плату, підстроювальні конденсатори без номіналу. Дроселі десь брав в інтернеті. MURATA, СМД 1210. Пробував мотати на кільцях 7х4х2.5 1000НМ - без змін.
 
Вкладення
ДПФ.jpg
Андрій_UR3ILF
Повідомлень: 88
З нами з: Суб жовтня 01, 2022 6:36 pm
Звідки: Царичанка
Позивний: UR3ILF
Has thanked: 18 times
Been thanked: 62 times
Контактна інформація:

Re: Приймач RX998.

Повідомлення Андрій_UR3ILF »

Володимир писав: П'ят березня 31, 2023 4:33 pmОсь що вийшло. 
 
Гарно вийшло.
Володимир писав: П'ят березня 31, 2023 4:33 pm ДПФ вийшов на айс, згасання в полосі біля 13дБ, але приймає станції норм. 
 
Це дуже багато. У мене було близько 3дБ  с дiодами КД409. Доступнi 1N4148 працуют теж.
На гугл диску є скрини та файли симуляції. Збіг гарний.
https://drive.google.com/drive/folders/ ... sp=sharing
Я використовую кільця 20ВЧ К4х2,5х1,5 так як колись мені їх насипали не багато. Зручно тим, що можна витками отримувати необхідну індуктивність та використовувати без екранування.

Ще восени я написав нову програму у якій вже немає МСР4725.
Використовую ШІМ виходи атмеги та RC фiльтр потiм для управлiння. Також вхiдний пiдсилювач буде з варикапом, а перекриття планую 1.5-30 МГц. Нове меню зроблено, контроль батареї, оперативна пiдстройка варикапа. Без дефiцитних деталей щоб все було.
Корпус є, деталi теж но не все поки можу робити не маючи iнструментiв якi мав дома. 
 
 
 
Відповісти