Радіоприймач ТАЙФУН М
Радіоприймач ТАЙФУН М
Радіоприймач розрахований на прослуховувуння SSB та АМ радіостанцій в діапазоні від 100 кГц до 30 мГц і зібраний на доступній елементній базі.На ваш розгляд пропонується закінчена конструкція,яка вже 2 роки експлуатується з антеною "CITY WINDOM" на 40 м.
В якості синтезатора використовується синтезатор "ЕЖИК S2",але можна взяти інший який видає чатоти 45,6...75.5 МГц,45 та 46 МГц та код ABCD для перемикання діапазонів.
Всі ВЧ каскади змонтовані в окремих екранованих відсіках з фольгованого склотекстоліту. Корпус від вольтметра В7-16А. Для налагодження використовувся NWT-7 та саморобний атенюатор.
Зовнішній вигляд:
В якості синтезатора використовується синтезатор "ЕЖИК S2",але можна взяти інший який видає чатоти 45,6...75.5 МГц,45 та 46 МГц та код ABCD для перемикання діапазонів.
Всі ВЧ каскади змонтовані в окремих екранованих відсіках з фольгованого склотекстоліту. Корпус від вольтметра В7-16А. Для налагодження використовувся NWT-7 та саморобний атенюатор.
Зовнішній вигляд:
-
UR5FFR
- Повідомлень: 1311
- З нами з: Пон вересня 12, 2022 4:04 pm
- Has thanked: 107 times
- Been thanked: 719 times
Re: Радіоприймач ТАЙФУН М
Деякі моменти по схемі
- КТ646 в ПВЧ краще замінити на КТ606/610 або якийсь СВЧ типа BFG591.
- BF961 коштує зараз дуже дорого, скоріше за все його можна замінити на BF998
- після першого змішувача бажано поставити діплексер - він прибере попаданні зайвого сміття в post-mixer amplifier
- якщо вижимати максимум динамічного діапазону то перший змішувач треба робити з комутацією ключей на землю
- не зовсім зрозуміло як перший КФ узгоджується - там мабуть повинні бути котушки паралельно С65С66
- КП903 після другого змішувача виглядає дещо дивно бо після першого у Вас стоїть четвірка J310. на мій погляд там теж проситься 4ка або пара J310 для уніфікаціїї, бо КП903 зараз купити досить проблематично та не дешево
- два ЕМФи на АМ з смугою 6кГц ще більше звузять смугу пропускання. тобто ніякого якісного прослуховування мовних станцій АМ діапазону не буде бо після детектору вийде смуга НЧ десь 2,5кГц. тут треба шукати ЕМФ на 9кГц та ставити лише один.
- КТ646 в ПВЧ краще замінити на КТ606/610 або якийсь СВЧ типа BFG591.
- BF961 коштує зараз дуже дорого, скоріше за все його можна замінити на BF998
- після першого змішувача бажано поставити діплексер - він прибере попаданні зайвого сміття в post-mixer amplifier
- якщо вижимати максимум динамічного діапазону то перший змішувач треба робити з комутацією ключей на землю
- не зовсім зрозуміло як перший КФ узгоджується - там мабуть повинні бути котушки паралельно С65С66
- КП903 після другого змішувача виглядає дещо дивно бо після першого у Вас стоїть четвірка J310. на мій погляд там теж проситься 4ка або пара J310 для уніфікаціїї, бо КП903 зараз купити досить проблематично та не дешево
- два ЕМФи на АМ з смугою 6кГц ще більше звузять смугу пропускання. тобто ніякого якісного прослуховування мовних станцій АМ діапазону не буде бо після детектору вийде смуга НЧ десь 2,5кГц. тут треба шукати ЕМФ на 9кГц та ставити лише один.
Re: Радіоприймач ТАЙФУН М
Конструювання радиоприймача завжди потребує компромісів. В даному випадку "слабким" місцем є синтезатор на двух SI5351 та електромеханічниі фільтри.Для зменшення перешкод від синтезатора з кожної SI5351 сигнал береться тільки з одного виходу (VFO і BFO1), а генератор на 500кГц зроблений кварцованим. Це дозволило зменшити рівень перешкод від синтезатора. Тепер відповідь на коментар:
- ПВЧ розраховував по РЕДУ на вхідний та вихідний опір 50 Ом.ПВЧ практично не користуюся,так як підсилення і так хватає. транзистор КТ646 вибраний як компромісний варіант, тому що купити КТ610 за адекватну ціну неможливо.
- Заміна BF961 на BF988 гірша, так як BF961 розрахований на встановлення в селектори телевізійних приймачів і має кращу регулюючу характеристику для АРП.
- За діплексер -згоден. Але після перетворювача непогано працюють каскади із загальним затвором.
- КФ просто узгоджується по данній схемі. З усіх схем які я бачив з такими фільтрами знаю тільки одну, де встановлені котушки. Це "Перестраюваємий преселектор 1 - 30 мГц з кварцевим фільтром" LY2BOK.
- У нашому місті можна купити демонтовані КП903 дешевше ніж виводні J310.
При наявності якісного синтезатора динаміку приймача можна значно покращити застосувавши каскади ПЧ і АРП від трансивера "Майстер 2014".
- ПВЧ розраховував по РЕДУ на вхідний та вихідний опір 50 Ом.ПВЧ практично не користуюся,так як підсилення і так хватає. транзистор КТ646 вибраний як компромісний варіант, тому що купити КТ610 за адекватну ціну неможливо.
- Заміна BF961 на BF988 гірша, так як BF961 розрахований на встановлення в селектори телевізійних приймачів і має кращу регулюючу характеристику для АРП.
- За діплексер -згоден. Але після перетворювача непогано працюють каскади із загальним затвором.
- КФ просто узгоджується по данній схемі. З усіх схем які я бачив з такими фільтрами знаю тільки одну, де встановлені котушки. Це "Перестраюваємий преселектор 1 - 30 мГц з кварцевим фільтром" LY2BOK.
- У нашому місті можна купити демонтовані КП903 дешевше ніж виводні J310.
При наявності якісного синтезатора динаміку приймача можна значно покращити застосувавши каскади ПЧ і АРП від трансивера "Майстер 2014".
-
UR5FFR
- Повідомлень: 1311
- З нами з: Пон вересня 12, 2022 4:04 pm
- Has thanked: 107 times
- Been thanked: 719 times
Re: Радіоприймач ТАЙФУН М
Про вивідні J310 потрібно забувати бо зараз це вже музейний експонат. А ось смд-версія MMBFJ310 на космодромі зараз коштує 7,50 за штуку. Для порівняння за КП903 просять 70-90грн в залежності від букви та беушності і без гарантії що він працює.
Стосовно регулюючої характеристики 998их в порівнянні з 961 - не згоден, бо 998мі так само розраховані на використання у тв-тюнерах. Тим паче що у вас АРП охоплює 4 каскади ППЧ на 961их - глибина АРП буде 100-120дб
Стосовно регулюючої характеристики 998их в порівнянні з 961 - не згоден, бо 998мі так само розраховані на використання у тв-тюнерах. Тим паче що у вас АРП охоплює 4 каскади ППЧ на 961их - глибина АРП буде 100-120дб
-
UR5VFT
- Повідомлень: 492
- З нами з: Вів січня 17, 2023 6:22 pm
- Позивний: UR5VFT
- Has thanked: 468 times
- Been thanked: 99 times
Re: Радіоприймач ТАЙФУН М
багато хто застосовував для прикладу.. 73!
- Вкладення
-
- Ю_Белоусов_TRX Роса-3 Р_Д№21_с_16-21.rar
- (57.76 Кіб) Завантажено 897 разів
-
UR5FFR
- Повідомлень: 1311
- З нами з: Пон вересня 12, 2022 4:04 pm
- Has thanked: 107 times
- Been thanked: 719 times
Re: Радіоприймач ТАЙФУН М
Узгодження за допомогою поділювачів на конденсаторах можливо але мені така схемотехніка не дуже подобається. Тут треба розуміти яке навантаження має підсилювач на четвірці 310х. У даному випадку це багато реактивності. А це може впливати на стабільність каскаду.
Треба розуміти що коли ми говоримо про опір КФ - то це тільки у полосі прозорості та ще коли фільтр правильно навантажен. На інших частотах там суцільна реактивність - кому цікаво - зробіть моделі КФ у RFsimm та подивиться.
І ще одна проблема на мій погляд у багатьох схемах - вихідний опір підсилювача перед КФ повинен дорівнювати опору самого КФ. Тобто вони повинні бути узгоджені. Якщо ми беремо ПТ та ставимо йому у сток дросель або трансформатор то вихідний опір такого каскаду буде становити декілька кОм. Якщо живити КФ від каскаду без узгодження то це приводить до нерівномірності АЧХ у полосі прозорості фільтра.
Треба розуміти що коли ми говоримо про опір КФ - то це тільки у полосі прозорості та ще коли фільтр правильно навантажен. На інших частотах там суцільна реактивність - кому цікаво - зробіть моделі КФ у RFsimm та подивиться.
І ще одна проблема на мій погляд у багатьох схемах - вихідний опір підсилювача перед КФ повинен дорівнювати опору самого КФ. Тобто вони повинні бути узгоджені. Якщо ми беремо ПТ та ставимо йому у сток дросель або трансформатор то вихідний опір такого каскаду буде становити декілька кОм. Якщо живити КФ від каскаду без узгодження то це приводить до нерівномірності АЧХ у полосі прозорості фільтра.
Re: Радіоприймач ТАЙФУН М
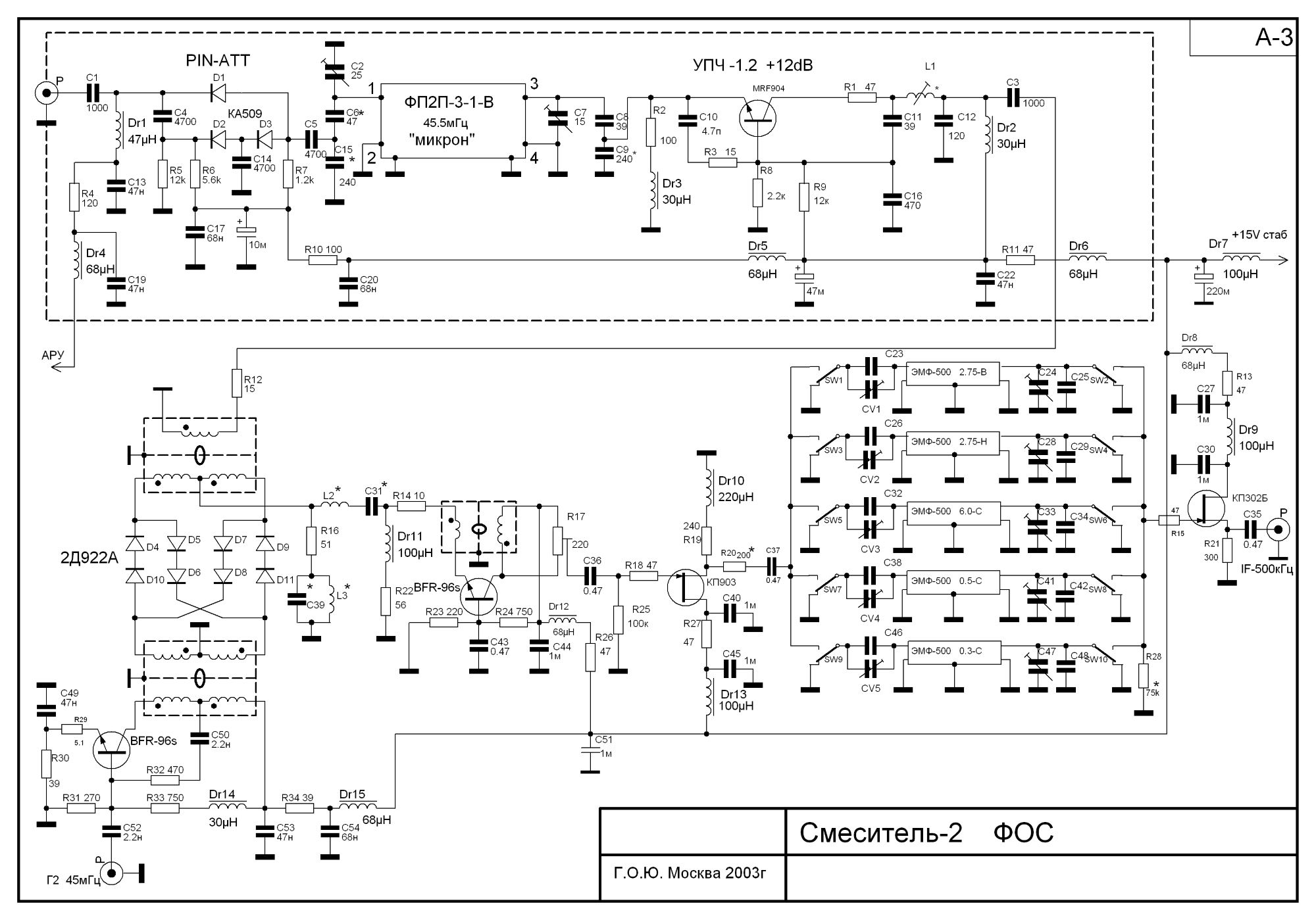
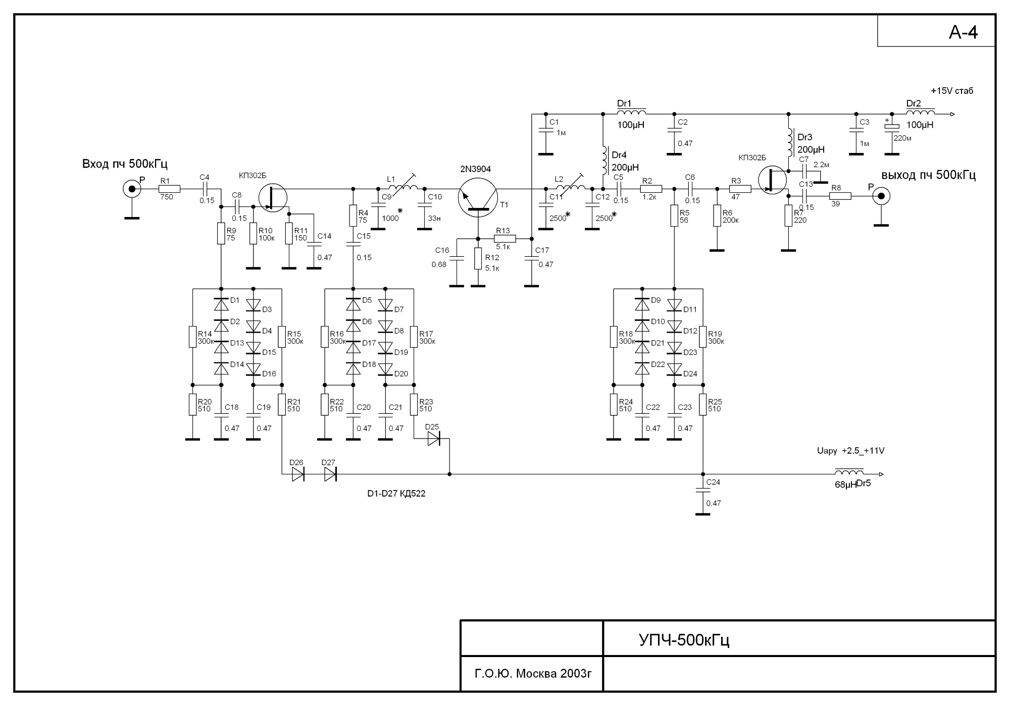
Сьогодні заїхав на радіобазар. КП903 по 40 грн. Викладую схему радіоприймача з інтернету і преселектора з такими фільтрами.Може приймач хтось робив ? Які відгуки ?
...
...
-
UR5FFR
- Повідомлень: 1311
- З нами з: Пон вересня 12, 2022 4:04 pm
- Has thanked: 107 times
- Been thanked: 719 times
Re: Радіоприймач ТАЙФУН М
Якщо вони у вас такі дешеві то навіщо ставити четвірку 310х? Ставте два КП903 у паралель - динаміка буде вище.
Я прихильник уніфікації - немає сенсу ставити різні компоненти там де вони не зовсім потрібні. Тобто або імпорт, або КП903. А так виходить збірна солянка з того що було під руками
-
UR5VFT
- Повідомлень: 492
- З нами з: Вів січня 17, 2023 6:22 pm
- Позивний: UR5VFT
- Has thanked: 468 times
- Been thanked: 99 times
Re: Радіоприймач ТАЙФУН М
якщо є бажання мучитися з індивідуальним підстроюванням струму спокою кожного транзистора. на затвори КП903 доведеться подавати негативне напруження. і до речі у кого немає готових фільтрів можуть зробити непогані самі, наприклад, на Китайських СМД 3225 4З 40M мгц.. 73!
-
UR5VFT
- Повідомлень: 492
- З нами з: Вів січня 17, 2023 6:22 pm
- Позивний: UR5VFT
- Has thanked: 468 times
- Been thanked: 99 times
Re: Радіоприймач ТАЙФУН М
СХЕМІ 22 РОКИ. Є НОВІ РОЗРОБКИ простіше. З ВИСОКИМИ ПАРАМЕТРАМИ І НА СУЧАСНІЙ БАЗІ.