ICOM IC-735 питання по РА

master_yogurt
Повідомлень: 22
З нами з: Нед жовтня 23, 2022 12:16 am
Been thanked: 2 times

ICOM IC-735 питання по РА

Повідомлення master_yogurt »

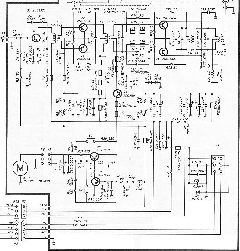
Вітаю колеги! Вирішив, я перевірити струм спокою в РА трансивера, діяв згідно мануалу. Так от в попередньому каскаді РА струм 100мА, як по книжці і є можливість регулювання. А в вихідному каскаді при вимірюванні було всього 40мА, при спробі додати струму за допомогою підстроювального резистора, максимально можливий струм 140-150мА. Була підозра на транзистор Q4 (схему додаю), замінив його аналогічним, а також перевірив обв'язку і підстроювальний резистор, нічого не допомогло. При цьому всьому вихідна потужність є, і вона відповідає 100Вт, перевірив на навантаженні.
Чекаю допомоги від більш досвідчених колег.
 
 
Вкладення
IMG_20250925_133409_250.jpg
IMG_20250925_140015_403.jpg
UT8AS
Повідомлень: 117
З нами з: Сер вересня 14, 2022 8:37 am
Позивний: UT8AS
Has thanked: 67 times
Been thanked: 46 times

Re: ICOM IC-735 питання по РА

Повідомлення UT8AS »

Доброго часу доби! Можливо, треба підібрати діоди зміщення D2,D3 на цьому транзисторі, бо вони задають максимальну вихідну напругу для зміщення вихідного каскаду...
 
master_yogurt
Повідомлень: 22
З нами з: Нед жовтня 23, 2022 12:16 am
Been thanked: 2 times

Re: ICOM IC-735 питання по РА

Повідомлення master_yogurt »

Теж думав про діоди, і навіть додавав один діод 1n4148 до тих двох, але при цьому струм спокою виростав до 10А (робив це короткочасно), потім замість 4148 підставляв діод Шоткі, струм при цьому впав до 4А (теж перевіряв короткочасно). При цьому діоди звоняться як справні. Діоди там стоять, якісь MV5, інформації по ним немає. Може спробувати замінити їх на 4148 обидва?
UT8AS
Повідомлень: 117
З нами з: Сер вересня 14, 2022 8:37 am
Позивний: UT8AS
Has thanked: 67 times
Been thanked: 46 times

Re: ICOM IC-735 питання по РА

Повідомлення UT8AS »

master_yogurt писав: Чет вересня 25, 2025 2:43 pm... Може спробувати замінити їх на 4148 обидва?


 
...або один з них...я про це і казав...
 
master_yogurt
Повідомлень: 22
З нами з: Нед жовтня 23, 2022 12:16 am
Been thanked: 2 times

Re: ICOM IC-735 питання по РА

Повідомлення master_yogurt »

4148 підійдуть для цього діла? Вони через термопасту стоять на транзисторах, типу термокомпенсація. 
UT8AS
Повідомлень: 117
З нами з: Сер вересня 14, 2022 8:37 am
Позивний: UT8AS
Has thanked: 67 times
Been thanked: 46 times

Re: ICOM IC-735 питання по РА

Повідомлення UT8AS »

master_yogurt писав: Чет вересня 25, 2025 3:22 pm 4148 підійдуть... 
 
...підійдуть, вони теж термозалежні, їх багато хто використовує в подібних умовах...
 
UR5FFR
Повідомлень: 1430
З нами з: Пон вересня 12, 2022 4:04 pm
Has thanked: 131 time
Been thanked: 828 times

Re: ICOM IC-735 питання по РА

Повідомлення UR5FFR »

На мій погляд діоди міняти не треба. А ось на R19 треба подивитись більш уважно бо якщо в нього підгоріли або окислилися контакти то це буде обмежувати максимальний струм через D2D3 і як наслідок струм спокою. Можна попробувати взагалі його закоротити. Якщо і це не допоможе тоді треба зменшити R18, але без фанатізму. Наприклад до 82-100ом
Ігор Віт.
Повідомлень: 79
З нами з: Вів червня 18, 2024 6:44 pm
Has thanked: 8 times
Been thanked: 24 times

Re: ICOM IC-735 питання по РА

Повідомлення Ігор Віт. »

master_yogurt писав: Чет вересня 25, 2025 2:04 pm  Вирішив, я перевірити струм спокою в РА трансивера, діяв згідно мануалу. 
 
 

 
А що вас спонукало перевіряти струм спокою? Неякісний сигнал на передачу, чи що?
master_yogurt
Повідомлень: 22
З нами з: Нед жовтня 23, 2022 12:16 am
Been thanked: 2 times

Re: ICOM IC-735 питання по РА

Повідомлення master_yogurt »

R19 зараз стоїть новий на 1К, але, що дивно, що резистор цей працює тільки у діапазоні 75-100% оберту, точно так, як і рідний на 470 Ом. Тобто до 75% оберту толку від нього немає...
 
Ігор Віт.
Повідомлень: 79
З нами з: Вів червня 18, 2024 6:44 pm
Has thanked: 8 times
Been thanked: 24 times

Re: ICOM IC-735 питання по РА

Повідомлення Ігор Віт. »

UR5FFR писав: Чет вересня 25, 2025 7:13 pm На мій погляд діоди міняти не треба. А ось на R19 треба подивитись більш уважно бо якщо в нього підгоріли або окислилися контакти то це буде обмежувати максимальний струм через D2D3 і як наслідок струм спокою


 
Повністю погоджуюсь!
 
Відповісти