Пошук дав 122 результатів
- Чет травня 14, 2026 8:49 pm
- Форум: Основний форум
- Тема: Апаратні журнали
- Відповіді: 27
- Перегляди: 441158
Re: Апаратні журнали
Гарна ціна в національній валюті. Чи то бажина на сайті?
- Нед квітня 19, 2026 10:24 pm
- Форум: Загальні технічні питання
- Тема: Змішувач на мікросхемі 174пс1
- Відповіді: 37
- Перегляди: 162838
Re: Змішувач на мікросхемі 174пс1
Сподіваюсь всі хто хотів замовили собі мікросхем LA1185. Пройшло 10 днів, ціна вже 10 доларів за 10 штук, або 5.69 долара за 5 штук. 
- Сер квітня 15, 2026 10:56 pm
- Форум: Приймачі та трансивери
- Тема: Трансивер SW2025
- Відповіді: 50
- Перегляди: 138301
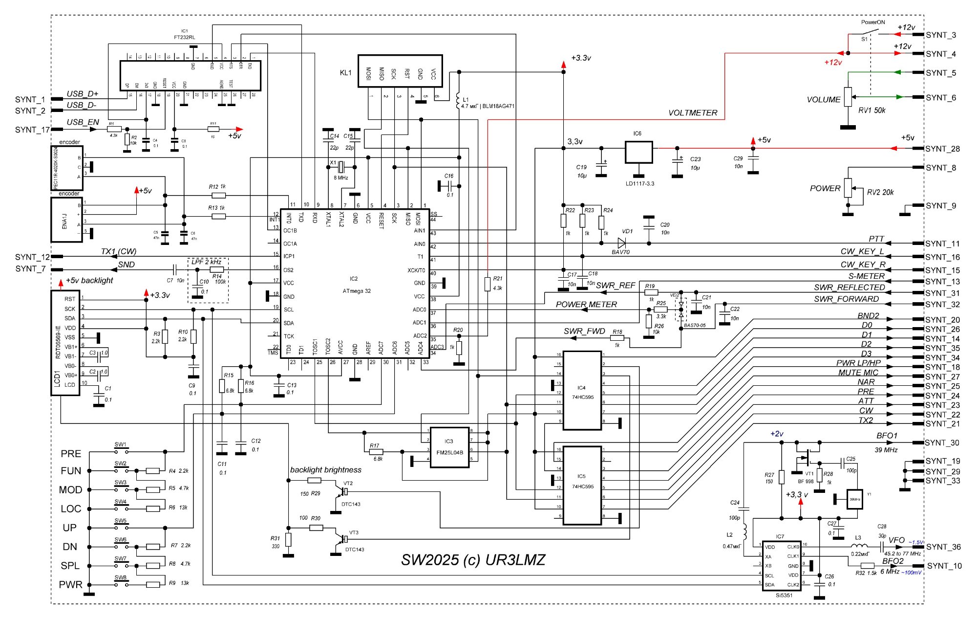
Re: Трансивер SW2025
Я при нагоді запитаю про АЧХ звукового тракту. Але цілком можливо що вона зроблена не лінійною спеціально. Детально попередні два повідомлення прочитаю завтра.
- Пон квітня 13, 2026 10:30 am
- Форум: Приймачі та трансивери
- Тема: Трансивер SW2025
- Відповіді: 50
- Перегляди: 138301
Re: Трансивер SW2025
Так, як зараз намальовано, буфер живиться від +8V RX, при роботі на передачу живлення з буфера зняте. В точці C31R29, в моєму розумінні, сигналу передачі не буде, саме тому глянув саме на цю точку. Але ідея мати можливість дивитись сигнал і в режимі передачі цікава, треба подумати що там з рівнями н...
- Пон квітня 13, 2026 12:29 am
- Форум: Приймачі та трансивери
- Тема: Трансивер SW2025
- Відповіді: 50
- Перегляди: 138301
Re: Трансивер SW2025
Наче не така і велика ємність затвора у mmbfj310 - 5 пФ по даташиту. У BF999 2.5пФ - менше, але чи настільки це критично?
Чи не туди дивлюсь?
Чи не туди дивлюсь?
- Нед квітня 12, 2026 8:09 pm
- Форум: Приймачі та трансивери
- Тема: Трансивер SW2025
- Відповіді: 50
- Перегляди: 138301
Re: Трансивер SW2025
Вже двоє людей запитали мене "куди подівся вентилятор?". То ж є сенс відповісти один раз для всіх зацікавлених. В 2025 році за моєї ініціативи притерпіла змін задня частина трансивера. Замість пластикової задньої панелі, яку свердлом і напилками кожну робили індивідуально (не надто техноло...
- Нед квітня 12, 2026 1:24 pm
- Форум: Загальні технічні питання
- Тема: Визначення вихідного опору ділянки тракта
- Відповіді: 26
- Перегляди: 64827
Re: Визначення вихідного опору ділянки тракта
Відповів в особисті. Влаштовувати саме торгівлю цими вже дефіцитними транзисторами не збираюсь. Кому цікаво - питаємо в особисті. Або можу створити тимчасову тему в торгівельному розділі. Але ціль не заробити на цих транзисторах, а саме поділитись за собівартістю з активними користувачами форуму. За...
- Нед квітня 12, 2026 11:01 am
- Форум: Приймачі та трансивери
- Тема: Трансивер SW2025
- Відповіді: 50
- Перегляди: 138301
Re: Трансивер SW2025
А давайте краще подумаємо звідки взяти сигнал для подачі на зовнішній SDR свисток щоб водоспад дивитись. Це ж треба ПЧ 45 МГц через якийсь буфер на SMA гніздо вивести?Чернетку буферного каскада намалював. Сигнал взяти з точки C31R29 нормально буде?
- Нед квітня 12, 2026 10:59 am
- Форум: Приймачі та трансивери
- Тема: Трансивер SW2025
- Відповіді: 50
- Перегляди: 138301
Re: Трансивер SW2025
Так, отвір під динамік в платі це можна записати в мінуси. Але його намалювати один раз і забути. Китайці грошей за фрезерування додатково не беруть. Або можна плату в конструкції підняти на таку висоту щоб не конфліктувала з динаміком, є низькопрофільні динаміки. Згадав більш суттєвий недолік таког...
- Нед квітня 12, 2026 12:06 am
- Форум: Майстерня
- Тема: Нанесення написів на лицьові панелі
- Відповіді: 15
- Перегляди: 116769
Re: Нанесення написів на лицьові панелі
Також втавлю своїх 5 коп. Метод Андрія, звичайно, шикарний, але нерівності корпуса трохи видають себе навіть через фарбу. Я в свому трансивері зробив інакше. Передня панель в мене - металічна. На ній є пару місць кріплення гвинтів під потай, щоб не виступали спереду. Потім друкується картинка з нап...