"Народний" Трансивер на базі ESP32-A1S
-
Almaro1741
- Повідомлень: 61
- З нами з: Суб вересня 17, 2022 10:59 am
- Позивний: UR1CDH
- Has thanked: 1 time
- Been thanked: 2 times
Re: "Народний" Трансивер на базі ESP32-A1S
Приблизно так
- Вкладення
-
- S21004-15425468.jpg (103.64 Кіб) Переглянуто 22277 разів
-
UR5FFR
- Повідомлень: 1419
- З нами з: Пон вересня 12, 2022 4:04 pm
- Has thanked: 130 times
- Been thanked: 811 times
Re: "Народний" Трансивер на базі ESP32-A1S
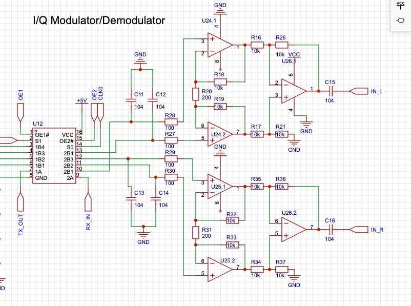
Ні, це погана схема, тому що опір по входам різний. Інверсний вхід операційного підсилювача має нульовий потенціал тобто вхідний опір близький до нуля. А не інверсний вхід - дуже високий вхідний опір.
Якщо так хтось робить це не значить що це треба копіювати, бо це безграмотно
Якщо так хтось робить це не значить що це треба копіювати, бо це безграмотно
-
Almaro1741
- Повідомлень: 61
- З нами з: Суб вересня 17, 2022 10:59 am
- Позивний: UR1CDH
- Has thanked: 1 time
- Been thanked: 2 times
Re: "Народний" Трансивер на базі ESP32-A1S
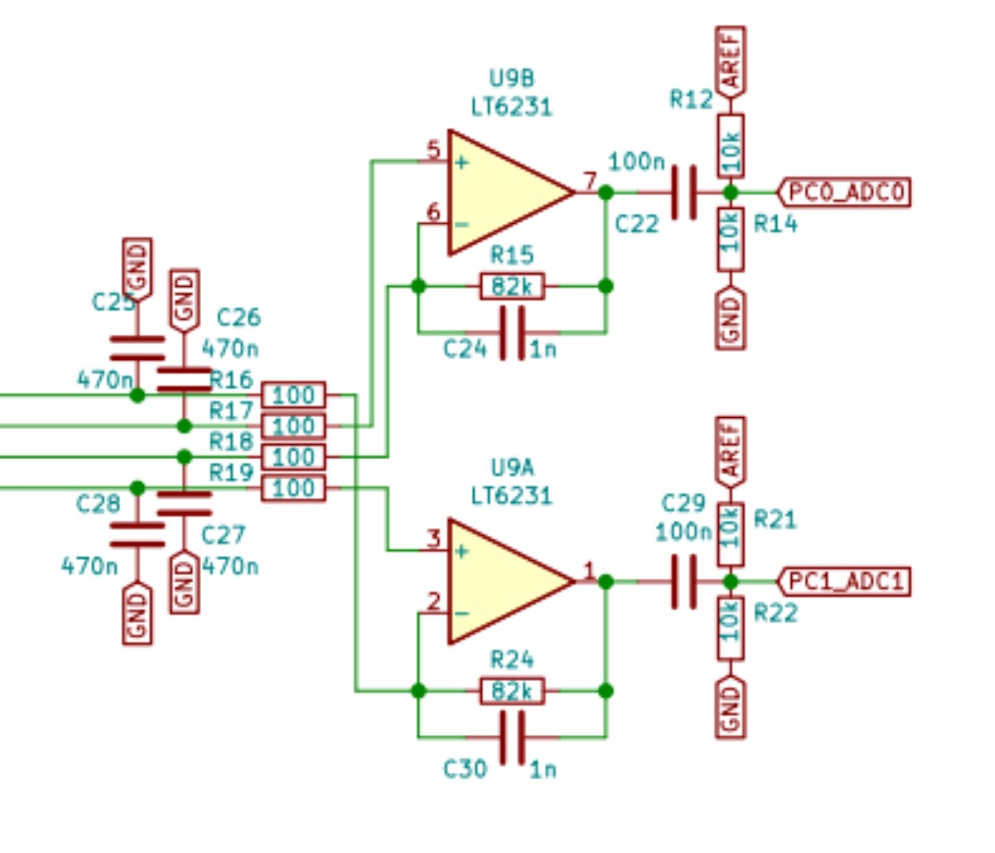
Змінив схему підсилювача. номінали по даташиту брав. не впевнений що все правильно.UR5FFR писав: ↑Вів жовтня 04, 2022 6:17 pm Ні, це погана схема, тому що опір по входам різний. Інверсний вхід операційного підсилювача має нульовий потенціал тобто вхідний опір близький до нуля. А не інверсний вхід - дуже високий вхідний опір.
Якщо так хтось робить це не значить що це треба копіювати, бо це безграмотно
- Вкладення
-
- Снимок экрана 2022-10-05 в 16.50.57.png (99.22 Кіб) Переглянуто 22256 разів
-
UR5FFR
- Повідомлень: 1419
- З нами з: Пон вересня 12, 2022 4:04 pm
- Has thanked: 130 times
- Been thanked: 811 times
Re: "Народний" Трансивер на базі ESP32-A1S
R27-R30 на схемі зайві. R21R37 праворуч треба заземлити через конденсатор, бо у вас однополярне живлення. Воно й без конденсатора буде працювати, але постійна напруга на виході U26.1/U26.2 буде у два раза менше за середню точку яка становить 2.5в, тобто 1.25в, що вже дуже замало
-
Almaro1741
- Повідомлень: 61
- З нами з: Суб вересня 17, 2022 10:59 am
- Позивний: UR1CDH
- Has thanked: 1 time
- Been thanked: 2 times
Re: "Народний" Трансивер на базі ESP32-A1S
Поправив схему, думаю живити схему від 5 вольт замість 12. кодек по входу тримає 3.3 вольта, максимум витримує 5 вольт.UR5FFR писав: ↑Сер жовтня 05, 2022 8:08 pm R27-R30 на схемі зайві. R21R37 праворуч треба заземлити через конденсатор, бо у вас однополярне живлення. Воно й без конденсатора буде працювати, але постійна напруга на виході U26.1/U26.2 буде у два раза менше за середню точку яка становить 2.5в, тобто 1.25в, що вже дуже замало
-
UR5FFR
- Повідомлень: 1419
- З нами з: Пон вересня 12, 2022 4:04 pm
- Has thanked: 130 times
- Been thanked: 811 times
Re: "Народний" Трансивер на базі ESP32-A1S
Не усілякий ОУ буде працювати при 5в. Також у даташиті зазвичай наводять данні при номінальному живленні. Що воно там буде при 5в - хтозна. Тому обережно
-
Almaro1741
- Повідомлень: 61
- З нами з: Суб вересня 17, 2022 10:59 am
- Позивний: UR1CDH
- Has thanked: 1 time
- Been thanked: 2 times
Re: "Народний" Трансивер на базі ESP32-A1S
В даташиті є таблиці. Як на мене, в межах допустимого.
- Вкладення
-
- S21006-08482112.jpg (256.12 Кіб) Переглянуто 22220 разів
-
Almaro1741
- Повідомлень: 61
- З нами з: Суб вересня 17, 2022 10:59 am
- Позивний: UR1CDH
- Has thanked: 1 time
- Been thanked: 2 times
Re: "Народний" Трансивер на базі ESP32-A1S
Доброго ранку шановні. Після деяких роздумів, прийняв рішення в якості інтерфейсу використати 2 розробки.
Перший варіант:
По конструкції:
З нюансів:
Перший варіант:
- 3.5 дюйма екран
- 12 кнопок (+ 4 кнопки енкодера)
- 3 енкодера програмованих
- 1 енкодер-валкодер
- 3.2 дюйма екран
- Сенсорна панель
- 4 кнопки енкодера
- 3 енкодера програмованих
- 1 енкодер-валкодер
По конструкції:
- Друкована плата підсилювача потужності від автора UR5FFR.
- Друкована плата фільтра нижніх частот від автора UR5FFR
- NoTune BPF автора UR5FFR.
- Друкована плата змішувач+синтезатор автор UR1CDH
- Друкована плата центральний процесор+com port(для оновлення програмного забезпечення,для CAT системи)+ кодек+ ПЗЧ автора UR1CDH
- Друкована плата інтерфейсу користувача (дисплей+ енкодери+ кнопки) автора UR1CDH
- (Опціонально) плата GPS
- (Опціонально) трансвертер для роботи в діапазонах вище 6-4м
З нюансів:
- підсилювач потужності не дозволяє працювати на частотах вище 10м діапазону. (6-4м на данному етапі закладаються тільки для прийому.)
- Специфіка роботи синтезатора поки не дозволяє працювати на діапазоні 160м. Тут нажаль ні прийому ні передачі.
- В планах реалізувати роботу в CW, Rtty, з можливістю роботи з клавіатури.
- Потужності процесора має вистачити для автономної роботи в цифрових видах зв'язку. Та поки це далекі плани.
-
UR5FFR
- Повідомлень: 1419
- З нами з: Пон вересня 12, 2022 4:04 pm
- Has thanked: 130 times
- Been thanked: 811 times
Re: "Народний" Трансивер на базі ESP32-A1S
Робити управління суто на сенсорній панелі це не є гарна ідея. Так воно працює, але на мій погляд треба усе дублювати на звичайній клавіатурі. Тому що сенсорні кнопки на екрані можуть бути невеликих розмірів і не завжди зручно тиснути на них пальцями.
Робити кнопку на основному енкодері, який використовується для зміни частоти теж не дуже гарно, тому що коли ми на неї тиснемо то є велика ймовірність що також змінюємо частоту. А якщо енкодер не механічний то в нього нема ніякої кнопки. А ще бувають саморобні магнітні енкодери, які підключаються по I2C шині. Там теж кнопки нема. Було б чудово аби можна було би використовувати різні типи енкодерів.
Стосовно клавіатури. Я би рекомендував на аркуші або у екселі зробити таблицю з кнопками клавіатури та написати яка що буде робити. Якщо функцій забагато то окрім короткого натискання можна використовувати довге натискання або подвійне коротке. Ще як варіант - так звана кнопка Fn яку можна натиснути разом з іншою кнопкою та вона змінить її призначення.
Тільки не робить клавіатуру на ADC - більш ніж 5-6 кнопок воно може нестабільно працювати. Крім того не відстежуються подвійні натискання.
Простіше поставити PCF8574 який легко опрацює 16 кнопок (матриця 4*4 кнопки).
Три сервісних енкодера це теж на мій погляд дещо забагато. У себе в DSP-проекті я використовую два енкодера - перший це гучность/RIT, другий - смуга НЧ/поріг АРУ. Тобто кожній з енкодерів має дві функции. А взагалі маємо чотири. Для переключення між функціями треба нажати на кнопку сервісного енкодера. Тобто за замовчуванням перший енкодер регулює гучність. Якщо нажати його кнопку то він починає змінювати частоту RIT. Ще раз натиснули - знов регулює гучність
Робити кнопку на основному енкодері, який використовується для зміни частоти теж не дуже гарно, тому що коли ми на неї тиснемо то є велика ймовірність що також змінюємо частоту. А якщо енкодер не механічний то в нього нема ніякої кнопки. А ще бувають саморобні магнітні енкодери, які підключаються по I2C шині. Там теж кнопки нема. Було б чудово аби можна було би використовувати різні типи енкодерів.
Стосовно клавіатури. Я би рекомендував на аркуші або у екселі зробити таблицю з кнопками клавіатури та написати яка що буде робити. Якщо функцій забагато то окрім короткого натискання можна використовувати довге натискання або подвійне коротке. Ще як варіант - так звана кнопка Fn яку можна натиснути разом з іншою кнопкою та вона змінить її призначення.
Тільки не робить клавіатуру на ADC - більш ніж 5-6 кнопок воно може нестабільно працювати. Крім того не відстежуються подвійні натискання.
Простіше поставити PCF8574 який легко опрацює 16 кнопок (матриця 4*4 кнопки).
Три сервісних енкодера це теж на мій погляд дещо забагато. У себе в DSP-проекті я використовую два енкодера - перший це гучность/RIT, другий - смуга НЧ/поріг АРУ. Тобто кожній з енкодерів має дві функции. А взагалі маємо чотири. Для переключення між функціями треба нажати на кнопку сервісного енкодера. Тобто за замовчуванням перший енкодер регулює гучність. Якщо нажати його кнопку то він починає змінювати частоту RIT. Ще раз натиснули - знов регулює гучність
-
Almaro1741
- Повідомлень: 61
- З нами з: Суб вересня 17, 2022 10:59 am
- Позивний: UR1CDH
- Has thanked: 1 time
- Been thanked: 2 times
Re: "Народний" Трансивер на базі ESP32-A1S
приблизно так буде виглядати. 2 мікросхеми PCF8574 будуть обробляти кнопки і енкодери. дисплей по SPI. Кнопки на І2С. біля валкодера думаю вивести піни для підключення оптичних або І2С енкодерів... може... коли руки дойдуть