Енкодер на кнопках

Відповісти
UR5VFT
Повідомлень: 517
З нами з: Вів січня 17, 2023 6:22 pm
Позивний: UR5VFT
Has thanked: 497 times
Been thanked: 106 times

Енкодер на кнопках

Повідомлення UR5VFT »

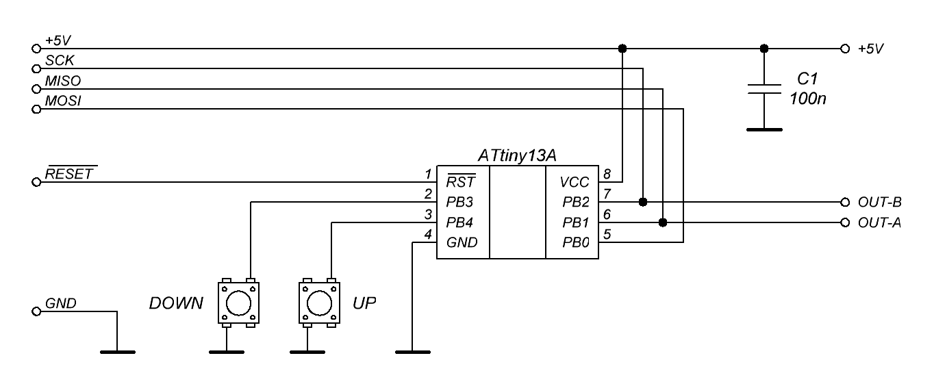
товариш попросив для сина який повернувся з війни з травмами рук. зробити енкодер на кнопках для роботи в ефірі. згадав ідею і прагу болгарського радіоаматора LZ2WSG (veso74) енкодер був зібраний у старій комп мишці. 73!      сайт
- https://www.kn34pc.com/index_construct.html
 
Вкладення
attiny13_two_btn_enc_eml_01.ino_attiny13a_1200000L.zip
(443 байт) Завантажено 664 разів
attiny13_two_btn_enc_em.gif
pw_01.jpg
UR5VFT
Повідомлень: 517
З нами з: Вів січня 17, 2023 6:22 pm
Позивний: UR5VFT
Has thanked: 497 times
Been thanked: 106 times

Re: Енкодер на кнопках

Повідомлення UR5VFT »

- - Висновок після випробування. дуже зручна конструкція у перебудові частоти. випробувана із синтнзатором Біленецького. рекомендую. ще варіант з нету 73!
 
Вкладення
uskor.jpg
uskor.rar
(3.37 Кіб) Завантажено 619 разів
Відповісти