Опорний генератор 500 кгц

Freddy
Повідомлень: 305
З нами з: П'ят лютого 10, 2023 7:00 pm
Has thanked: 26 times
Been thanked: 52 times

Опорний генератор 500 кгц

Повідомлення Freddy »

Є кварцований опорний генератор на 500 кгц , частоту тримає стабільно , синус гарний  але зашумлений ,  яка може бути причина ? Підбитий кварц ?
20260405_103525.jpg
 
20260405_103600.jpg
 
 
Андрій_UR3ILF
Повідомлень: 103
З нами з: Суб жовтня 01, 2022 6:36 pm
Звідки: Царичанка
Позивний: UR3ILF
Has thanked: 21 time
Been thanked: 76 times
Контактна інформація:

Re: Опорний генератор 500 кгц

Повідомлення Андрій_UR3ILF »

Схоже на возбуд якщо з живленням все ок.
Колись також зловив возбуд в генераторi на 8250кГц.
Синус був кривий та с пилкою а коли спектр подивився хвiст гармонiк був великий.
Приймачем треба послухати та пройтися по усьому КХ дiапазону.
 
 
Вкладення
возбуд на УКВ.png
возбуд на УКВ.png (22.14 Кіб) Переглянуто 18546 разів
Без возбуда.png
Без возбуда.png (21.93 Кіб) Переглянуто 18546 разів
Freddy
Повідомлень: 305
З нами з: П'ят лютого 10, 2023 7:00 pm
Has thanked: 26 times
Been thanked: 52 times

Re: Опорний генератор 500 кгц

Повідомлення Freddy »

Живлення ок , 8в після кренки . Це аматор емф  2007 року публікація . Зроблено 1до1 .  Збуджується генератор чи якийсь інший каскад ? Бо збудження лізе аж на вихід ум .
20260405_123633.jpg
 Як Ви боролися з возбудом ? Схоже що збуджується опорний генератор.   Ось що показує аналізатор в осліку 
 
 
20260405_125138.jpg
 
 
 
 
Андрій_UR3ILF
Повідомлень: 103
З нами з: Суб жовтня 01, 2022 6:36 pm
Звідки: Царичанка
Позивний: UR3ILF
Has thanked: 21 time
Been thanked: 76 times
Контактна інформація:

Re: Опорний генератор 500 кгц

Повідомлення Андрій_UR3ILF »

В мене генератор був на КП302БМ.
Резистор в затвор 100 ом и попустило. Доречi кварц був вiб РБМ карболiтовий  та вiн був не стабiльний, з вибiгом до 200 герц так як недалеко ГУ19 була розташована и шассi грiлося. Потiм знайшов в корпусi Б1 близький по частотi але вже нiчого не переробляв.
Freddy
Повідомлень: 305
З нами з: П'ят лютого 10, 2023 7:00 pm
Has thanked: 26 times
Been thanked: 52 times

Re: Опорний генератор 500 кгц

Повідомлення Freddy »

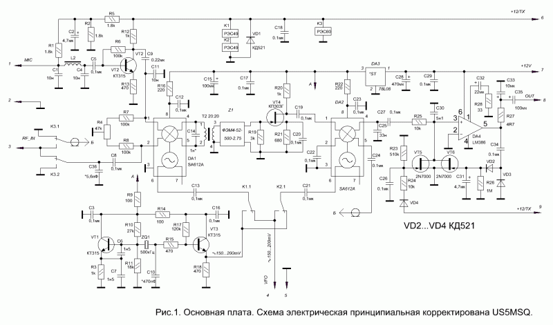
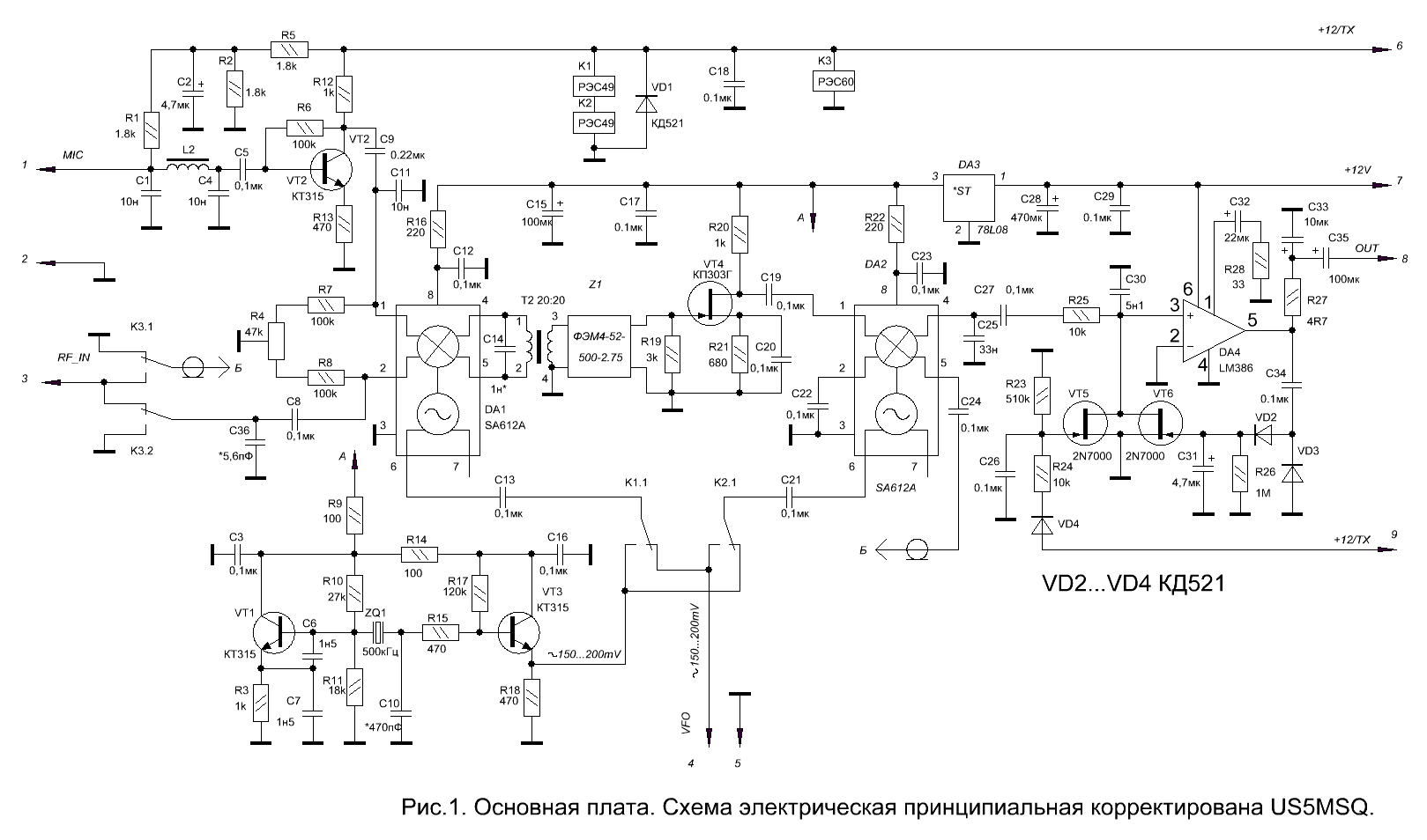
__sa___us5msq_815.gif
  В мене опорний генератор зроблено по оцій схемі , тільки  транзистори вс847с . Спробую зменшити  опір R3 до 820 ом . 
 
UR5VFT
Повідомлень: 586
З нами з: Вів січня 17, 2023 6:22 pm
Позивний: UR5VFT
Has thanked: 581 time
Been thanked: 127 times

Re: Опорний генератор 500 кгц

Повідомлення UR5VFT »

а рівень кг точно не більше 150-200мв і в мене блудила китайська кренка.
 
Freddy
Повідомлень: 305
З нами з: П'ят лютого 10, 2023 7:00 pm
Has thanked: 26 times
Been thanked: 52 times

Re: Опорний генератор 500 кгц

Повідомлення Freddy »

UR5VFT писав: Нед квітня 05, 2026 9:29 pm а рівень кг точно не більше 150-200мв і в мене блудила китайська кренка.
 

 
200 то середня а не пікова . Принаймні так всі кажуть . А ослік показує пікову . Крен 5аче як оріга  від stm але поміняю бо теж на неї думаю 
seawar
Повідомлень: 19
З нами з: П'ят січня 16, 2026 9:25 pm
Позивний: UR5RBP
Has thanked: 7 times
Been thanked: 5 times

Re: Опорний генератор 500 кгц

Повідомлення seawar »

Покажіть осцилограму на С16. Ну дууже схоже на живлення.
Freddy
Повідомлень: 305
З нами з: П'ят лютого 10, 2023 7:00 pm
Has thanked: 26 times
Been thanked: 52 times

Re: Опорний генератор 500 кгц

Повідомлення Freddy »

Кренку поміняв , трансивер живив китайським лабораторником . Пізніше закину осцилограму
UR5VFT
Повідомлень: 586
З нами з: Вів січня 17, 2023 6:22 pm
Позивний: UR5VFT
Has thanked: 581 time
Been thanked: 127 times

Re: Опорний генератор 500 кгц

Повідомлення UR5VFT »

а запитать линейным бп есть возможность?  73!
Відповісти