Сторінка 2 з 2
Re: Аудіо кодек в SDR
Додано: Суб липня 29, 2023 9:33 pm
iurii
UR5FFR писав: ↑Суб липня 29, 2023 8:53 pm
Який алгоритм компенсації розбалансу використовуєте?
Пробував поки тільки цей
https://github.com/df8oe/UHSDR/wiki/IQ- ... requencies
Буду вдячний якщо ще якийсь порадите
Re: Аудіо кодек в SDR
Додано: Суб липня 29, 2023 9:54 pm
UR5FFR
Гм ... у time-domain ... і він працює? По усій панорамі?
До речі хотів спитати - прожект опенсорсний чи закритий буде?
Re: Аудіо кодек в SDR
Додано: Нед липня 30, 2023 4:27 pm
iurii
Про всю панораму поки не можу сказати, бо ще не написав цю частину, але на слух відчутна різниця.
З приводу проекту. Поки не знаю чи буде взагалі новий проект чи просто скінчиться все экспериментами.
А ви з якою метою цікавитесь? Хотіли б щось використати? Можемо обговорити коли що ))
Re: Аудіо кодек в SDR
Додано: Нед липня 30, 2023 8:35 pm
UR5FFR
iurii писав: ↑Нед липня 30, 2023 4:27 pm
Про всю панораму поки не можу сказати, бо ще не написав цю частину, але на слух відчутна різниця.
Цікаво буде глянути на панорамі.
iurii писав: ↑Нед липня 30, 2023 4:27 pm
З приводу проекту. Поки не знаю чи буде взагалі новий проект чи просто скінчиться все экспериментами.
А ви з якою метою цікавитесь? Хотіли б щось використати? Можемо обговорити коли що ))
Та я там просто спитав, зовсім без усілякої мети

Re: Аудіо кодек в SDR
Додано: Нед серпня 06, 2023 5:20 pm
iurii
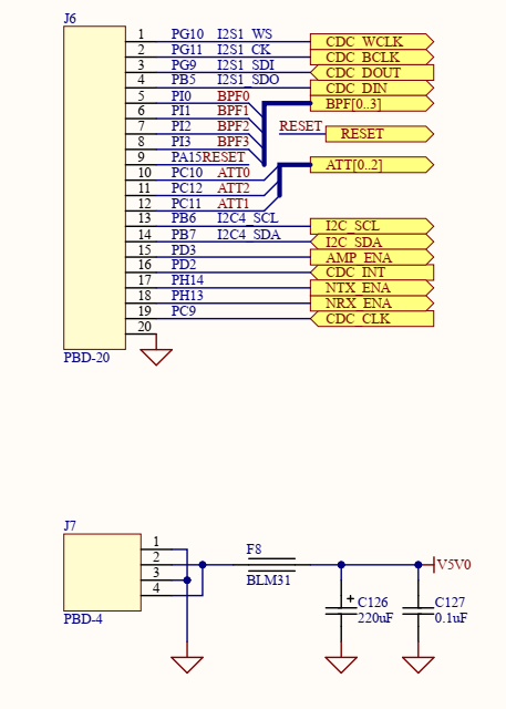
Ну що ж після експериментів вирішив, що зроблю додаткову плату на заміну DDC/DUC. Точніше це буду не зовсім заміна, а можливо буде використовувати або цю плату, або DDC/DUC. Схема нижче.

- inhul-mcu-connector.png (59.55 Кіб) Переглянуто 54819 разів
Re: Аудіо кодек в SDR
Додано: Нед серпня 06, 2023 6:04 pm
UR5FFR
iurii писав: ↑Нед серпня 06, 2023 5:20 pm
Ну що ж після експериментів
Так панорама запрацювала?
Схема нижче
А навіщо такий загадковий формувач квадратури на тригерах? 5351 же генерує квадратуру. Чи зовсім погано? До речі як там справи з компенсацією дисбалансу?
Якщо є натхнення зробити квадратуру на зовнішніх елементах, то робіть
ось так на 74LCX574 наприклад
Re: Аудіо кодек в SDR
Додано: Нед серпня 06, 2023 8:59 pm
iurii
UR5FFR писав: ↑Нед серпня 06, 2023 6:04 pmТак панорама запрацювала?
Для тестів я використовував ESP32 і у мене поки ще немає нормального графічного інтерфейсу для цієї платформи, то ж до панорами я поки ще не дійшов. Але якщо вас цікавить ефективність алгоритму компенсації про який я згадував раніше, то, на скільки я зрозумів, він використовується в
https://www.la3t.no/mchf-qrp/ Можливо, є якась інформація в інтернеті. Коли ж у мене з'явиться інформація я відразу викладу.
UR5FFR писав: ↑Нед серпня 06, 2023 6:04 pmА навіщо такий загадковий формувач квадратури на тригерах? 5351 же генерує квадратуру. Чи зовсім погано? До речі як там справи з компенсацією дисбалансу?
Якщо є натхнення зробити квадратуру на зовнішніх елементах, то робіть
ось так на 74LCX574 наприклад
Ну справа в тому, що з одного боку PLL має працювати на частотах 900 - 600 МГц, а з іншого, регістр для зсуву фази має 7 біт і виходить, що мінімальна частота на який буде стабільно працювати синтезатор це 600 / 126 = 4.762 МГц. А при такій схемі можна буде, скажімо, на частотах до 10 МГц подавати синфазний сигнал від 5351 і отримає на виході часту поділену на 4, а на частотах більше 10 МГц подавати протифазний сигнал і отримаєм ділення на 2. Або можливо використовувати завжди протифазний сигнал якщо вірити цьому:
"4.2.3. (CLKx_INV)
In some cases, the user may need to invert the polarity (i.e., 180° phase offset) of one or more outputs with respect to the other outputs. This is achieved by setting CLKx_INV=1." (AN619)
Коротше кажучи це спроба зменшити частоту тактуваня тригерів.
Re: Аудіо кодек в SDR
Додано: Нед серпня 06, 2023 9:22 pm
UR5FFR
iurii писав: ↑Нед серпня 06, 2023 8:59 pm
Ну справа в тому, що з одного боку PLL має працювати на частотах 900 - 600 МГц, а з іншого, регістр для зсуву фази має 7 біт і виходить, що мінімальна частота на який буде стабільно працювати синтезатор це 600 / 126 = 4.762 МГц.
Так, є проблема з мінімальною частотою. В моїх експериментах десь нижче 2МГц перестає генерувати.
iurii писав: ↑Нед серпня 06, 2023 8:59 pm
А при такій схемі можна буде, скажімо, на частотах до 10 МГц подавати синфазний сигнал від 5351 і отримає на виході часту поділену на 4, а на частотах більше 10 МГц подавати протифазний сигнал і отримаєм ділення на 2.
Свого часу проблеми з формуванням квадратури на 74АС починалися після 10МГц, тобто на вході було 40МГц.
Я дуже скептично ставлюся до роздільного тактування тригерів. Але ідея має право на життя. Зверніть увагу на довжину доріжок між 5351 та тригерами - бажано щоб вони мали однакову довжину.
Re: Аудіо кодек в SDR
Додано: Нед серпня 06, 2023 10:57 pm
Андрій_UR3ILF
UR5FFRЯ дуже скептично ставлюся до роздільного тактування тригерів. Але ідея має право на життя.
5 років використовую таке рішення у тпп. На мій погляд, це гарне рішення щодо використання мікросхеми для отримання квардатурних сигналів з тригерами. Менш за градус розбіг фази в КВ діапазоні.
За моїми експериментами квадратуру безпосередньо з мікросхеми вдавалося отримувати до частоти 1.3 МГц.
Нажаль бiльше картинок не зберiглося.

- 1.3mhz.jpg (103.21 Кіб) Переглянуто 54798 разів
Re: Аудіо кодек в SDR
Додано: Пон серпня 07, 2023 10:31 am
UR5FFR
Я свого часу отримав суттєве покращення коли перейшов від лічильника Джонсона до схеми з регістрами. Принципова відмінність у тому що у Джонсона тактові входи з'єднані назовні, а у регістрі - всередині. Більш низька частота у схемі з інверсією поліпшить розбаланс, але не вважаю що він стане краще ніж у схем на регістрі.
З іншого боку усе це суттєво лише при передачі - буде лізти дзеркалка. При прийомі розбаланс давиться в нуль за допомогою математики