Сторінка 18 з 30
Re: Трансивер на надмініатюрних лампах
Додано: Чет червня 15, 2023 10:36 pm
UR5VCP
UR5FFR писав: ↑Чет червня 15, 2023 10:21 pmПостав по входу КФ на землю резистор який дорівнює характеристичному фільтра. По виходу - вхідний опір тріода з ОС дорівнює 1/S. Там або автотрансформатор або Г-ланцюг
Автотрансформатор наше все ))
Далі я вже не в адекваті малювати, так задолбався що.... ну ось що зміг родити.
Про АРУ мова пока не йде, я думаю ти вже здогадався яке там ару буде )))) Дада. По ПЧ ))
Я так думаю щло зразу після кф буде в тріодному каскаді цепочка ару на діодах... Або замість двух тріодів пентод. Але в мене тільки 1Жхх з малою крутизною... :ж тільки один. Або десь замовлю.... Побачим. Як краще буде взагалі?
Re: Трансивер на надмініатюрних лампах
Додано: Чет червня 15, 2023 10:59 pm
oldPsyho
UR5VCP писав: ↑Чет червня 15, 2023 10:36 pm
UR5FFR писав: ↑Чет червня 15, 2023 10:21 pmПостав по входу КФ на землю резистор який дорівнює характеристичному фільтра. По виходу - вхідний опір тріода з ОС дорівнює 1/S. Там або автотрансформатор або Г-ланцюг
Автотрансформатор наше все ))
Далі я вже не в адекваті малювати, так задолбався що.... ну ось що зміг родити.
Про АРУ мова пока не йде, я думаю ти вже здогадався яке там ару буде )))) Дада. По ПЧ ))Screenshot_47.jpg
Я так думаю щло зразу після кф буде в тріодному каскаді цепочка ару на діодах... Або замість двух тріодів пентод. Але в мене тільки 1Жхх з малою крутизною... :ж тільки один. Або десь замовлю.... Побачим. Як краще буде взагалі?
6Ж5Б підійдуть?) Можу пару підкинути... І пару 6Ж33А-В, правда все це б/у
Re: Трансивер на надмініатюрних лампах
Додано: Чет червня 15, 2023 11:44 pm
UR5VCP
oldPsyho писав: ↑Чет червня 15, 2023 10:59 pm6Ж5Б підійдуть?) Можу пару підкинути... І пару 6Ж33А-В, правда все це б/у
все що є і чим більше тим краще!!!!!!
В лічку.
Re: Трансивер на надмініатюрних лампах
Додано: П'ят червня 16, 2023 12:09 am
UR5FFR
І ще один варіант з реверсом по типу Raisin. Але тут треба по НЧ розганяти підсилення десь під 60дб. Звичайної зв'язки тріод+пентод буде замало бо вона дає десь 35-40дб максимум.
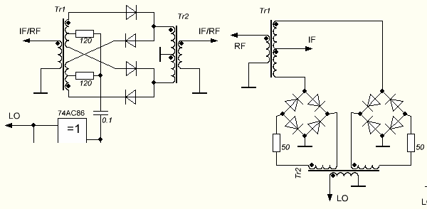
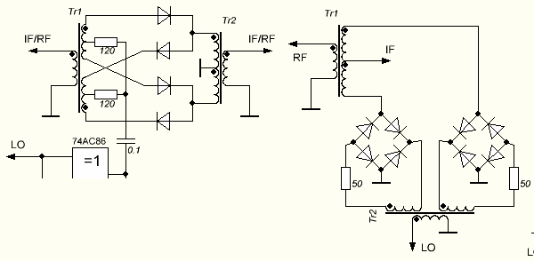
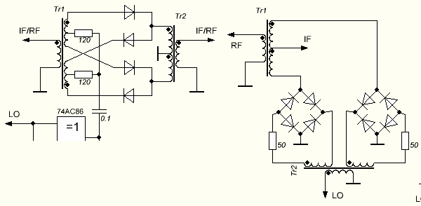
Якщо комусь замало динаміки то ось схеми високорівневих змішувачів на діодах.

- high level diode mixer.png (15.84 Кіб) Переглянуто 19270 разів
Re: Трансивер на надмініатюрних лампах
Додано: П'ят червня 16, 2023 12:36 am
oldPsyho
UR5FFR писав: ↑П'ят червня 16, 2023 12:09 am
І ще один варіант з реверсом по типу Raisin. Але тут треба по НЧ розганяти підсилення десь під 60дб. Звичайної зв'язки тріод+пентод буде замало бо вона дає десь 35-40дб максимум.tube_trx_ur5ffr_concept2.pngЯкщо комусь замало динаміки то ось схеми високорівневих змішувачів на діодах.
high level diode mixer.png
Цікаво, по НЧ ж доведеться й АРП робити. І 60дб це в не залежності від діапазону? Тобто без різниці, ВЧ чи НЧ діапазони...
Re: Трансивер на надмініатюрних лампах
Додано: П'ят червня 16, 2023 12:58 am
UR5VCP
Арп по пч. тільки добавочний гетеродин і детектор. На частоті 200-400 кгц детектор і арп. Після того що я зробив на напівпровідниках... То буде само собою. Але пізніше )
Re: Трансивер на надмініатюрних лампах
Додано: П'ят червня 16, 2023 12:58 am
UR5VFT
ТРХ с кварцевым фильтром и двойным преобразованием-1.jpg
Doc3.jpg
Ламповый TRX.JPG
Беріть схему Ангор-75 та й переводьте на надмініатюрні. Але там є заковирка з його регенеративним ППЧ.
там ще й неправильне узгодження. а ось ідеї. неревесивний та пару реверсивних трактів. багато обговорювали на форумі радіон..73!
Re: Трансивер на надмініатюрних лампах
Додано: П'ят червня 16, 2023 1:08 am
UR5VCP
Маю отаке...
воно для КВ ніяк?
Re: Трансивер на надмініатюрних лампах
Додано: П'ят червня 16, 2023 11:16 am
UR5FFR
UR5VCP писав: ↑П'ят червня 16, 2023 1:08 am
Маю отаке...Screenshot_48.jpg
воно для КВ ніяк?
Це ж жолуді. Куди ти їх встромляти будеш?
Re: Трансивер на надмініатюрних лампах
Додано: П'ят червня 16, 2023 12:59 pm
UR5VCP
UR5FFR писав: ↑П'ят червня 16, 2023 11:16 am
UR5VCP писав: ↑П'ят червня 16, 2023 1:08 am
Маю отаке...Screenshot_48.jpg
воно для КВ ніяк?
Це ж жолуді. Куди ти їх встромляти будеш?
вони маленькі. я в плані того, що вони для КВ ніяк?