Трансивер на надмініатюрних лампах
-
Ut5lp
- Повідомлень: 119
- З нами з: Суб вересня 17, 2022 3:34 pm
- Позивний: UT5LP
- Has thanked: 11 times
- Been thanked: 32 times
Re: Трансивер на надмініатюрних лампах
Все залежить від того,який вєнєрічний пристрій буде використовуватись,як що Р311,326 і т.п. тоді краще другий.
а як що з тросиком і шкала а-ля 60-70 тоді кінематичною схемою як завгодно...хоч круть-верть хоч верть-круть.
Але океановський КПЗ треба доопрацювати US5MSQ • Просмотр темы - Приёмник коротковолновика с низкочастотным ЭМФ
-
UR5VCP
- Повідомлень: 447
- З нами з: Пон вересня 12, 2022 6:14 pm
- Звідки: KN48wi
- Позивний: UR5VCP
- Has thanked: 83 times
- Been thanked: 9 times
- Контактна інформація:
Re: Трансивер на надмініатюрних лампах
вернєр що на фото вище. Так що поставлю другий кпє. Океан піде на вихід. і треба буде ще одного знайти океанського. Думаю для 6П15П одної чи двох не прийдеться проріджувати... Хоча можна і прорідити. Пока не бачу як воно буде...Ut5lp писав: ↑Нед червня 18, 2023 3:13 pmВсе залежить від того,який вєнєрічний пристрій буде використовуватись,як що Р311,326 і т.п. тоді краще другий.
а як що з тросиком і шкала а-ля 60-70 тоді кінематичною схемою як завгодно...хоч круть-верть хоч верть-круть.
Але океановський КПЗ треба доопрацювати US5MSQ • Просмотр темы - Приёмник коротковолновика с низкочастотным ЭМФ
-
Ut5lp
- Повідомлень: 119
- З нами з: Суб вересня 17, 2022 3:34 pm
- Позивний: UT5LP
- Has thanked: 11 times
- Been thanked: 32 times
Re: Трансивер на надмініатюрних лампах
Він доречний у "холодному "кінці ,а у гарячому...там однієї секциї вистачить!
Такі КЗЄ бувають і двох секційні.
-
UR5VCP
- Повідомлень: 447
- З нами з: Пон вересня 12, 2022 6:14 pm
- Звідки: KN48wi
- Позивний: UR5VCP
- Has thanked: 83 times
- Been thanked: 9 times
- Контактна інформація:
-
UR5VCP
- Повідомлень: 447
- З нами з: Пон вересня 12, 2022 6:14 pm
- Звідки: KN48wi
- Позивний: UR5VCP
- Has thanked: 83 times
- Been thanked: 9 times
- Контактна інформація:
Re: Трансивер на надмініатюрних лампах
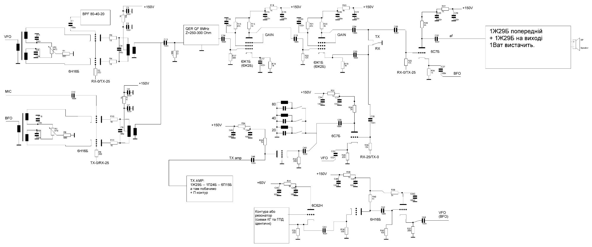
ніби трошки номінали вказав.... Де я напоров?
Не важливі частини не вказую. Там унч та на педерачу каскади то потом.
Не важливі частини не вказую. Там унч та на педерачу каскади то потом.
-
oldPsyho
- Повідомлень: 638
- З нами з: П'ят жовтня 14, 2022 4:13 pm
- Звідки: KO40ig
- Позивний: UR5XOU
- Has thanked: 189 times
- Been thanked: 71 time
Re: Трансивер на надмініатюрних лампах
А перед С13 не треба перемикач? 6С7Б досить шумна, краще вже 6С6Б.
-
UR5VCP
- Повідомлень: 447
- З нами з: Пон вересня 12, 2022 6:14 pm
- Звідки: KN48wi
- Позивний: UR5VCP
- Has thanked: 83 times
- Been thanked: 9 times
- Контактна інформація:
Re: Трансивер на надмініатюрних лампах
а нашо він там, там критична ВЧ цепочка, а лампочки запираються по -25В на сітку. Хай собі живе так.
6С6Б нема. Можу пентода на 1вольт поставити, але катодний повторювач, ізольований накал треба.
-
Ut5lp
- Повідомлень: 119
- З нами з: Суб вересня 17, 2022 3:34 pm
- Позивний: UT5LP
- Has thanked: 11 times
- Been thanked: 32 times
Re: Трансивер на надмініатюрних лампах
Ой-о-йоЙ(с)
При такій архетектурі з міксера ТХ ,крім запирання,потрібно знімати сигнал BFO (навіть через закриті лампи він пролізе! ППЧ має КУ!)
Сигнал на мікс ТХ ,слід брати з першого каскада ППЧ.
А тепер mixTX i driver .Тут два варіанти:
1.або брати на катод драйверу з відводу котушок(цей варіант буде з недостатньою смугою)
2.П,або Г ланцюги узгоджування(між анодом міксера і ікатодом драйвера)вони легко вираховуються в RFsim99.
Буде не три реле...а шість
-
oldPsyho
- Повідомлень: 638
- З нами з: П'ят жовтня 14, 2022 4:13 pm
- Звідки: KO40ig
- Позивний: UR5XOU
- Has thanked: 189 times
- Been thanked: 71 time