СВЧ транзистори для підсилювачів потужностиі з алі

BL68
Повідомлень: 59
З нами з: Вів квітня 22, 2025 3:25 pm
Позивний: UR7INU
Has thanked: 5 times
Been thanked: 27 times

Re: СВЧ транзистори для підсилювачів потужностиі з алі

Повідомлення BL68 »

UR5FFR писав: Нед червня 08, 2025 11:04 pm
BL68 писав: Нед червня 08, 2025 10:44 pm А звідки там візьметься "-" на затворі? ;) Розгляние уважно схему і напруги вхідного каскаду. Не забувайте про ланцюги подачі напруги зміщення. Вони там, в унеможливленні "-", теж задіяні. 
Щось я не розумію. А можете схему навести ну або фрагмент щоб було зрозуміло про що йде мова.

 

 
Класична схема з "биноклем" 1:4 по оппору по входу. Тикніть осцилографом на затвор і самі побачите.Там амплітуда від 0 до U.
BL68
Повідомлень: 59
З нами з: Вів квітня 22, 2025 3:25 pm
Позивний: UR7INU
Has thanked: 5 times
Been thanked: 27 times

Re: СВЧ транзистори для підсилювачів потужностиі з алі

Повідомлення BL68 »

Freddy писав: Нед червня 08, 2025 11:08 pm При виходуіз ладу одного транзистора інший модуль працює , тільки вихідна потужність падає.  Бо там звязок тільки магнітний якщо можна так сказати. 


 
Так, згоден. Коли я писав своє повідомлення в мене в голові була схема з роздільними транзисторами, а не двіними. Вибачаюсь, ви праві.
Та всеодно... Порахуйте вартість транзисторів і кілець/біноклів на 1кВт вихідної потужності. У вас получится десь така сама сума що і на одному транзитсрі 1,4кВт. Ще раз підкреслюю, якщо все покупати, а не даставати з шухляди :)
Як не крути, а в нормальному підсилювачі з автоматикою, ФНЧ і БП, 1Вт коштує $1.
 
 
 
BL68
Повідомлень: 59
З нами з: Вів квітня 22, 2025 3:25 pm
Позивний: UR7INU
Has thanked: 5 times
Been thanked: 27 times

Re: СВЧ транзистори для підсилювачів потужностиі з алі

Повідомлення BL68 »

UR5VFT писав: Пон червня 09, 2025 1:20 am
BL68 писав: Нед червня 08, 2025 9:42 pm
Freddy писав: Нед червня 08, 2025 9:23 pm Кучерява ціна .   :shock:    

 
Так а ви порахуйте скіки буде коштувати 4 транзистора на меньшу потужність з "біноклями" і суматорами щоб набрати 1кВт. Воно те на те і вийде...

 
всі забувають ще приплюсувати до ціни якісний блок живлення фнч реле .амідон ітд.

 
Ну якісний БП на 24-60В буде коштуати від 500 до 3000 грн. Все що вище - це жадібність, або ціна на підприємстві. Якщо робити для себе, а не "ставити на поток", то 1Вт виходить $0,6-$1 в залежності від наявності комплектуючих "у шухляді" :) Порахуйте вартість якісного ламппового підсилювача на таку-ж саму потужність і не забудьте БП для нього. Буде не набагато дешевше. Про габарити лампоаого підсилювача я взагалі помовчу :D
Ось для прикладу РА на 1кВт безперевної потужності. Загальна вага з БП 6,5кг.
 
 
 
 
Вкладення
IMG_20250609_161532_1.jpg
UR5FFR
Повідомлень: 1419
З нами з: Пон вересня 12, 2022 4:04 pm
Has thanked: 130 times
Been thanked: 811 times

Re: СВЧ транзистори для підсилювачів потужностиі з алі

Повідомлення UR5FFR »

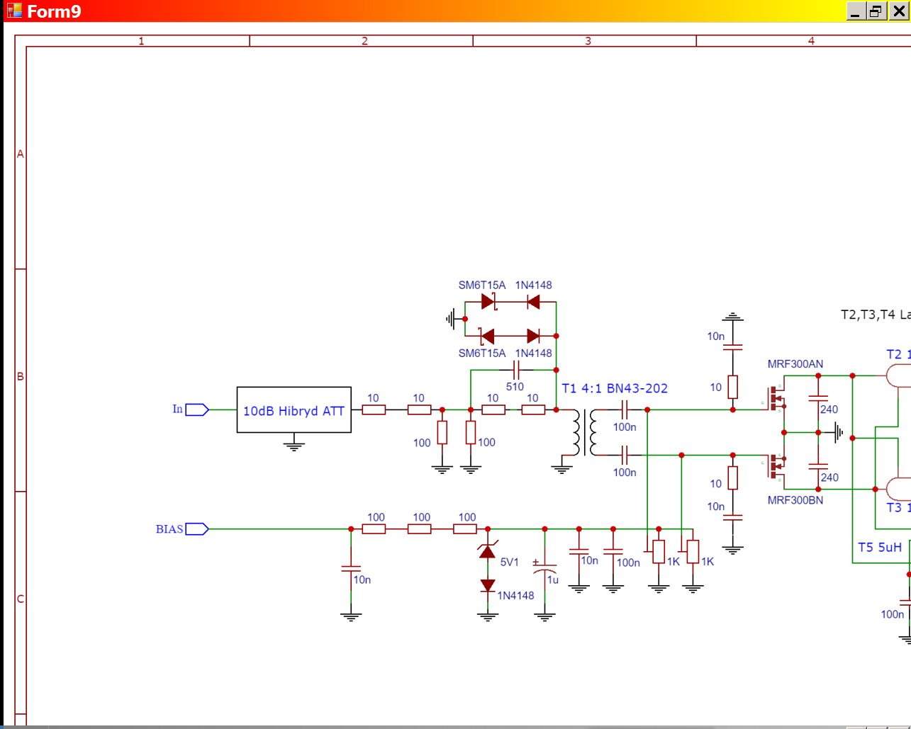
BL68 писав: Пон червня 09, 2025 3:55 pm Класична схема з "биноклем" 1:4 по оппору по входу. Тикніть осцилографом на затвор і самі побачите.Там амплітуда від 0 до U.


 
Та мова ж не про співвідношення витків, а про те як його підключено та про ланцюги зміщення. Вторинна обмотка (та що до затворів) має заземлену середню точку чи ні? Як подається зміщення - через резистор, резистор та діод, дросель - варіантів купа. Тому я і кажу - киньте якусь референсну схему яка правильна на ваш погляд. Таке враження що я якусь військову таємницю з вас намагаюся витягнути а ви мені її не бажаєте дати :)
 
BL68
Повідомлень: 59
З нами з: Вів квітня 22, 2025 3:25 pm
Позивний: UR7INU
Has thanked: 5 times
Been thanked: 27 times

Re: СВЧ транзистори для підсилювачів потужностиі з алі

Повідомлення BL68 »

Та будь яка на ваш вібір. Вони усі ідентичні за вінятком способу термостабілізації. Ну наприклад посилання яке я вже давав http://www.w6pql.com/hf/62017_rf_deck.htm.  Або через резистори на затвори. Подивітся варианті подачі зміщення в прикріпленнях.
 
Вкладення
PA ATT.jpg
AMP1200.jpg
100Wpa_sch.png
Ur5ydw
Повідомлень: 43
З нами з: Вів вересня 13, 2022 9:21 pm
Позивний: Ur5ydw
Has thanked: 25 times
Been thanked: 34 times

Re: СВЧ транзистори для підсилювачів потужностиі з алі

Повідомлення Ur5ydw »

І я свої 5 копійок вставлю...
Вкладення
circuit-schematic.png
UR5FFR
Повідомлень: 1419
З нами з: Пон вересня 12, 2022 4:04 pm
Has thanked: 130 times
Been thanked: 811 times

Re: СВЧ транзистори для підсилювачів потужностиі з алі

Повідомлення UR5FFR »

BL68 писав: Пон червня 09, 2025 3:55 pm Класична схема з "биноклем" 1:4 по оппору по входу. Тикніть осцилографом на затвор і самі побачите.Там амплітуда від 0 до U.

 
Ок, з схемами визначилися. Але куди дівається негативна півхвиля? Я бачу що у будь якій схемі з наведених на затворах транзисторів буде однакова напруга відносно землі але з протилежним знаком. Для того щоби якимось чином обмежити негативну півхвилю на затворі у мосфета повинен буди захисний діод. Але його там немає. Так, є захист від статики але це не то.

Транзисторів у яких негативна напруга не повинна перевищувати 0,5в досить багато. Із розповсюджених це наприклад MRF9120, MRF9180 
Screenshot_2025_06_09-3.png
 
BL68
Повідомлень: 59
З нами з: Вів квітня 22, 2025 3:25 pm
Позивний: UR7INU
Has thanked: 5 times
Been thanked: 27 times

Re: СВЧ транзистори для підсилювачів потужностиі з алі

Повідомлення BL68 »

UR5FFR писав: Пон червня 09, 2025 9:20 pmАле куди дівається негативна півхвиля? Я бачу що у будь якій схемі з наведених на затворах транзисторів буде однакова напруга відносно землі але з протилежним знаком. Для того щоби якимось чином обмежити негативну півхвилю на затворі у мосфета повинен буди захисний діод. Але його там немає. Так, є захист від статики але це не то.

Транзисторів у яких негативна напруга не повинна перевищувати 0,5в досить багато. Із розповсюджених це наприклад MRF9120, MRF9180 Screenshot_2025_06_09-3.png 








 
Та не буде там негативної півхвилі. Буду знімати кришку зі свого підсилювача (хочу додаткові отвори для вентиляції зробити), зніму вам осцилограму напруги на затворах.
Ну порахуйте самі. Для прикладу BLF188. В діапазоні 1-30МГц Кус=29Дб (у 28,2 разів по напрузі). Вихідний транс 1:3. Берем потужність 1000Вт. Uампл на стоках = 316/3 = 105В. Диф напруга між затворами 105/28,2 = 3,72 В, або +-1,86 В. Яка напруга зміщення? Ну не менша 2В. При максималній потужності і при самому поганому розкладі мінімально буде +0,14В на затворі. А зазвичай при потужностях більше 700-800Вт використовується транс 1:4 і напруга на затворах вже взагвлі не зможе стати негативною.
 
 
 
 
 
 
 
 
UR5FFR
Повідомлень: 1419
З нами з: Пон вересня 12, 2022 4:04 pm
Has thanked: 130 times
Been thanked: 811 times

Re: СВЧ транзистори для підсилювачів потужностиі з алі

Повідомлення UR5FFR »

BL68 писав: Пон червня 09, 2025 10:02 pm Та не буде там негативної півхвилі. Буду знімати кришку зі свого підсилювача (хочу додаткові отвори для вентиляції зробити), зніму вам осцилограму напруги на затворах.
Ну порахуйте самі. Для прикладу BLF188. В діапазоні 1-30МГц Кус=29Дб (у 28,2 разів по напрузі). Вихідний транс 1:3. Берем потужність 1000Вт. Uампл на стоках = 316/3 = 105В. Диф напруга між затворами 105/28,2 = 3,72 В RMS, або +-1,86*sqrt2=+-2,63 В. Яка напруга зміщення? Ну не менша 2,5В. При максималній потужності і при самому поганому розкладі буде -0,13В на затворі. А зазвичай при потужностях більше 700-800Вт використовується транс 1:4 і напруга на затворах вже взвгвлі не зможе стати негативною.
Для BLF188 це обговорення не актуальне бо в нього -6в мінімум по затвору
Screenshot_2025_06_09-4.png
Осцилограму знімати не треба - в штатному режимі там не буде ніякого мінуса бо затвор зміщено у плюс - це і так зрозуміло.
Я ж кажу про нештатний режим роботи, коли мі якимось чином перевантажуємо вхід. Ну так вийшло. ALC не відпрацювало. Або забули рівень потужності вихідної зменшити у драйвера. І ось для такого випадку було б непогано мати захист.
BL68
Повідомлень: 59
З нами з: Вів квітня 22, 2025 3:25 pm
Позивний: UR7INU
Has thanked: 5 times
Been thanked: 27 times

Re: СВЧ транзистори для підсилювачів потужностиі з алі

Повідомлення BL68 »

UR5FFR писав: Пон червня 09, 2025 10:56 pmЯ ж кажу про нештатний режим роботи, коли мі якимось чином перевантажуємо вхід. Ну так вийшло. ALC не відпрацювало. Або забули рівень потужності вихідної зменшити у драйвера. І ось для такого випадку було б непогано мати захист.
 
Так я в самому першому повідомленні написав про автоматику захисту і керування. Нештатного режиму за затворах не може бути взагалі. При нормальному захисту він штатно відпрацює, знявши вхідний сигнал в тригерному режимі. В SSB швидкість наростання сигналу на порядок, а то й на два меньша ніж швидкість захисту. А по напрузі на стоках на 30МГц взагалі не більше одного періоду ВЧ сигналу. Ну і звідки там взятись негативній напрузі? Ще раз... Захист повинен бути грамотно зроблений. Реле входу не повинно включитись якщо не подана напруга зміщення.
А здуру самі знаєте що можно зробити :D
Захист повинен по мінімуму в обов'язковому порядку складатись з швидкого і повільного захистів.

Швидкий захист
1. Контроль вхідної потужності.
2. Контроль напруги на стоках.
3. Котроль струму.

Повільний захист
1. Контоль КСХ.
2. Контроль КСХ, або зворотньої хвилі, перед ФНЧ.

PS В попередньому розрахунку я помилився. Рахував амплітудне значення напруги, а потім перейшов на RMS. Підправив. Там напруга га затворах взагалі "+".
А для тих транзисторів що ви написали... Це який-же драйвер ви збираєтетсь ставити щоб 40Вт-ний транзистор по входу перевантажити? :)
 
 
 
 
 
 
 
Відповісти