Сторінка 4 з 12
Re: Шанувальники лампових конструкцій.
Додано: П'ят листопада 18, 2022 7:05 pm
Юрий
Ось так. С30 це блоуюча емнiсть.
Re: Шанувальники лампових конструкцій.
Додано: П'ят листопада 18, 2022 10:05 pm
oldPsyho
Я ось подумав... Таким чином цей вузол реалізувати можна?
P.S. На рахунок комутації кіл з високим опором я думав... Але ж наприклад в MiniYES якраз в дпф така комутація... 50ом - 10кОм...
І ніхто на самозбудження не жалівся...
Re: Шанувальники лампових конструкцій.
Додано: Суб листопада 19, 2022 3:07 pm
UR5FFR
ДПФ - це одне. А от ось коли ви з допомогою реле будете робити реверсивний каскад то він може і завестися. Бо у реле ємність розімкнутих контактів може сягати декілька пф, що на частотах вище 10-15МГц може суттєво впливати. Так що треба дивитися на схему та міркувати де воно може завестись
Re: Шанувальники лампових конструкцій.
Додано: Суб листопада 19, 2022 11:25 pm
Юрий
Що б робило треба С30 перенести на праву сторону R15.
Re: Шанувальники лампових конструкцій.
Додано: Вів листопада 22, 2022 10:48 pm
UR5FFR
Юрий писав: ↑Нед листопада 13, 2022 8:14 pm

Ось е ще такi схеми.
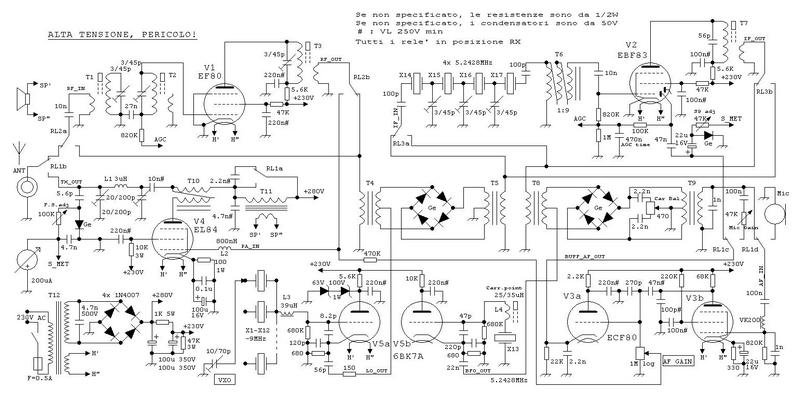
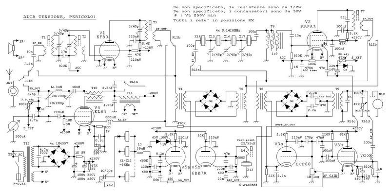
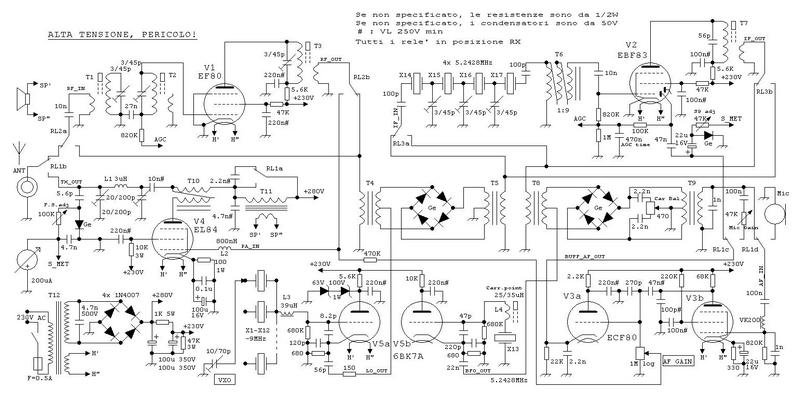
Це схема з Радіомір КВ/УКВ №10,11/2009 за авторством нібито RU6BK. Але якщо бути коректним то усе що зробив RU6BK - це зібрав чужу конструкцію на радянських лампах. В журналі він пише начебто переробив схему, але це не так. Ось оригінальна схема за авторства IW9HJV та IW9ARO

- 5tube_trx.JPG (80.6 Кіб) Переглянуто 26949 разів
Я не бачу суттєвої переробки схеми

Бачу перемалювання

На жаль сайт с оригінальною схемою зараз недоступний. Але його можна відкрити за допомогою "машини часу" за посиланням
http://www.webalice.it/hotwater/rtx5x20.htm
Re: Шанувальники лампових конструкцій.
Додано: П'ят січня 20, 2023 12:05 pm
UR5FFR
Велика добірка довідкової літератури по лампам та старих книг по радіоелектроніці
http://www.tubebooks.org/index.html
Re: Шанувальники лампових конструкцій.
Додано: П'ят січня 20, 2023 12:39 pm
UR5VFT
- Реальний ламповий трансівер із пч 45 мг нашого земляка з Дніпра зі схемами -
http://www. 6p3s. ru/forum/index. php?showtopic=2788
Re: Шанувальники лампових конструкцій.
Додано: Чет лютого 09, 2023 12:10 am
UR5VFT
Re: Шанувальники лампових конструкцій.
Додано: П'ят лютого 10, 2023 2:00 pm
UR5FFR
UR5VFT писав: ↑Чет лютого 09, 2023 12:10 amпара схем
Хотів вас спитати - навіщо ви пишете на кацапськом сікьюхаме? Ось ви спілкуєтесь з IG_58, лайкаєте його відповідь
А ось що він пише про нас

- cqham_ig_58_2.png (121.39 Кіб) Переглянуто 26645 разів
І там таких кожен перший - вони усі довбануті на голову зі своїми імперськими амбіціями. Ось читайте
http://www.ur5ffr.com/viewtopic.php?t=391
Вам не огидно з ними спілкуватися? Ви розумієте що вони на вас дивляться як на "нєдоразуменіе"?
Як взагалі можна спілкуватися з такими дегенератами, які радіють тому що їх армія вбиває мирне населення в Україні?
Re: Шанувальники лампових конструкцій.
Додано: П'ят лютого 10, 2023 6:58 pm
vasylll
Там ще є один наш поц з Миколаїва. Кожен день там сидить, пише, спілкуєтся з ними. Кожен день Миколаїв потерпає, ракетится від тих... а йому, як ні в чьому ...
Чи в него багато світла є, чи він глухонемий...
Не розумію!