Сторінка 4 з 4
Re: Магнітна рамка для прийому
Додано: Суб липня 15, 2023 1:05 am
UR5FFR
UT5UJX писав: ↑П'ят липня 14, 2023 10:19 pm
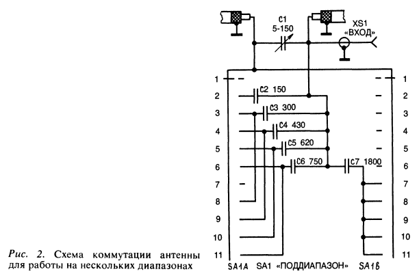
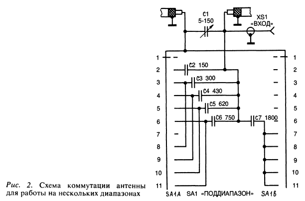
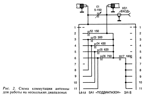
У мене до Вас таке запитання. На наведеній схемі підключення антени цікавить марка конденсатора С7. Дякую!
Я поставив C7 smd 47uF неполярний. Але можливо ставити звичайний елетролит або жовтий смд тантал
Re: Магнітна рамка для прийому
Додано: Вів липня 25, 2023 10:19 pm
UR5FFR
UR5VFT писав: ↑Вів травня 23, 2023 2:04 am
- на дачі для послухати круглі столи була зроблена з підручних засобів така антена. рекомендую.
Сьогодні наводив порядок у себе в бібліотеці - попався під руки "Радіоєжегоднік" за 1988 рік. Так ось там на 54й сторінці описана саме така антена.

- loop88-1.png (38.9 Кіб) Переглянуто 71848 разів

- loop88-2.png (47.74 Кіб) Переглянуто 71848 разів

- loop88-3.png (44.33 Кіб) Переглянуто 71848 разів
Розміри начебто як і у мене - близько 1м діаметр. Але маленька заковика - на першому піддіапазоні антена при мінімальної ємності КПЄ 5пф налаштовується на частоту лише 8.8МГц. Упс. А в мене вдвічі більша частота при ємності десь 10-15пф. А річ у тому що кабель має ємність. І в випадку коли обплетення заземлено то цю ємність треба враховувати.
До того ж цей дизайн хибний. Тому що ніякого узгодження з 50ти омним кабелем геть зовсім нема. І це не я таке придумав. Це ще 20 років тому опублікував W8JI ось тут
Magnetic Loop Antennas Receiving
Він пише
Bad Points:
- No impedance matching
- Susceptible to cable variations since the coax connection to inner link conductor is dependent upon capacitance inside the "loop cable" for coupling.
Тобто нема узгодження імпедансів з кабелем та ємність кабелю впливає на резонанс. Далі він наводить декілька варіантів узгодження. Сюди усе копіювати не буду - кому цікаво дивиться по посиланню вище
Re: Магнітна рамка для прийому
Додано: П'ят квітня 19, 2024 9:26 pm
UY5AU
Андрій доброго дня.
Такє питання. Як можливо скомутувати дві антени, одну на передачу, іншу на прийом, в трансівері, з одним антеним гніздом, що б в якийсь момент часу, при переході з прийому на передачу, вихід трансівера не опинився в повітрі?
Re: Магнітна рамка для прийому
Додано: Суб квітня 20, 2024 1:09 pm
UR4LGA
UY5AU писав: ↑П'ят квітня 19, 2024 9:26 pm
Андрій доброго дня.
Такє питання. Як можливо скомутувати дві антени, одну на передачу, іншу на прийом, в трансівері, з одним антеним гніздом, що б в якийсь момент часу, при переході з прийому на передачу, вихід трансівера не опинився в повітрі?
Не Андрій, але відповім ))
В сучасних трансивірах є такий параметр як затримка подавання ВЧ-сигналу після включення режиму передачі (часто має назву delay). Це спеціальний параметр створений для комутації - щоб всі реле встигли перемикнутись (часто це використовують для підсилювачів). Ось там і треба виставити потрібну затримку. Я ставив 30мс, цього завжди вистачало.
Але якщо навіть такого параметру немає в трансивері - то нічого страшного не буде, бо час перемикання реле становить одиниці мс, тож нічого страшного з вихідними транзисторами не буде. Щоб вони «крякнули», треба ну дуже «тендітні» транзистори (а-ля КТ665). Якщо транзистори типу rd16, rd100 - то їм байдуже
А що стосується комутації, я для себе робив окремий блок з реле, які керувались сигналом з трансиверу, а ті реле вже комутували все що потрібно, в мене це був підсилювач, антенний комутатор. При цьому треба враховувати, що в цьому випадку - час який треба налаштовувати на затримку подачі ВЧ залежить від самого повільного реле в системі.
Re: Магнітна рамка для прийому
Додано: Суб квітня 20, 2024 5:50 pm
UR7HBP
Пошук в інтернеті слова секвенсор. Це така приблуда як раз для перемикання вчасно умілякого під час rx/tx. Бувають на реле, аналогові та на МК
Re: Магнітна рамка для прийому
Додано: Суб квітня 20, 2024 6:35 pm
UR4LGA
UR7HBP писав: ↑Суб квітня 20, 2024 5:50 pm
Пошук в інтернеті слова секвенсор. Це така приблуда як раз для перемикання вчасно умілякого під час rx/tx. Бувають на реле, аналогові та на МК
Так так, саме так. Це я потім дізнався - що це секвенсором називається.
Re: Магнітна рамка для прийому
Додано: Суб квітня 20, 2024 7:47 pm
UR5FFR
UY5AU писав: ↑П'ят квітня 19, 2024 9:26 pm
Андрій доброго дня.
Такє питання. Як можливо скомутувати дві антени, одну на передачу, іншу на прийом, в трансівері, з одним антеним гніздом, що б в якийсь момент часу, при переході з прийому на передачу, вихід трансівера не опинився в повітрі?
В мене трансівер саморобний тому вивести сигнал комутування антени не є проблема, що я й зробив. Схему я викладав у самому початку теми.
Як зробити якщо у вас немає такого сигналу - я не знаю
Re: Магнітна рамка для прийому
Додано: Нед квітня 21, 2024 11:50 am
UY5AU
Дуже дякую усім за відповідь.