Вузли лампових схем

UR5FFR
Повідомлень: 1452
З нами з: Пон вересня 12, 2022 4:04 pm
Has thanked: 132 times
Been thanked: 848 times

Вузли лампових схем

Повідомлення UR5FFR »

Принцип топіка - то же що в схемах трансиверів.
Не забуваємо - ніяких коментарів тут. Тут тільки бібліотека )
 
UR5VFT
Повідомлень: 589
З нами з: Вів січня 17, 2023 6:22 pm
Позивний: UR5VFT
Has thanked: 593 times
Been thanked: 127 times

Re: Вузли лампових схем

Повідомлення UR5VFT »

варіанти лампових змішувачів
 
Вкладення
см.rar
(1.16 МіБ) Завантажено 1655 разів
Пенсіонер
Повідомлень: 200
З нами з: Пон липня 10, 2023 9:39 pm
Has thanked: 9 times
Been thanked: 106 times

Re: Вузли лампових схем

Повідомлення Пенсіонер »

Ігор Віт  Сер жовтня 01, 2025 2:35 pm
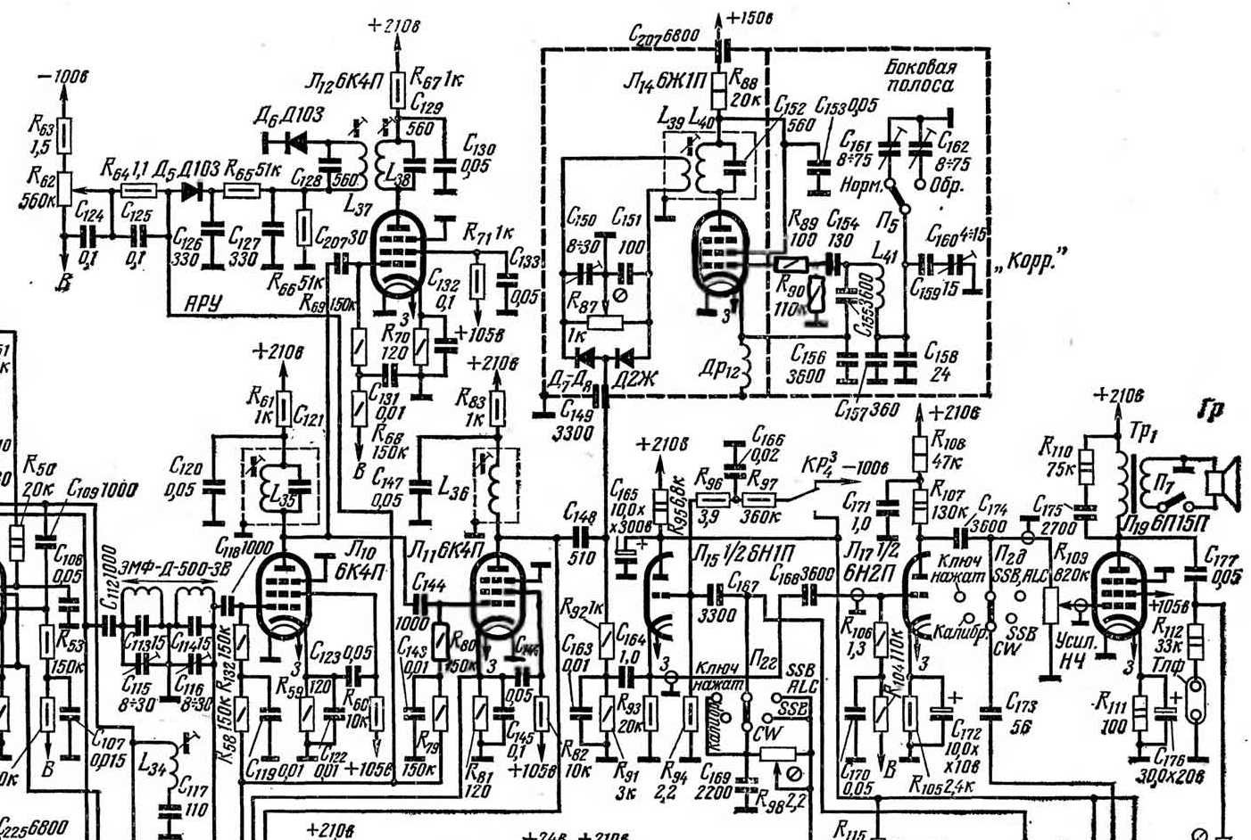
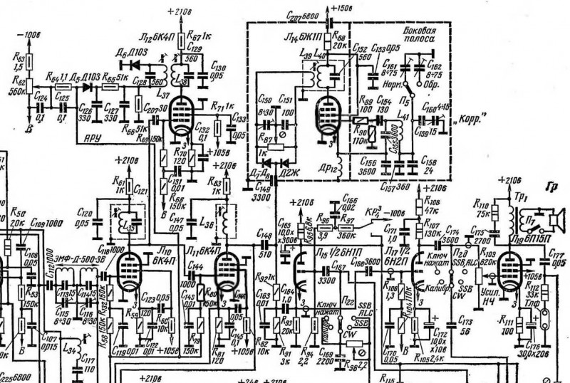
Та ламповий передавач:
 В цій схемі доволі незвичне схемне рішення балансного модулятора. Ніколи більше ніде не бачив. Цікаво,наскільки ефективно він працював?

Опис шунтового балансного модулятора є в самій книзі 1970 р.
Такий тип модулятора часто використовував UA1FA.
Крім наведених дивіться ще "Тр-р мисливця за DX" 1983 ("Р" №6) і ТЛ-50.
UA1FA наводив значення до -40 Дб.
ТЛОР 1970 шунтовий БМ 1.png
ТЛОР 1970 шунтовий БМ 2.png
ТЛОР 1970 шунтовий БМ 3.png
ДЛ-66.jpg
ДЛ-68.png
ДЛ-68.png (960.68 Кіб) Переглянуто 194679 разів
ДЛ-69 Конструкції 24 виставки.png
ДЛ-70.png
 
 
 
 
 
 
 
 
UR5VFT
Повідомлень: 589
З нами з: Вів січня 17, 2023 6:22 pm
Позивний: UR5VFT
Has thanked: 593 times
Been thanked: 127 times

Re: Вузли лампових схем

Повідомлення UR5VFT »

Якщо застосувати два діоди для балансного модулятора бажано застосувати варикапи як в тр. Урал наприклад    73!
UR5FFR
Повідомлень: 1452
З нами з: Пон вересня 12, 2022 4:04 pm
Has thanked: 132 times
Been thanked: 848 times

Re: Вузли лампових схем

Повідомлення UR5FFR »

UR5VFT писав: П'ят жовтня 03, 2025 1:16 pm Якщо застосувати два діоди для балансного модулятора бажано застосувати варикапи як в тр. Урал наприклад    73!

 
Принципи дії модуляторів на діодах та варікапах суттєво різняться. Діоди працюють у ключовому режимі, тобто в залежності від сигналу гетеродину вони або пропускають сигнал НЧ, або ні. Варікапи включають в режимі моста. Подача модулюючого НЧ сигналу приводить до порушення балансу та появі сигналу гетеродина на виході. Тому просто замінити у схемі діоди на варікапи не вийде
 
Пенсіонер
Повідомлень: 200
З нами з: Пон липня 10, 2023 9:39 pm
Has thanked: 9 times
Been thanked: 106 times

Re: Вузли лампових схем

Повідомлення Пенсіонер »

 
 Докладно пояснена робота модулятора.
SSB Theory and Pracnice 1.png
SSB Theory and Pracnice 1.png (33.87 Кіб) Переглянуто 194198 разів
SSB Theory and Pracnice 2.png
SSB Theory and Pracnice 2.png (111.38 Кіб) Переглянуто 194198 разів
SSB Theory and Pracnice 3.png
SSB Theory and Pracnice 3.png (315.96 Кіб) Переглянуто 194198 разів
SSB Theory and Pracnice 4.png
SSB Theory and Pracnice 4.png (399.3 Кіб) Переглянуто 194198 разів
SSB Theory and Pracnice 5.png
SSB Theory and Pracnice 5.png (129.26 Кіб) Переглянуто 194198 разів
 
 

 
 
 
 
 
 
 
 
 
 
 
 
UR5VFT
Повідомлень: 589
З нами з: Вів січня 17, 2023 6:22 pm
Позивний: UR5VFT
Has thanked: 593 times
Been thanked: 127 times

Re: Вузли лампових схем

Повідомлення UR5VFT »

ламповий мікшер..  73!
 
Вкладення
Эксперимент ламповый микшер.rar
(778.28 Кіб) Завантажено 1084 разів
UR5FFR
Повідомлень: 1452
З нами з: Пон вересня 12, 2022 4:04 pm
Has thanked: 132 times
Been thanked: 848 times

Re: Вузли лампових схем

Повідомлення UR5FFR »

UR5VFT писав: Вів грудня 16, 2025 1:56 am ламповий мікшер..  73!

 
Ви би посилання на оригінал давали а не отакий корявий переклад що очі можна зламати
UR5VFT
Повідомлень: 589
З нами з: Вів січня 17, 2023 6:22 pm
Позивний: UR5VFT
Has thanked: 593 times
Been thanked: 127 times

Re: Вузли лампових схем

Повідомлення UR5VFT »

UR5FFR писав: Вів грудня 16, 2025 11:06 am
UR5VFT писав: Вів грудня 16, 2025 1:56 am ламповий мікшер..  73!



 
Ви би посилання на оригінал давали а не отакий корявий переклад що очі можна зламати


 
http://jr1pwz.my.coocan.jp/vacuumtubes/ ... ixers1.htm
- чекаемо отлічного не корявого  переклада..  73!
 
 
UR5FFR
Повідомлень: 1452
З нами з: Пон вересня 12, 2022 4:04 pm
Has thanked: 132 times
Been thanked: 848 times

Re: Вузли лампових схем

Повідомлення UR5FFR »

UR5VFT писав: П'ят грудня 19, 2025 3:04 pm http://jr1pwz.my.coocan.jp/vacuumtubes/ ... ixers1.htm
- чекаемо отлічного не корявого  переклада..  73!

 
Хром запускаєте та включаєте там переклад. Ось приклади - ліворуч хром, праворуч те що ви виклали
Screenshot_2025_12_19-1.png
Screenshot_2025_12_19-2.png
Це колись років 7-8 тому хром так перекладав коряво. Зараз усе набагато краще, майже літературно
 
UT8AS
Повідомлень: 119
З нами з: Сер вересня 14, 2022 8:37 am
Позивний: UT8AS
Has thanked: 69 times
Been thanked: 48 times

Re: Вузли лампових схем

Повідомлення UT8AS »

UR5VFT писав: П'ят грудня 19, 2025 3:04 pm- чекаемо отлічного не корявого  переклада..  73!
 
 






 
Вітаю всіх! Вмикнув за посиланням гугл-перекладач - і набагато зрозуміліше став зміст тексту автора статті...але не став вкладати у вордовський документ...у кого остання версія браузера - спробуйте......випередили, але дякую...
 
 
 
 
 
 
Вкладення
Без имени.jpg
Відповісти