Приймач RX998.
-
Weezerspoon
- Повідомлень: 78
- З нами з: Нед березня 31, 2024 8:00 pm
- Has thanked: 18 times
- Been thanked: 33 times
Re: Приймач RX998.
Ну зовнішньої антени в мене нема, провід за вікном або по кімнаті розкиданий + заземлення на батарею опалення от і всі антенни. Є ще правда активна рамочна, нею хоч можна від сильних радіозавд відстроїтись, з нею хоч можна когось почути на 80м, бо там на провід я радіолюбителів чув тільки коли блекаути були і ефір був чистий як сльоза. А так то хочеться портатий приймач і на 1 метрову антену щоб приймав. Завтра вистругаю платку преампа і спробую з контуром і без як буде.
-
Weezerspoon
- Повідомлень: 78
- З нами з: Нед березня 31, 2024 8:00 pm
- Has thanked: 18 times
- Been thanked: 33 times
Re: Приймач RX998.
Якось регульнути підсилення тому преампу можливо? З контуром заводиься він у мене, з штирьом в 1 метр теж генерить. На провідок в 4см то працює і станції чую (мінівіп якийсь получився 
). Якщо біля провідка поставити той метровий штирь і руками до нього не лізти то чую ще гучніше ну і шумів лізе теж будь здоров.
). Якщо біля провідка поставити той метровий штирь і руками до нього не лізти то чую ще гучніше ну і шумів лізе теж будь здоров.
-
Weezerspoon
- Повідомлень: 78
- З нами з: Нед березня 31, 2024 8:00 pm
- Has thanked: 18 times
- Been thanked: 33 times
Re: Приймач RX998.
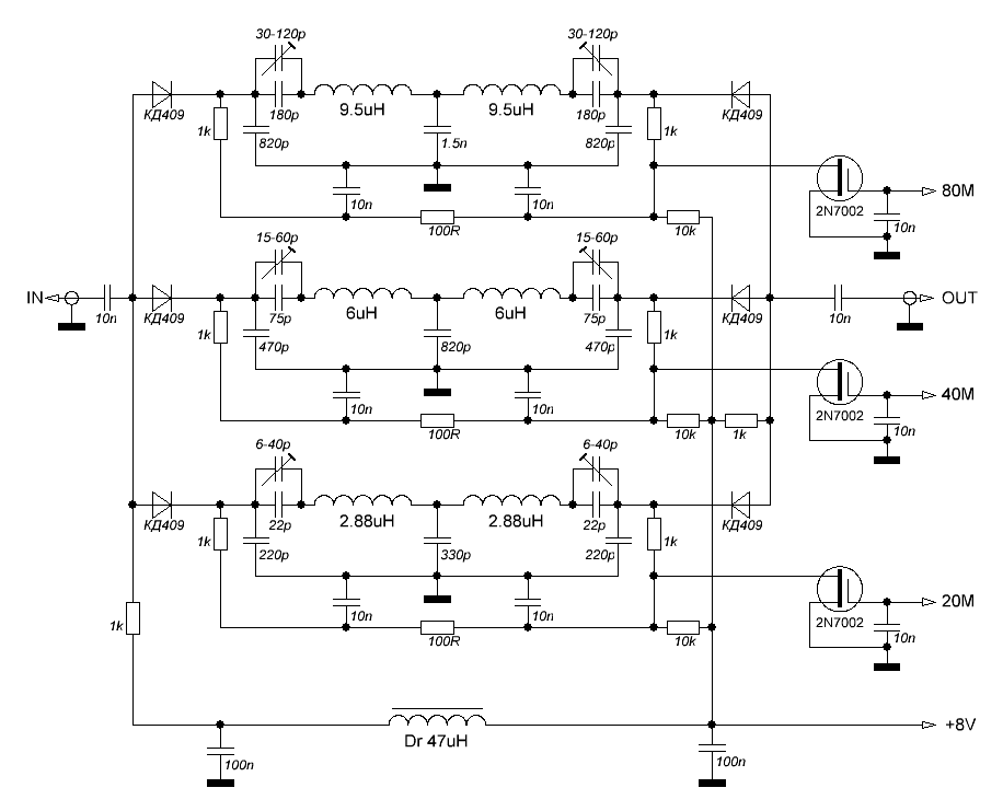
Андрію а як працює оцей кусок схеми? Варто повторити чи таки купувати ключі? Ще б туди 15м діапазон і буде "бімба".
-
Андрій_UR3ILF
- Повідомлень: 101
- З нами з: Суб жовтня 01, 2022 6:36 pm
- Звідки: Царичанка
- Позивний: UR3ILF
- Has thanked: 21 time
- Been thanked: 75 times
- Контактна інформація:
Re: Приймач RX998.
Це полосовики з перемиканням діодами. Особливість у них що верхній скат крутіший за нижній. Це для варіанту коли гетеродин завжди вище приймаємої частоти на величину ПЧ. Краще давить зеркалку.
Можна додавати інші діапазони які потрібні. Класика.
Можна додавати інші діапазони які потрібні. Класика.
- Вкладення
-
- 21.2.rar
- (1.07 Кіб) Завантажено 1596 разів
-
- 21-1.jpg (97.18 Кіб) Переглянуто 117715 разів
-
- 21-2.jpg (47.25 Кіб) Переглянуто 117715 разів
-
Weezerspoon
- Повідомлень: 78
- З нами з: Нед березня 31, 2024 8:00 pm
- Has thanked: 18 times
- Been thanked: 33 times
-
Андрій_UR3ILF
- Повідомлень: 101
- З нами з: Суб жовтня 01, 2022 6:36 pm
- Звідки: Царичанка
- Позивний: UR3ILF
- Has thanked: 21 time
- Been thanked: 75 times
- Контактна інформація:
Re: Приймач RX998.
Звичайно буде. Трохи бiльше будуть втрачення. Використовую 4148 у смд розмiру 0805.
В преампi теж перемикають катушки. На АЧХ є не ровностi пару децибел.
В преампi теж перемикають катушки. На АЧХ є не ровностi пару децибел.
-
Weezerspoon
- Повідомлень: 78
- З нами з: Нед березня 31, 2024 8:00 pm
- Has thanked: 18 times
- Been thanked: 33 times
Re: Приймач RX998.
Нікуди я не пропадав) А від чого станочку ломатися? От стенд собі вистругав щоб КФ фільтри покрутити.А пока чекаю підстроювальні конденсатори, буду ДПФ до приймача ліпити.
-
Weezerspoon
- Повідомлень: 78
- З нами з: Нед березня 31, 2024 8:00 pm
- Has thanked: 18 times
- Been thanked: 33 times
Re: Приймач RX998.
Андрію а діоди в ДПФ Д311 (Д310 теж вроді мають бути) не краще за 4148 будуть? Є їх в мене жменя. Сьогодні після роботи надіюсь дозбирати ДПФ.
-
ur6ibx
- Повідомлень: 16
- З нами з: Вів жовтня 17, 2023 8:27 pm
- Позивний: ur6ibx
- Has thanked: 1 time
- Been thanked: 1 time
Re: Приймач RX998.
працюе все але як ?Weezerspoon писав: ↑Чет травня 02, 2024 9:06 am Андрію а діоди в ДПФ Д311 (Д310 теж вроді мають бути) не краще за 4148 будуть? Є їх в мене жменя. Сьогодні після роботи надіюсь дозбирати ДПФ.