Вихідний каскад трансивера мікрон .

Відповісти
Freddy
Повідомлень: 299
З нами з: П'ят лютого 10, 2023 7:00 pm
Has thanked: 26 times
Been thanked: 49 times

Вихідний каскад трансивера мікрон .

Повідомлення Freddy »

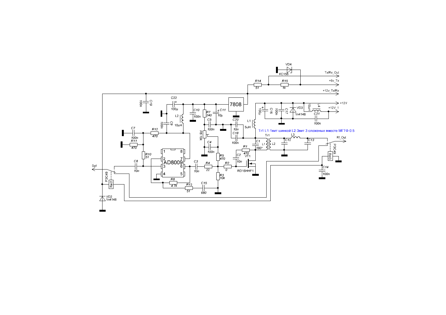
Привіт , хто збирав оцей ум від трансивера мікрон ? Які вимоги до трансформатора , точніше до його фериту  ? Може які підводні камені є в цій конструкції ? 
 
Вкладення
Схема
Схема
SIMON
Повідомлень: 18
З нами з: Чет травня 01, 2025 8:40 pm
Been thanked: 7 times

Re: Вихідний каскад трансивера мікрон .

Повідомлення SIMON »

колись збирав,давненько це було. нормально працює й досі-використовую як драйвер для УМ на ИРФах. трансформатор на 202 амідоні 1:3 мгтф 0,35 вроді. до конструктиву питань нема взагалі. якщо треба  знайду і сфотаю.
 
Freddy
Повідомлень: 299
З нами з: П'ят лютого 10, 2023 7:00 pm
Has thanked: 26 times
Been thanked: 49 times

Re: Вихідний каскад трансивера мікрон .

Повідомлення Freddy »

Дякую за інформацію  , я бачив що робили трансформатор на кільцях к10х6х5  1000 нн но там були якісь проблеми . Мені такі кільця простіше знайти  ніж амідон . Транзистор хотів поставити ірф510 . Мені на два діапазони  , 80 і 40м  . Думаю буде працювати 


П. С.  У вас сам каскад зроблено чи увесь мікрон ?
Ur5ydw
Повідомлень: 43
З нами з: Вів вересня 13, 2022 9:21 pm
Позивний: Ur5ydw
Has thanked: 25 times
Been thanked: 34 times

Re: Вихідний каскад трансивера мікрон .

Повідомлення Ur5ydw »

Зверніть особливу увагу на якість землі (особливо якщо плата з двостороннього текстоліту,в такому випадку якомога більше перемичок між сторонами)...в Ад8009 можливо змінювати коефіцієнт підсилення,якщо його задерти досить високо ,то при невдалому монтажі -возбкд гарантовано...а кільця там і 600 і 1000 піде якщо мова про 3,5-7...зібрав три таких підсилювача,роботою задоволений...
Freddy
Повідомлень: 299
З нами з: П'ят лютого 10, 2023 7:00 pm
Has thanked: 26 times
Been thanked: 49 times

Re: Вихідний каскад трансивера мікрон .

Повідомлення Freddy »

Збирали на RD15HHF1 ,чи щось інше ставили ?плату  робили по автору чи свою?
SIMON
Повідомлень: 18
З нами з: Чет травня 01, 2025 8:40 pm
Been thanked: 7 times

Re: Вихідний каскад трансивера мікрон .

Повідомлення SIMON »

Транзистор хотів поставити ірф510 . Мені на два діапазони  , 80 і 40м  .  
вся краса цього УМ в його АЧХ по всім діапазонам....що до УМ на 510 то я би відійшов від мікросхеми і збирав би на транзюках.та і про вихід не забував би-все таки однотакт при 12в живлення.....
 
UR5VFT
Повідомлень: 559
З нами з: Вів січня 17, 2023 6:22 pm
Позивний: UR5VFT
Has thanked: 552 times
Been thanked: 111 times

Re: Вихідний каскад трансивера мікрон .

Повідомлення UR5VFT »

Freddy писав: Пон червня 02, 2025 10:29 pm Збирали на RD15HHF1 ,чи щось інше ставили ?плату  робили по автору чи свою?

 
може RD15HVF1
 
Freddy
Повідомлень: 299
З нами з: П'ят лютого 10, 2023 7:00 pm
Has thanked: 26 times
Been thanked: 49 times

Re: Вихідний каскад трансивера мікрон .

Повідомлення Freddy »

SIMON писав: Пон червня 02, 2025 11:06 pm
Транзистор хотів поставити ірф510 . Мені на два діапазони  , 80 і 40м  .  
вся краса цього УМ в його АЧХ по всім діапазонам....що до УМ на 510 то я би відійшов від мікросхеми і збирав би на транзюках.та і про вихід не забував би-все таки однотакт при 12в живлення.....
 


 
Мене приваблює простота цієї схеми  , для мого простого трансивере це якраз те що треба . А що з мікросхемою не так ? 


Помилився , правильно буде RD16HHF1
 
Ur5ydw
Повідомлень: 43
З нами з: Вів вересня 13, 2022 9:21 pm
Позивний: Ur5ydw
Has thanked: 25 times
Been thanked: 34 times

Re: Вихідний каскад трансивера мікрон .

Повідомлення Ur5ydw »

Freddy писав: Пон червня 02, 2025 10:29 pm Збирали на RD15HHF1 ,чи щось інше ставили ?плату  робили по автору чи свою?

 
Рд16... використовував,плату трохи під себе переробляв..в трансформаторі амідон використовував....з мікросхемою все в порядку,просто якщо прийдеться збільшити коефіцієнт підсилення(а в моєму випадку було саме так) то треба звернути увагу на обв'язку Адешки інакше вона почне "співати"...підсилювач за цією схемою використовував з клонами сдр1000, мінієсом та тпп пілігрим....
UR5VFT
Повідомлень: 559
З нами з: Вів січня 17, 2023 6:22 pm
Позивний: UR5VFT
Has thanked: 552 times
Been thanked: 111 times

Re: Вихідний каскад трансивера мікрон .

Повідомлення UR5VFT »

Ur5ydw писав: Вів червня 03, 2025 2:12 pm
Freddy писав: Пон червня 02, 2025 10:29 pm Збирали на RD15HHF1 ,чи щось інше ставили ?плату  робили по автору чи свою?


 
Рд16... використовував,плату трохи під себе переробляв..в трансформаторі амідон використовував....з мікросхемою все в порядку,просто якщо прийдеться збільшити коефіцієнт підсилення(а в моєму випадку було саме так) то треба звернути увагу на обв'язку Адешки інакше вона почне "співати"...підсилювач за цією схемою використовував з клонами сдр1000, мінієсом та тпп пілігрим....

 
а скільки на вхід мілівольт подаєте?
Відповісти