Сторінка 1 з 47
Ламповий TRX без комутації гетеродинів
Додано: П'ят червня 16, 2023 2:40 pm
UR5FFR
Щоб не захламлювати топік "Трансивер на надмініатюрних лампах" виділяю в окрему тему деякі схеми, які я там пропонував. Якщо комусь цікаво - обговорення продовжуємо тут
Ідея першої схеми узята з конструкції
мікротрансивера "Коник".
Друга схема має архітектуру яка знайома по трансиверу "Роса" та іншим. Варіант реверсивного каскаду ППЧ на подвійному тріоді має перевагу у тому, що дозволяє роздільно регулювати коефіцієнт підсилення для RX/TX. Гетеродини намальовані схематично. Замість них можливо використовувати синтезатор.
Третя схема - це римейк реверсивних каскадів з
TRX Raisin. Крім реверсивного ППЧ в неї також реверсивний ПНЧ, який працює також як мікрофонний підсилювач. Перший каскад ППЧ між першим змішувачем та КФ також можна зробити на подвійному тріоді.
На усіх схемах перемикачі у положенні RX. Підсилювач НЧ не намальовано - можна використовувати стандартну схему на 6Ф4П/6Ф5П.
На схемах нема діплексерів після перших змішувачів. Якщо не економимо на сірниках то його треба ставити.
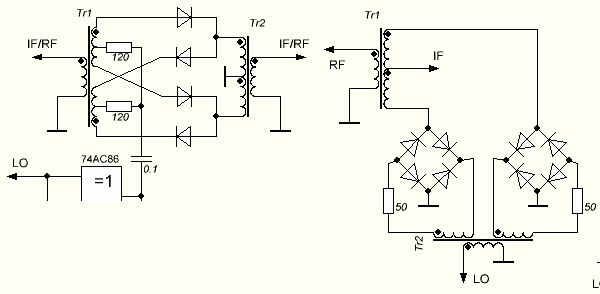
Якщо треба отримати більш динамічного діапазону від діодного змішувача то його можна виконати по одній з наступних схем

- high level diode mixer.png (15.84 Кіб) Переглянуто 146041 раз
Re: Ламповий TRX без комутації гетеродинів
Додано: П'ят червня 16, 2023 7:49 pm
oldPsyho
Є питання по другому варіанту:
1. R16 я так розумію, регулює рівень ТХ, R11 це баланс, а R15 ?
2. Перша лампа ППЧ, там обов'язково з високим S ?
3. Мікрофонний підсилювач, використовується у вас мосфет. А є варіант з біполярним транзистором та електретним мікрофоном?
4. Який приблизно рівень VFO/BFO повинен бути (Vpp)?
5. АРП, від і до? Схемку АРП на лампах не покажете?))
Дякую.
Re: Ламповий TRX без комутації гетеродинів
Додано: П'ят червня 16, 2023 8:08 pm
UR5FFR
oldPsyho писав: ↑П'ят червня 16, 2023 7:49 pm
1. R16 я так розумію, регулює рівень ТХ, R11 це баланс, а R15 ?
2. Перша лампа ППЧ, там обов'язково з високим S ?
3. Мікрофонний підсилювач, використовується у вас мосфет. А є варіант з біполярним транзистором та електретним мікрофоном?
4. Який приблизно рівень VFO/BFO повинен бути (Vpp)?
5. АРП, від і до? Схемку АРП на лампах не покажете?))
1. R15 виставляє робочу точку - без сигналу гетеродина лампа повинна бути закрита, але не так шоб зовсім. Тобто трішки зліва від початку характеристики.
2. Шумовий опір тріода дорівнює 2,5/S. Тому тут треба щось з крутезною 10-20мА/В. Та й узгоджувати простіше бо вхідний/вихідний опір по входу буде 1/S.
3. Мікрофон там електретний - не намалював живлення. Замість мосфета можна поставити біполярний npn та в базу йому десь 10-20кОм послідовно щоб обмежити базовий струм
4. BFO десь 3-4Vpeak, VFO треба підбирати
5. АРП папізже
Re: Ламповий TRX без комутації гетеродинів
Додано: П'ят червня 16, 2023 8:10 pm
oldPsyho
UR5FFR писав: ↑П'ят червня 16, 2023 8:08 pm
oldPsyho писав: ↑П'ят червня 16, 2023 7:49 pm
1. R16 я так розумію, регулює рівень ТХ, R11 це баланс, а R15 ?
2. Перша лампа ППЧ, там обов'язково з високим S ?
3. Мікрофонний підсилювач, використовується у вас мосфет. А є варіант з біполярним транзистором та електретним мікрофоном?
4. Який приблизно рівень VFO/BFO повинен бути (Vpp)?
5. АРП, від і до? Схемку АРП на лампах не покажете?))
1. R15 виставляє робочу точку - без сигналу гетеродина лампа повинна бути закрита, але не так шоб зовсім. Тобто трішки зліва від початку характеристики.
2. Шумовий опір тріода дорівнює 2,5/S. Тому тут треба щось з крутезною 10-20мА/В. Та й узгоджувати простіше бо вхідний/вихідний опір по входу буде 1/S.
3. Мікрофон там електретний - не намалював живлення. Замість мосфета можна поставити біполярний npn та в базу йому десь 10-20кОм послідовно щоб обмежити базовий струм
4. BFO десь 3-4Vpeak, VFO треба підбирати
5. АРП папізже
Хм... U7 це тріод?)) Там же написано - 6Ж52П))
Re: Ламповий TRX без комутації гетеродинів
Додано: П'ят червня 16, 2023 9:10 pm
UR5FFR
oldPsyho писав: ↑П'ят червня 16, 2023 8:10 pm
Хм... U7 це тріод?)) Там же написано - 6Ж52П))
Для пентоду формула дещо складніша, але залежність та ж сама - чим більша крутезна тим менше шумовий опір

- tube_param_6.jpg (13.99 Кіб) Переглянуто 146008 разів
Re: Ламповий TRX без комутації гетеродинів
Додано: П'ят червня 16, 2023 9:25 pm
oldPsyho
Що на це скажете?)
Re: Ламповий TRX без комутації гетеродинів
Додано: П'ят червня 16, 2023 9:32 pm
UR5VCP
А який опір фільтра? то кварцевий? я про транс L2, він там потрібен?
Re: Ламповий TRX без комутації гетеродинів
Додано: П'ят червня 16, 2023 9:34 pm
oldPsyho
UR5VCP писав: ↑П'ят червня 16, 2023 9:32 pm
А який опір фільтра? то кварцевий? я про транс L2, він там потрібен?
кф, 8863кгц, 390 ом. А транс напевне що потрібен
Re: Ламповий TRX без комутації гетеродинів
Додано: П'ят червня 16, 2023 9:41 pm
UR5VCP
В лампочки в катоді 1К не забагато? Вона ж заперта буде в упор. Ну тоді транс якщо по витках 1на2 то по опору 1на4, тоді дасть 1000/4=250 ом.
Зараз Андрій підкаже точно. Але я не впевнений що там 1К буде.
Я розумію, це ніби то базове значення, і від нього можна танцювати... але не настільки ж... Чи можна?
Re: Ламповий TRX без комутації гетеродинів
Додано: П'ят червня 16, 2023 9:44 pm
oldPsyho
UR5VCP писав: ↑П'ят червня 16, 2023 9:41 pm
В лампочки в катоді 1К не забагато? Вона ж заперта буде в упор. Ну тоді транс якщо по витках 1на2 то по опору 1на4, тоді дасть 1000/4=250 ом.
Зараз Андрій підкаже точно. Але я не впевнений що там 1К буде. Screenshot_52.jpg
Я розумію, це ніби то базове значення, і від нього можна танцювати... але не настільки ж... Чи можна?
Я ще не проставляв потрібні номінали. Просто накидав схему з тих кусків, які ви показали))
Це все прийдеться покаскадно робити та вганяти лампи в режим.
Непогано булоб наною це все б настроїти, але я навіть поняття не маю, як це правильно зробити.