Сторінка 1 з 2
Аудіо кодек в SDR
Додано: Вів липня 11, 2023 8:26 pm
iurii
Все почалось з того, що з Аліекспрес прислали мені кодекі TLV320AIC3204. Знаю що че така собі лотерея то ж захотілося мені їх перевірити. Для цього знайшов перехідник QFN32 - DIP запаяв туди мікросхему і на макетній платі зібрав просту схему з виходом на навушники та на NS8002 і одним мікрофонним входом. В якості мікроконтролера використовую плату на ESP32. Після декількох днів програмування все запрацювало.
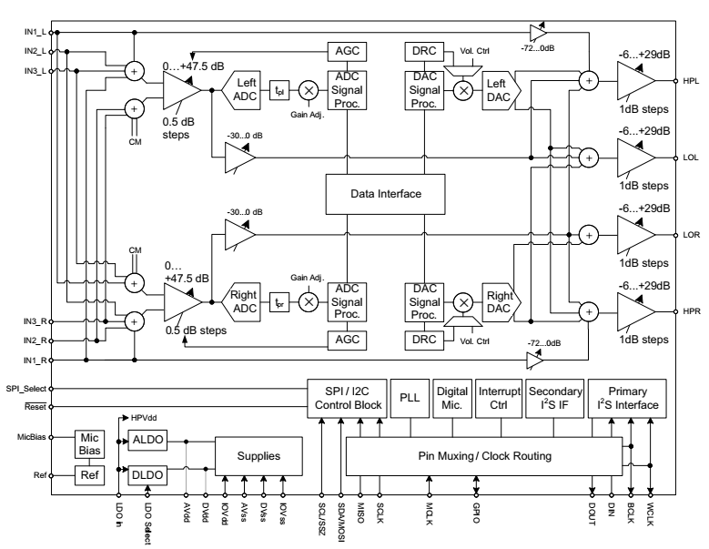
І тут потрібно сказати трохи про сам кодек. Він має таку структуру:

- codec.png (103.12 Кіб) Переглянуто 65556 разів
На вході АЦП стоять підсилювачі в яких програмно можна змінювати підсилення і вхідний опір (10кОм, 20кОм, 40кОм) також можна сконфігурувати для роботи з диференційними сигналами. То ж у мене з'явилась ідея додати на макетку ще модуль з Si5351 та змішувач на 3253 (бо є в наявності

). На схемі зображено в червоній рамці. В подібних схемах бачив, що після змішувача ставлять підсилювачі на ОП, але оскільки в кодека є такі підсилювачі то ідея полягає в тому щоб на пряму підключитися і до того ж я програмно можу керувати напругою зміщення на входах (0.9В або 0.75В), що в теорії дає можливість позбутися резистивних кіл зміщення.
Цікавить думка експертів на скільки моя ідея робоча і чи варто з таким підходом взагалі експериментувати?
То відносилось до приймача, а от стосовно передавача. Маємо на виході підсилювач який може працювати безпосередньо на навушники. В диференційному включенні мінімальний опір навантаження 32Ом у звичайному 16Ом. Клас В. Чи можливо його підключить безпосередню до змішувача без додаткових ОП?
Re: Аудіо кодек в SDR
Додано: Вів липня 11, 2023 9:40 pm
UR5FFR
iurii писав: ↑Вів липня 11, 2023 8:26 pm
В подібних схемах бачив, що після змішувача ставлять підсилювачі на ОП, але оскільки в кодека є такі підсилювачі то ідея полягає в тому щоб на пряму підключитися і до того ж я програмно можу керувати напругою зміщення на входах (0.9В або 0.75В), що в теорії дає можливість позбутися резистивних кіл зміщення. Цікавить думка експертів на скільки моя ідея робоча і чи варто з таким підходом взагалі експериментувати?
Усе упирається у шум. Наприклад NE5532 має 5nV/sqrt(Hz). Треба з даташиту на кодек з'ясувати скільки він дає шуму. Якщо більше то треба ставити попередній підсилювач. Для диференційних входів можна використовувати інструментальний підсилювач с діфвиходом.
iurii писав: ↑Вів липня 11, 2023 8:26 pm
То відносилось до приймача, а от стосовно передавача. Маємо на виході підсилювач який може працювати безпосередньо на навушники. В диференційному включенні мінімальний опір навантаження 32Ом у звичайному 16Ом. Клас В. Чи можливо його підключить безпосередню до змішувача без додаткових ОП?
А чому ж ні - я вважаю можна.
Re: Аудіо кодек в SDR
Додано: Вів липня 11, 2023 10:35 pm
UR5FFR
Подивився даташит - 2uVrms у смузі 20кГц. Це 14nV/sqrt(Hz). У три рази більше ніж у NE5532.
14nV/sqrt(Hz) - це приблизно 27db noise figure. Ще 6дб додасть змішувач. Та 1-2дб ДПФ. Разом NF = 27+6+2=35db.
Рахуємо чутливість у режимі SSB зі смугою 3кГц та С/Ш=10дб
-174dBm + 10*log(3000) + NF + С/Ш = -174 + 34.8 + 35 + 10 = 94.2dBm
Це десь 4.3uV - не фонтан.
Якщо перед змішувачем поставити підсилювач то не більше 10дб, бо вб'є динаміку. Це знизить noise figure до 23дб. Чутливість підвищиться та стане приблизно 1uV
Для порівняння NE5532 має NF=18дб. Без підсилювача чутливість буде десь 1мкв, з попереднім ВЧ підсилювачем - 0,25..0,3мкв
З іншого боку вони кажуть що THD+N=-85дб. За 0дб вони беруть 0,5Vrms. Тоді -85дб це 28мкв. Тут зовсім усе погано

Re: Аудіо кодек в SDR
Додано: Сер липня 12, 2023 12:47 pm
iurii
Дякую за відповідь. Як завжди все зрозуміло і доступно ))
Значить буду дивитися якийсь інструментальний підсилювач, а бажано два в одній мікросхемі. Все ж таки хочеться мінімум компонентів
Re: Аудіо кодек в SDR
Додано: Чет липня 13, 2023 1:01 pm
iurii
Ще з'явилось питання стосовно схеми змішувача де використовується NS8002. Як я бачу на вхід подається не квадратурний сигнал, а значить після нього має ще стояти полосовий фільтр і ще один перетворювач.
Мене завжди стримувало від збірки аналогових трансиверів те, що в них використовуються вузькополосні фільтри які вже давно не виробляються, або кварцові фільтри для конструювання яких потрібно мати набір кварців і відповідне обладнання. Тому цікаво чи можливо там використати LC фільтр?
Re: Аудіо кодек в SDR
Додано: Чет липня 13, 2023 1:30 pm
UR5FFR
iurii писав: ↑Чет липня 13, 2023 1:01 pm
Ще з'явилось питання стосовно схеми змішувача де використовується NS8002. Як я бачу на вхід подається не квадратурний сигнал, а значить після нього має ще стояти полосовий фільтр і ще один перетворювач.
Мене завжди стримувало від збірки аналогових трансиверів те, що в них використовуються вузькополосні фільтри які вже давно не виробляються, або кварцові фільтри для конструювання яких потрібно мати набір кварців і відповідне обладнання. Тому цікаво чи можливо там використати LC фільтр?
Схема з NS8002 використовується у фільтровому тракті, тобто вона формує DSB, а потрібна бокова смуга виділяється за допомогою КФ. LC фільтр не допоможе бо він занадто широкосмуговий.
Можливо використовувати не тільки вузкополосні фільтри якщо подавати на змішувач ультразвуковий сигнал. Тобто в DSP ми переносимо вхідний сигнал зі смуги 0-3000Гц наприклад у 20000-23000Гц. На змішувач подаємо частоту 10680кГц. На виході маємо дві бокові смуги - 10657-10660кГц та 10700-10703кГц. Далі ставимо відносно широкий покупний фільтр на 10700кГц. Один або декілька щоб на відстані 40кГц від смуги пропускання вони забезпечили придушення бокової не менше 60дб. Таку архітектуру я використав у
Altair 107 DSP - там стоїть один ФП2П4-436 зі смугою 15кГц
Якщо робити декілька перетворювань частоти то тоді у якості першої частоти можливо узяти 450/455/465кГц - там безліч керамічних фільтрів можна купити. Але потрібна ще одне перетворення частоти на другу ПЧ. Наприклад 45МГц, і трете перетворення вже на частоту передачі
Також ніхто не забороняє встановити два однакових змішувача на NS8002, подати їм на вхід НЧ сигнал у квадратурі, ключі тактувати теж гетеродином у квадратурі, а вихідні сигнали скласти або відняти. Тоді на виході отримаєте SSB. Пригнічення бокової смуги буде залежати від точності формування квадратур та амплітудно дизбалансу у каналах.
Re: Аудіо кодек в SDR
Додано: Чет липня 13, 2023 2:19 pm
iurii
Re: Аудіо кодек в SDR
Додано: Чет липня 13, 2023 3:14 pm
UR5FFR
У них 40дб/25кГц. Скільки воно там буде на 40кГц - невідомо. В даташиті пишуть що не гірше 40дб. Може й 60дб буде. Якщо іграшку збираєте то я вважаю одного буде досить. Але буде уражена точка на 15 метрах, другий змішувач не придушить повністю частоту ПЧ та вона може попасти на вихід
Re: Аудіо кодек в SDR
Додано: Суб липня 29, 2023 1:15 pm
iurii
Експерименти з кодеком продовжується. То ж врахувавши всі зауваження схему приймача було перероблено.
Окрім того китайці прислали дисплей 240х320 2''. Його теж вирішив перевірити. Схема вийшла така:
Накидав орієнтовний інтерфейс

- sdr-320x240.jpg (19.76 Кіб) Переглянуто 65432 разів
Наразі поки зробив тільки АМ та експериментував з алгоритмом компенсації розбалансу фази та амплітуди і запустив LCD з статичною картинкою.
А ще, здається, вхідний підсилювач дає занадто велике підсилення, що впливає на роботу при потужних вхідних сигналах.
Якщо все буде більш менш нормально працювати то, можливо, зроблю додаткову плату яку можна буде встановлювати замість DDC/CUC в
Udai SDR. Бо спробував шукати де можна купити ПЛІС, з цим проблема зараз. А так буде такий собі лайтовий варіант )))
Re: Аудіо кодек в SDR
Додано: Суб липня 29, 2023 8:53 pm
UR5FFR
Який алгоритм компенсації розбалансу використовуєте?