Схемотехніка портативних приймачів

UR5FFR
Повідомлень: 1452
З нами з: Пон вересня 12, 2022 4:04 pm
Has thanked: 132 times
Been thanked: 848 times

Re: Схемотехніка портативних приймачів

Повідомлення UR5FFR »

У багатьох приймачах SONY використовує широкосмугову магнітну антену для прийому на СВ/ДВ. Ось типові схемі з ICF SW07 та ICF SW55
Screenshot_2025_08_02-1.png
 
Screenshot_2025_08_02-2.png
Основна котушка включена у затвор ПТ, а ось в його стік підключено віток зв'язку, який працює як негативний зворотній зв'язок. ПТ навантажено на контур 2,2mH+390pF з частотою резонансу 170кГц. По ідеї це все зроблено щоб отримати лінійну АЧХ. В сервіс-мануалі немає інформації яка кількість витків та індуктивність магнітної антени, але знайшов фото нутрощів - можна порахувати приблизно скільки.
Якщо у когось є інформація по подібним широкосмуговим нерезонансним магнітним антенам для СВ-ДВ - пишіть, бо цікаво щось подібне зробити
 
IMG_0041-1.jpg
IMG_0041-1.jpg (84.54 Кіб) Переглянуто 56018 разів
 
icfsw55_3.jpg
icfsw55_3.jpg (80.95 Кіб) Переглянуто 56018 разів
Андрій_UR3ILF
Повідомлень: 104
З нами з: Суб жовтня 01, 2022 6:36 pm
Звідки: Царичанка
Позивний: UR3ILF
Has thanked: 22 times
Been thanked: 78 times
Контактна інформація:

Re: Схемотехніка портативних приймачів

Повідомлення Андрій_UR3ILF »

Кину схему з етона.
Вхiдна частина теж iнтересна но менi не сподоболося так як воно процювало. Може тому що робив на кiльцях.
Вкладення
etonsatellitsch.rar
(145.56 Кіб) Завантажено 1092 разів
efm
Повідомлень: 16
З нами з: Пон липня 14, 2025 2:39 am
Has thanked: 1 time
Been thanked: 7 times
Контактна інформація:

Re: Схемотехніка портативних приймачів

Повідомлення efm »

UR5FFR писав: Суб серпня 02, 2025 4:23 pmОсновна котушка включена у затвор ПТ, а ось в його стік підключено віток зв'язку, який працює як негативний зворотній зв'язок.
Якщо у когось є інформація по подібним широкосмуговим нерезонансним магнітним антенам для СВ-ДВ - пишіть, бо цікаво щось подібне зробити.
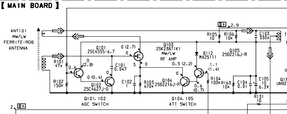
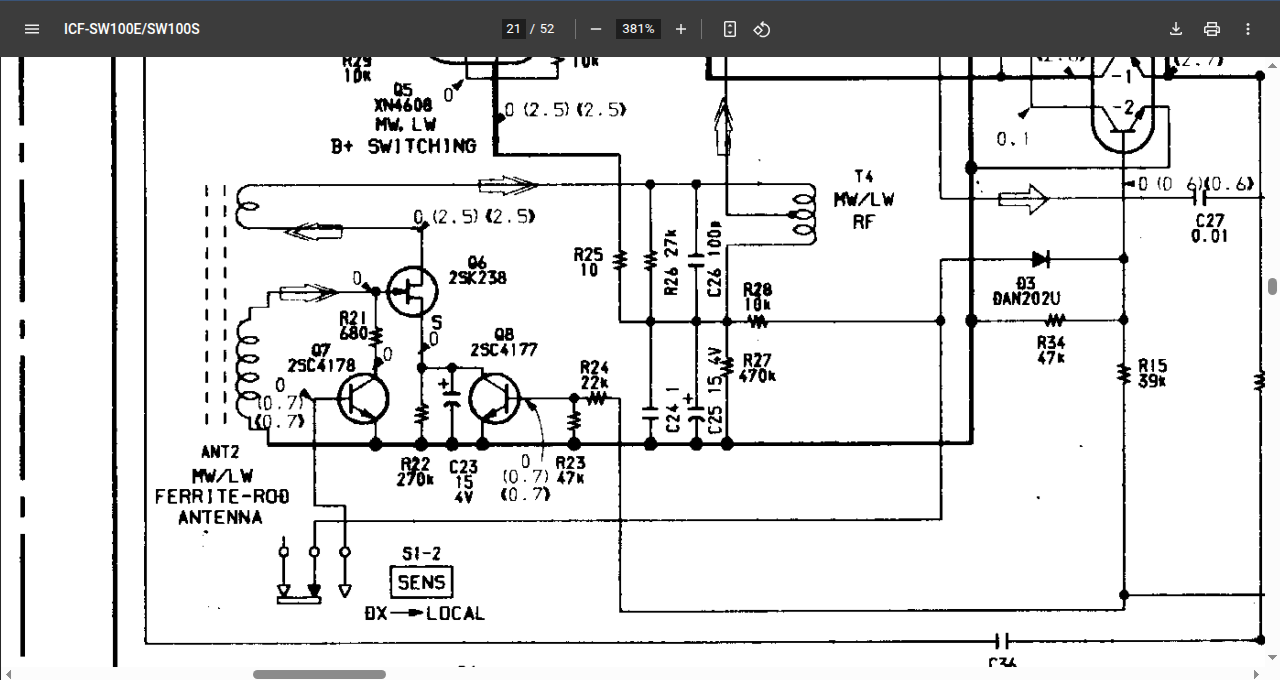
Sony ICF-SW100E/SW100S (1997) — Ref.No. 40 — Part.No. X3368-536-1 CHASIS ASSY (included ANT2) Sony ICF-SW100E/SW100S (2005) — Ref.No. ANT2 — Part.No. 1-501-657-31 — ANTENNA, FERRITE-ROD (LW.MW)
icf-sw100s_antenna.jpg
icf-sw100s_antenna.jpg (67.85 Кіб) Переглянуто 55975 разів
icf-sw100s_sch.png
icf-sw100s_pcb.png
icf-sw100s_pcb2.png
 
Ігор Віт.
Повідомлень: 80
З нами з: Вів червня 18, 2024 6:44 pm
Has thanked: 8 times
Been thanked: 24 times

Re: Схемотехніка портативних приймачів

Повідомлення Ігор Віт. »

Андрій_UR3ILF писав: Чет липня 31, 2025 2:07 pm  
 Зробив ще на прикiнцi зими.
Живлення вiд одного лiтiя BL5C.
1-30МГц перекриття LSB|USB без екзотичних деталей.
Преамп в сусiдний темi викладав.
 

 
 
 
 
 
 




 
 А де преамп можна глянути?
 
 
 
max123
Повідомлень: 25
З нами з: Нед вересня 15, 2024 1:38 pm
Позивний: немає
Has thanked: 52 times
Been thanked: 4 times

Re: Схемотехніка портативних приймачів

Повідомлення max123 »

В темі приймачі, ATS-20+
Андрій_UR3ILF
Повідомлень: 104
З нами з: Суб жовтня 01, 2022 6:36 pm
Звідки: Царичанка
Позивний: UR3ILF
Has thanked: 22 times
Been thanked: 78 times
Контактна інформація:

Re: Схемотехніка портативних приймачів

Повідомлення Андрій_UR3ILF »

Konstantin M
Повідомлень: 128
З нами з: Суб квітня 26, 2025 7:31 pm
Позивний: Us1g__
Has thanked: 74 times
Been thanked: 26 times

Re: Схемотехніка портативних приймачів

Повідомлення Konstantin M »

Degen DE1103.
 
Вкладення
DE1103 Cicruit Diagram.pdf
(318.47 Кіб) Завантажено 1051 раз
Відповісти