Антенний тюнер

UR5VFT
Повідомлень: 589
З нами з: Вів січня 17, 2023 6:22 pm
Позивний: UR5VFT
Has thanked: 593 times
Been thanked: 127 times

Re: Антенний тюнер

Повідомлення UR5VFT »

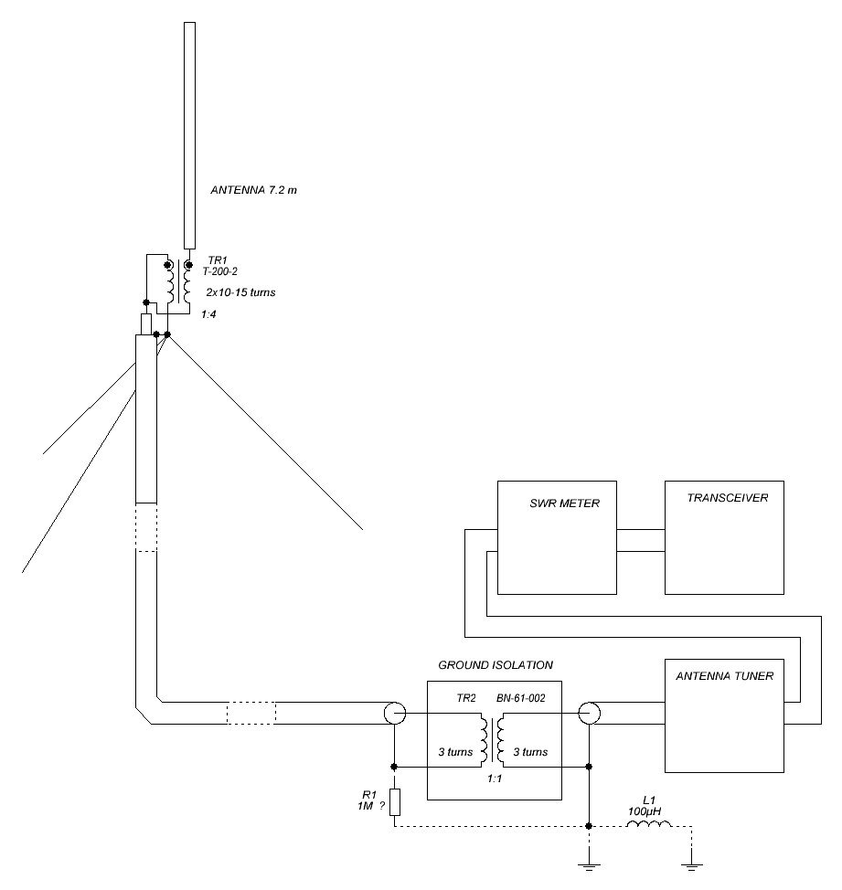
UT8AS писав: Пон грудня 29, 2025 8:38 pm Вітаю всіх! Тут є гарний тюнер від 4Z5KY, який я вже випробував як для антени так і для узгодження TRX і ПА...може кому стане у пригоді...катушки пробував різні, головне співвідношення витків між відводами...Вертикал из удочки и компактный “Z-match” антенный тюнер..pdf
 


 
антени ці ?
 
Вкладення
GROUND ISOLATION - копия.JPG
antenna - копия.JPG
UT8AS
Повідомлень: 119
З нами з: Сер вересня 14, 2022 8:37 am
Позивний: UT8AS
Has thanked: 69 times
Been thanked: 48 times

Re: Антенний тюнер

Повідомлення UT8AS »

UR5VFT писав: Пон січня 26, 2026 9:40 pm антени ці ?
 
Уявіть собі вертикал на 160м в рюкзаку для походу...мове йде саме про 160м діапазон, буде, швидше за все, який небудь несим.діполь або LW багатодіапазонні...від 10м до 40м діапазонів проблем немає з УП (СУ), а от про узгодження Z-матч або FRI-матч на 160м ніде немає опису...а хочеться активувати дипломи на всіх діапазонах...та й спробувати унів.пристрій для УП в системі TRX-ПА... 
 
UR5VFT
Повідомлень: 589
З нами з: Вів січня 17, 2023 6:22 pm
Позивний: UR5VFT
Has thanked: 593 times
Been thanked: 127 times

Re: Антенний тюнер

Повідомлення UR5VFT »

знайшов першоджерело. ці антени з цими тюнерами пропонував Сергій. спробую варіант з розв'язкою тр 1-1    73!
 
Вкладення
Z-tuner_80-10m_T-200-2_sch.JPG
Z-tuner_80-10m_T-200-2.JPG
UR5VFT
Повідомлень: 589
З нами з: Вів січня 17, 2023 6:22 pm
Позивний: UR5VFT
Has thanked: 593 times
Been thanked: 127 times

Re: Антенний тюнер

Повідомлення UR5VFT »

узгодження Z-матч або FRI-матч на 160м ніде немає опису...а хочеться активувати дипломи на всіх діапазонах...та й спробувати унів.пристрій для УП в системі TRX-ПА... 
 
- https://www.ahars.au/vk5br/ZMatch/Singl ... .8MHz.html
 - https://www.ahars.au/vk5br/index-2.html
UT8AS
Повідомлень: 119
З нами з: Сер вересня 14, 2022 8:37 am
Позивний: UT8AS
Has thanked: 69 times
Been thanked: 48 times

Re: Антенний тюнер

Повідомлення UT8AS »

UR5VFT писав: П'ят січня 30, 2026 1:08 am ...а хочеться... 

 
Дякую за цей матеріал. Я рідко заходив на іншомовний контент, бо з перекладом були проблеми, зараз вже набагато краще (див.додаток). Дещо з цього в мене вже було, а з повітряною котушкою з витками зв'язку вже робив і він десь у Сумах працює. Проблема в тому, що нема конкретного опису ЯК воно працює. І, як я вже говорив, нема пояснень який саме конденсатор краще збільшувати на 160м у FRI-MATCH...а хочеться спробувати, бо в залежності від Омного навантаження його можна підключати в прямому і зворотньому напрямку...
Z-match на 160м.docx
(61.91 Кіб) Завантажено 458 разів
 
UR5VFT
Повідомлень: 589
З нами з: Вів січня 17, 2023 6:22 pm
Позивний: UR5VFT
Has thanked: 593 times
Been thanked: 127 times

Re: Антенний тюнер

Повідомлення UR5VFT »

хто т пробував такий тюнер  KW E-Zee match . пишуть погоджує Frequency Range 3.5 MHz - 30 MHz Resistive  - -  15 ohms - 5000 ohms 73!
- https://www.radio-workshop.co.uk/g4nsj- ... ing-units/
 
 
 
 
Вкладення
kw-ezee-match-circuit-1024x500.jpg
Відповісти