Сторінка 2 з 4
Re: Новий погляд на архітектуру UW3DI
Додано: П'ят січня 24, 2025 9:11 pm
UR5FFR
UR5VFT писав: ↑П'ят січня 24, 2025 8:04 pm
- Андрій. по Реду вхід та вихід з одного тр. а подача ГПД або КВГ. на другий тр. для прикладу з книги
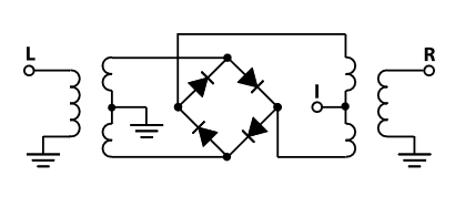
DBM має три порти які рівнозначні. Так, класичне уключення це як у Реда або на наступній схемі
Но треба пам'ятати що DBM забезпечує ізоляцію між парами виході L-I та R-I. А ось ізоляцію між L-R він не забезпечує. Тому якщо сигнал гетеродину досить близько до частоти передачі то при класичній схемі наш гетеродин попаде на вихід бо в нас реверс. А от якщо подати гетеродин як у мене то він не попадає ні на вихід змішувача ні на вхід. Тому така топологія має певний сенс - усе залежить від співідношеня частот та від того у якому напрямку працює змішувач.

- Screenshot_2025_01_24-4.png (10.83 Кіб) Переглянуто 101424 разів
UR5VFT писав: ↑П'ят січня 24, 2025 8:04 pm
- якщо застосувати реверсивні підсилювачі. можна спробувати на дешевих 327 польових із застосуванням ару.. 73!
Навішщо брати 327і якщо BF998 стоять копійки та мають гарні параметри?
Re: Новий погляд на архітектуру UW3DI
Додано: Суб січня 25, 2025 1:27 am
UR5VFT
Навішщо брати 327і якщо BF998 стоять копійки та мають гарні параметри?
-
- звичайно згоден з вами. думав про BF991 а автоматично написав 327. як пінсіонер відразу думаю що застосувати дешевше. але ідея зробити на них реверсивні каскади цікава.макетував у схемі за типом Клопіка.. 73!
Re: Новий погляд на архітектуру UW3DI
Додано: Суб січня 25, 2025 10:28 am
US5MSQ
UR5FFR писав: ↑П'ят січня 24, 2025 9:11 pmНавішщо брати 327і якщо BF998 стоять копійки та мають гарні параметри?
Вітаю. Ось знайшов BF998 на Космодромі. Копійки???
Re: Новий погляд на архітектуру UW3DI
Додано: Суб січня 25, 2025 12:03 pm
UR5FFR
US5MSQ писав: ↑Суб січня 25, 2025 10:28 am
Вітаю. Ось знайшов BF998 на Космодромі. Копійки???
Ну космодром то не показник. Ось наприклад ціни на пром.юа
Ось ще декілька онлайн магазинів

- Screenshot_2025_01_25-4.png (66.2 Кіб) Переглянуто 101312 разів

- Screenshot_2025_01_25-5.png (40.92 Кіб) Переглянуто 101312 разів
Але дешевше за все звісно брати на алі бо там є пропозиції де 10шт коштує менше бакса - тобто 4грн/шт
PS у 998 є два варіанти - BF998 та BF998R. відрізняються розпіновкою
Re: Новий погляд на архітектуру UW3DI
Додано: Суб січня 25, 2025 12:54 pm
UR5VFT
US5MSQ писав: ↑Суб січня 25, 2025 10:28 am
UR5FFR писав: ↑П'ят січня 24, 2025 9:11 pmНавішщо брати 327і якщо BF998 стоять копійки та мають гарні параметри?
Вітаю. Ось знайшов BF998 на Космодромі. Копійки???
ADE-1-24 теж коштують чимало та доставка 100 гривень. дякую від пенсіонерів доведеться повернутися до лампочок..73!
Re: Новий погляд на архітектуру UW3DI
Додано: Суб січня 25, 2025 3:35 pm
UR5FFR
UR5VFT писав: ↑Суб січня 25, 2025 12:54 pmADE-1-24 теж коштують чимало та доставка 100 гривень. дякую від пенсіонерів доведеться повернутися до лампочок..73!
ADE-1-24 я узяв для прикладу як типового представника кільцевих змішувачів на діодах. Якщо ви відкриєте Реда то там будуть ті самі параметри. Тому мотаємо два транси та беремо з тумбочки діоди будь які ВЧ кремнієві або шотткі і отримуємо змішувач з приблизно такими ж параметрами за ціною у нуль гривень. Тому не треба тут капцями кидатися

Re: Новий погляд на архітектуру UW3DI
Додано: П'ят січня 31, 2025 3:10 pm
UR5VFT
Тому не треба тут капцями кидатися
- так ми і не кидаємося. а просто за нинішнього матеріального становища намагаємося щось зробити не гірше але з тумбочки..73!
Re: Новий погляд на архітектуру UW3DI
Додано: П'ят січня 31, 2025 5:03 pm
oldPsyho
UR5VFT писав: ↑П'ят січня 31, 2025 3:10 pm
Тому не треба тут капцями кидатися
- так ми і не кидаємося. а просто за нинішнього матеріального становища намагаємося щось зробити не гірше але з тумбочки..73!
Тумбочки у всіх різні))
Тому треба рішення заточене під найбільш розповсюджені та дешеві запчастини...
Re: Новий погляд на архітектуру UW3DI
Додано: Нед лютого 02, 2025 5:19 pm
UR5VFT
- Андрій. а можете порахувати для другої пч 6мгц..73!
Re: Новий погляд на архітектуру UW3DI
Додано: Нед лютого 02, 2025 9:49 pm
UR5FFR
UR5VFT писав: ↑Нед лютого 02, 2025 5:19 pm
- Андрій. а можете порахувати для другої пч 6мгц..73!
Я рахував - там усе погано. Ті частоти що я навів більш-менш оптимальні