Сторінка 1 з 2
Китайські клони SDRPlay RSP1
Додано: Вів вересня 20, 2022 12:16 pm
UR5FFR
Останній час на алі з'явилось декілька клонів RSP1 по дуже привабливим цінам. Зазвичай вони коштують десь 15-20$. У відмінності від попередніх клонів які копіювали RSP1A, це копії більш ранньої RSP1, яка не має серійного номеру і
не блокується у програмі SDRUno.

- dxcluster_sdrplay.jpg (651.54 Кіб) Переглянуто 53328 разів
Клон №1. Має один вхід та електронну комутацію діапазонних фільтрів. Містить невідключний ПВЧ на MMIC, тому на коротких хвилях його треба використовувати з атенюатором у разі підключення повнорозмірної антени. Можна рекомендувати цей клон для приймання в УКХ діапазоні.

- rsp1_clone_2.png (277.56 Кіб) Переглянуто 53328 разів
Клон №2. Має один вхід та комутацію за допомогою мініатюрних перемикачів. По відгукам перемикачі мають погану якість та не зовсім призначені для роботи на частотах вище 100-200МГц.

- rsp1_clone_3.png (363.61 Кіб) Переглянуто 53328 разів
Клон №3. Має роздільні входи на кожний діапазон. Є принципова схема плати (
https://github.com/EndlessEden/msiSDR/tree/RSP1-S). На мій погляд це найбільш оптимальний варіант

- rsp1_clone_1.png (417.37 Кіб) Переглянуто 53328 разів

- rsp1_clone_1a.png (172.47 Кіб) Переглянуто 53328 разів

- rsp1_clone.png (1.31 МіБ) Переглянуто 53328 разів
ВАЖЛИВО! Перед використанням обов'язково встановлювати по входу захисні діоди, наприклад 1N4148, BAV99 та інші.
В мене є оригінальний RSP1A та клон №3 з п'ятьма входами. Клон працює чудово. На базі цього клону я зробив трансівер
http://www.ur5ffr.com/viewtopic.php?f=32&t=371
Крім використання цього DDC як приймача його так само можна використовувати як аналізатори спектру. Для цього є безкоштовний софт
https://www.sdrplay.com/spectrum-analyser
Окрім SDRUno можна використовувати SDR++
https://github.com/AlexandreRouma/SDRPlusPlus/releases (є під win64 та лінукс)

- sdr++rsp1_clone.png (849.16 Кіб) Переглянуто 53328 разів
Re: Китайські клони SDRPlay RSP1
Додано: П'ят лютого 17, 2023 10:37 am
Олександр ux1vx
Вітаю усіх шанувальників СДР! Я теж купив собі такий китайський клон і хочу зістикувати його з трансивером. Вже вийшло підключити його до Omni-Rig, але далі діло не йде. Може хто підскаже який повинен бути алгоритм дій? Завдання зістикувати FT-920, який має САТ через СОМ порт з RSP1 і цю зв"язку підключити до UR5EQF, а в ідеалі і до N1MM. До Omni Rig вони вже підключені. 73!
Re: Китайські клони SDRPlay RSP1
Додано: Пон лютого 27, 2023 8:32 pm
UR5FFR
Почитайте доку від виробника на SDRUno - там цілий розділ про COM. Усе чудово працює згідно доки.
Re: Китайські клони SDRPlay RSP1
Додано: П'ят вересня 15, 2023 4:54 pm
UT4NJ
Всiм привiт! Хтось пробував клон №3 з прогою SDRconnect, в мене не хоче працювати.
Re: Китайські клони SDRPlay RSP1
Додано: Нед вересня 17, 2023 2:59 pm
UR5VCP
Нагадали про тему...
Клон версія 1 (не 1а), попав мені в руки вже з "підшмаленим" входом на 0-30 (чи то 30-60). Втрата чутливості десь під 50 дб, вхідні опори теж не адекватні, як і постійні напруги на входах. Отже для оживляння цієї кракозябри є три шляхи:
- купити нову мсі001 і радіти життю, але то альоекспресс, та й взагалі легкі шляхи не для нас!
- оскільки інші входи живі, та чудово працюють, то просто зробити конвертер, елементарно просто, перенести спектр на 150 чи 200 мгц вверх, що покращить вхідні параметри. Але то паяти, ліньки та нунах.
- а може як заставити вибирати на нч бендах входи, які не погоріли, як ця чупакабра взагалі керується, я розумію що по СПІ шині, можна якось перемикати її примусово? Чи... ну просто спочатку дати команду ніби ми працюємо на 102 мгц, а потім заблокувати сигнал СПІ_ЕН...
Хто мав досвід? По СПІ там я так розумію, ще й команди настройки на частоту йдуть? Вона ж віддає IQ сигнали далі? Тому тупо заблокувати сигнал СПІ_ЕН не прокатає?
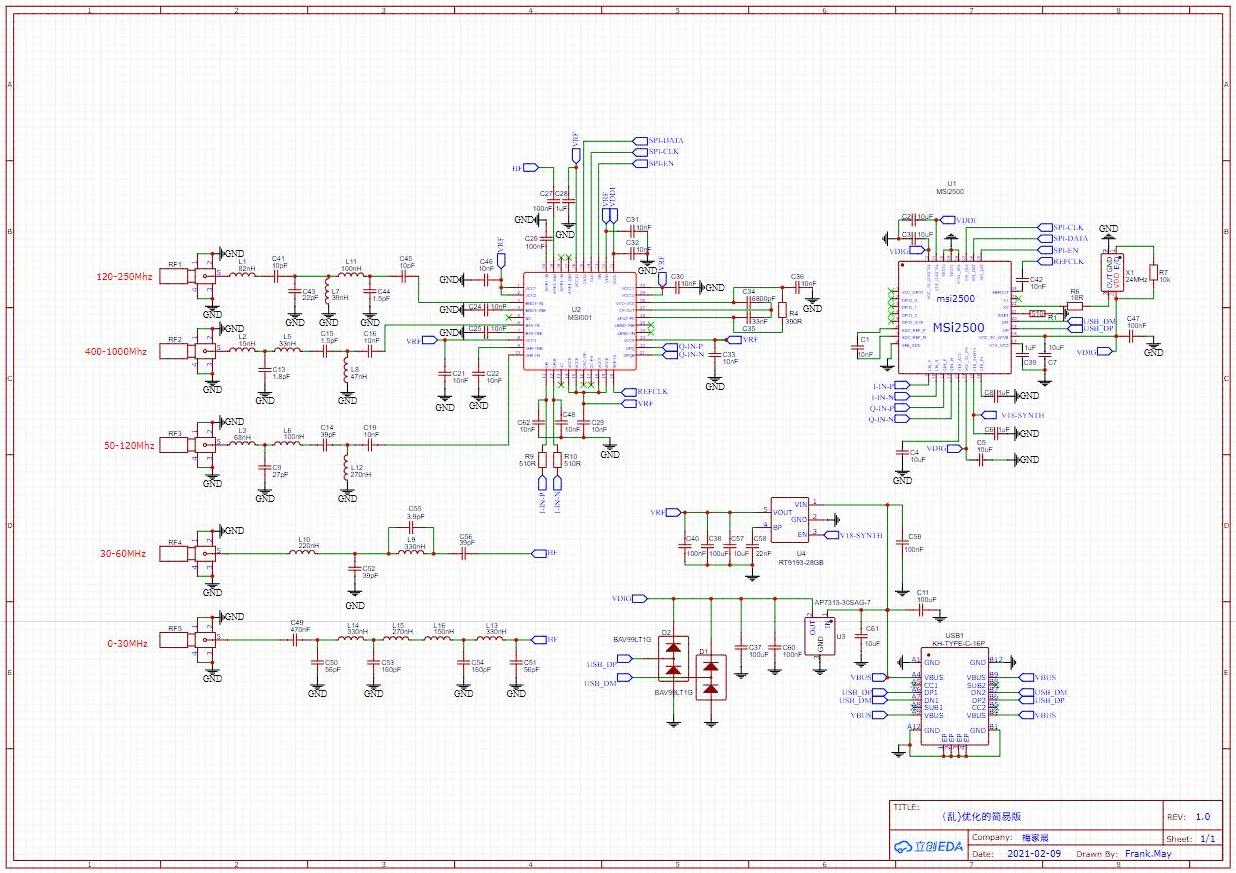
Андрію, якщо є більш якісна схема, то прикріпи файликом, бо там воно то видно, але вирвиглазно ((
Re: Китайські клони SDRPlay RSP1
Додано: Нед вересня 17, 2023 3:40 pm
UR5FFR
UR5VCP писав: ↑Нед вересня 17, 2023 2:59 pm
Нагадали про тему...
Клон версія 1 (не 1а), попав мені в руки вже з "підшмаленим" входом на 0-30 (чи то 30-60). Втрата чутливості десь під 50 дб, вхідні опори теж не адекватні, як і постійні напруги на входах. Отже для оживляння цієї кракозябри є три шляхи:
- купити нову мсі001 і радіти життю, але то альоекспресс, та й взагалі легкі шляхи не для нас!
- оскільки інші входи живі, та чудово працюють, то просто зробити конвертер, елементарно просто, перенести спектр на 150 чи 200 мгц вверх, що покращить вхідні параметри. Але то паяти, ліньки та нунах.
- а може як заставити вибирати на нч бендах входи, які не погоріли, як ця чупакабра взагалі керується, я розумію що по СПІ шині, можна якось перемикати її примусово? Чи... ну просто спочатку дати команду ніби ми працюємо на 102 мгц, а потім заблокувати сигнал СПІ_ЕН...
Хто мав досвід? По СПІ там я так розумію, ще й команди настройки на частоту йдуть? Вона ж віддає IQ сигнали далі? Тому тупо заблокувати сигнал СПІ_ЕН не прокатає?
Андрію, якщо є більш якісна схема, то прикріпи файликом, бо там воно то видно, але вирвиглазно ((
На мій погляд треба купувати чіп та перепаювати. Але якщо у пана буде натхнення то я приатачив даташити

PS схеми більш якісної нема - маємо те що маємо
Re: Китайські клони SDRPlay RSP1
Додано: Нед вересня 17, 2023 3:47 pm
UR5VCP
UR5FFR писав: ↑Нед вересня 17, 2023 3:40 pm
На мій погляд треба купувати чіп та перепаювати. Але якщо у пана буде натхнення то я приатачив даташити

PS схеми більш якісної нема - маємо те що маємо
Відчуваю легкий сарказм, але ДШ таки подивлюся, бо цікаво ))
По ходу заставити використовувати інші вхідні кола не реально?
Re: Китайські клони SDRPlay RSP1
Додано: Нед вересня 17, 2023 4:00 pm
UR5VCP
UR5FFR писав: ↑Нед вересня 17, 2023 3:40 pm
На мій погляд треба купувати чіп та перепаювати.
Якщо пан матиме час та натхнення щось замовляти в алі, та випадково замовить мені нового чіпа, то я матиму нагоду дуже подякувати ))
Re: Китайські клони SDRPlay RSP1
Додано: Нед вересня 17, 2023 5:05 pm
UR5FFR
UR5VCP писав: ↑Нед вересня 17, 2023 3:47 pm
Відчуваю легкий сарказм, але ДШ таки подивлюся, бо цікаво ))
Сарказм? А це що таке?
UR5VCP писав: ↑Нед вересня 17, 2023 3:47 pm
По ходу заставити використовувати інші вхідні кола не реально?
Ну мабуть реально. Розібратися з даташитом та драйвер переписати - і усе буде працювати. Ти ж казав що не шукаєш легких шляхів? Ну ось - як і просив
UR5VCP писав: ↑Нед вересня 17, 2023 4:00 pm
Якщо пан матиме час та натхнення щось замовляти в алі, та випадково замовить мені нового чіпа, то я матиму нагоду дуже подякувати ))
За той час скільки ця плата в тебе лежить той чип приїхав би з алі вже раза 2-3
Re: Китайські клони SDRPlay RSP1
Додано: Нед вересня 17, 2023 5:20 pm
UR5VCP
UR5FFR писав: ↑Нед вересня 17, 2023 5:05 pm
За той час скільки ця плата в тебе лежить той чип приїхав би з алі вже раза 2-3
Ми ж не шукаємо легких шляхів