Сторінка 1 з 1
Формування імпульсу по фронту й спаду сигналу .
Додано: Пон квітня 21, 2025 1:36 pm
Freddy
Доброго дня , може хтось може порадити робочу схему? З мкросхем є тільки 4093 трігер шмідта та rs тригер ну і жменя транзисторів)
Re: Формування імпульсу по фронту й спаду сигналу .
Додано: Пон квітня 21, 2025 2:27 pm
UR5FFR
Не зовсім зрозуміло що потрібно за схему зробити. Що на вході та що на виході?
Re: Формування імпульсу по фронту й спаду сигналу .
Додано: Пон квітня 21, 2025 2:46 pm
Freddy

- Цш
Є приймач us5msq і є цш схема якої додаю . Щоб шкала правильно показувала потрібно їй посилати сигнал коли пч додавати а коли віднімати . На цш це можна зробити натискаючи кнопки . А сам приймач дає сигнал замикаючи - 1F на корпус коли увімкнено діапазон 20м .
Re: Формування імпульсу по фронту й спаду сигналу .
Додано: Пон квітня 21, 2025 2:49 pm
Freddy
Схема приймача

Re: Формування імпульсу по фронту й спаду сигналу .
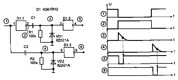
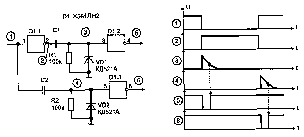
Додано: Пон квітня 21, 2025 2:52 pm
Freddy
Була ідея все це діло подружити через отаку схему

- 1-49.gif (4.28 Кіб) Переглянуто 39358 разів
Але в мене немає мікросхеми інвертора , а nand 4011 який в мене є в цій схемі не хоче працювати (входи разом і маємо інвертор )
Re: Формування імпульсу по фронту й спаду сигналу .
Додано: Пон квітня 21, 2025 6:01 pm
Freddy
Freddy писав: ↑Пон квітня 21, 2025 2:52 pm
Була ідея все це діло подружити через отаку схему 1-49.gifАле в мене немає мікросхеми інвертора , а nand 4011 який в мене є в цій схемі не хоче працювати (входи разом і маємо інвертор )
Я таки запустив схему ) С1,С2 10мкф , R1,R2 220k . VD1,VD2 1n4148. Напруга живлення 5в .