Змішувач на мікросхемі 174пс1
-
- Повідомлень: 446
- З нами з: Вів січня 17, 2023 4:22 pm
- Позивний: UR5VFT
- Has thanked: 416 times
- Been thanked: 93 times
Змішувач на мікросхемі 174пс1
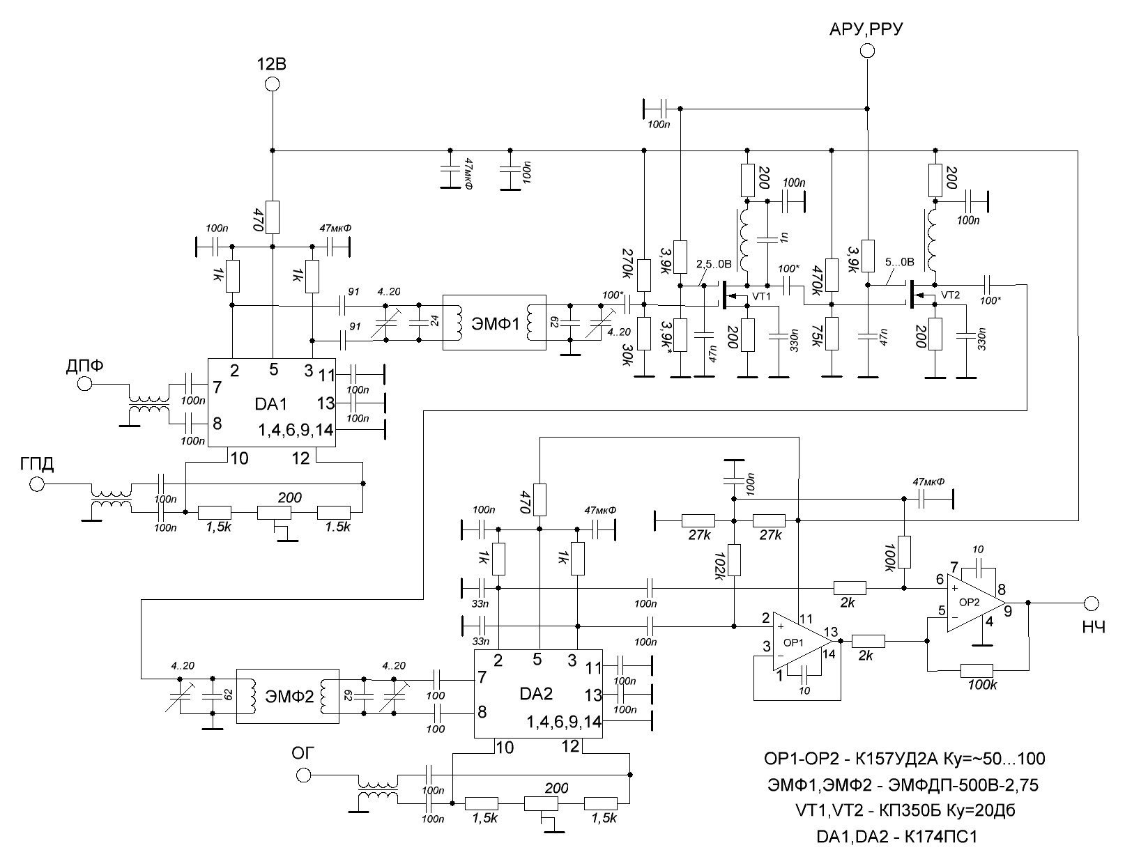
- Попросили схему симетричного включення емф зі змішувачем на ПС1. для прикладу приймач . 73!
- https://us5qbr.blogspot.com/2021/03/blog-post.html
- https://us5qbr.blogspot.com/2021/03/blog-post.html
-
- Повідомлень: 1211
- З нами з: Пон вересня 12, 2022 1:04 pm
- Has thanked: 85 times
- Been thanked: 640 times
Re: Змішувач на мікросхемі 174пс1
У нових конструкціях і тим паче початківцям немає ніякого сенсу використовувати такі древні мікросхеми. Та і купити їх зараз майже неможливо.
Якщо потрібен активний змішувач то із сучасного є AD831. На алі коштує приблизно 1$. Параметри набагато краще ніж 174ПС1 та SA612
Якщо потрібен активний змішувач то із сучасного є AD831. На алі коштує приблизно 1$. Параметри набагато краще ніж 174ПС1 та SA612
-
- Повідомлень: 446
- З нами з: Вів січня 17, 2023 4:22 pm
- Позивний: UR5VFT
- Has thanked: 416 times
- Been thanked: 93 times
Re: Змішувач на мікросхемі 174пс1
- https://standart-pribor.com.ua/product/ ... kroskhema/
- https://zapadpribor.com/174ps1/
- https://3v3.com.ua/product_6747.html
- https://flagma.ua/uk/mikroskhemy-seriy- ... 04538.html итд. зрозумів. Ви можете видалити тему 73!
- https://zapadpribor.com/174ps1/
- https://3v3.com.ua/product_6747.html
- https://flagma.ua/uk/mikroskhemy-seriy- ... 04538.html итд. зрозумів. Ви можете видалити тему 73!
-
- Повідомлень: 1211
- З нами з: Пон вересня 12, 2022 1:04 pm
- Has thanked: 85 times
- Been thanked: 640 times
Re: Змішувач на мікросхемі 174пс1
Спочатку ви кажете що для вас S9018, які коштують 5грн за десяток, то дуже дорого. А потім іншим пропонуєте мікросхеми по 60грн ставити. Де логіка? 
174ПС1 повністю скопійована з сіменсовскої S042, яка вже дуже-дуже давно не випускається. Замість неї можна поставити 6 звичайних транзисторів - четвірку та два нижніх підібрати з близькою беттою. Якщо брати імпорт та смд - то буде майже гібрідка.
До речі якщо перерахувати резистори зміщення щоб струм колектора був не 1мА, а 15-20мА то це суттєво підвищить динамічний діапазон

174ПС1 повністю скопійована з сіменсовскої S042, яка вже дуже-дуже давно не випускається. Замість неї можна поставити 6 звичайних транзисторів - четвірку та два нижніх підібрати з близькою беттою. Якщо брати імпорт та смд - то буде майже гібрідка.
До речі якщо перерахувати резистори зміщення щоб струм колектора був не 1мА, а 15-20мА то це суттєво підвищить динамічний діапазон
-
- Повідомлень: 201
- З нами з: П'ят лютого 10, 2023 5:00 pm
- Has thanked: 17 times
- Been thanked: 40 times
Re: Змішувач на мікросхемі 174пс1
Памятаю як народ мучився з некондиційними мс . Купити нормальну мікросхему була лотарея . А зараз ситуація явно не краще .UR5VFT писав: ↑П'ят серпня 22, 2025 4:21 pm - https://standart-pribor.com.ua/product/ ... kroskhema/
- https://zapadpribor.com/174ps1/
- https://3v3.com.ua/product_6747.html
- https://flagma.ua/uk/mikroskhemy-seriy- ... 04538.html итд. зрозумів. Ви можете видалити тему 73!
-
- Повідомлень: 446
- З нами з: Вів січня 17, 2023 4:22 pm
- Позивний: UR5VFT
- Has thanked: 416 times
- Been thanked: 93 times
Re: Змішувач на мікросхемі 174пс1
точно лотерея. купив 10 шт лм317 на алі. всі пустушкиПамятаю як народ мучився з некондиційними мс . Купити нормальну мікросхему була лотарея . А зараз ситуація явно не краще .
- Андрій. можна все купити. але в мене багато друзів працюють і роблять прості тр для душі. наприклад той же Аматор на пс це імфа для них на їхнє прохання. якщо не можна приберіть. а поки що в архіві 1 частина. 73!
- Вкладення
-
- пс1 ЧАСТЬ 1.rar
- (2.94 МіБ) Завантажено 132 разів
-
- Повідомлень: 446
- З нами з: Вів січня 17, 2023 4:22 pm
- Позивний: UR5VFT
- Has thanked: 416 times
- Been thanked: 93 times
Re: Змішувач на мікросхемі 174пс1
друга частина.. 73!
- Вкладення
-
- пс1 часть 2-2.rar
- (2.02 МіБ) Завантажено 112 разів
-
- пс1 часть2.rar
- (2.64 МіБ) Завантажено 115 разів
-
- Повідомлень: 29
- З нами з: Вів червня 18, 2024 3:44 pm
- Has thanked: 3 times
- Been thanked: 7 times