Приймач RX998.

Freddy
Повідомлень: 236
З нами з: П'ят лютого 10, 2023 7:00 pm
Has thanked: 20 times
Been thanked: 43 times

Re: Приймач RX998.

Повідомлення Freddy »

Freddy писав: П'ят листопада 07, 2025 8:28 pm  виправив схему. якщо кому цікаво то можу показати малюнок печатки . 
 

 
Можна Q7 поставити bss138? 
serge_m
Повідомлень: 44
З нами з: Пон лютого 17, 2025 8:10 pm
Has thanked: 17 times
Been thanked: 14 times

Re: Приймач RX998.

Повідомлення serge_m »

Si2301 p-канальний
BSS138 n-канальний
Freddy
Повідомлень: 236
З нами з: П'ят лютого 10, 2023 7:00 pm
Has thanked: 20 times
Been thanked: 43 times

Re: Приймач RX998.

Повідомлення Freddy »

Визнаю  свою люту неуважність. :(  поставлю  si2319DS  . Дуже схоже за параметрами 
 
Freddy
Повідомлень: 236
З нами з: П'ят лютого 10, 2023 7:00 pm
Has thanked: 20 times
Been thanked: 43 times

Re: Приймач RX998.

Повідомлення Freddy »

Ніколи раніше не мав справи з діодною комунікацією . Днф налаштшвувати як і всі інші ? Подати напругу на потрібний діапазон на вхід і вихід підєднати nwtnano  і вперед ? Чи є якісь нюанси. 
UR5FFR
Повідомлень: 1291
З нами з: Пон вересня 12, 2022 4:04 pm
Has thanked: 104 times
Been thanked: 685 times

Re: Приймач RX998.

Повідомлення UR5FFR »

Діодна комутація це як релейна але на діодах :) Якщо через діод тече струм приблизно 5-10мА то він працює як резистор з дуже малим опором і майже не вносить втрат. Коли він запер зворотною напругою - то він як конденсатор ємністю декілька пф (див. даташит) і його опір досить великий (в залежності від частоти). 

PS ніхто не хоче допомагати, усі дюже зайняті. в мене 5 днів світла геть не було через цих клятих під%рів - добре що дали, а якби ні? так би й висіло питання у повітрі?
UT8AS
Повідомлень: 92
З нами з: Сер вересня 14, 2022 8:37 am
Позивний: UT8AS
Has thanked: 43 times
Been thanked: 38 times

Re: Приймач RX998.

Повідомлення UT8AS »

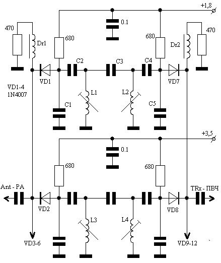
Вітаю всіх! В моєму МініК-у ДПФ перемикається діодами за схемою, яка нижче. Пробував КД409 і 1N4007 - різниці по чуйці не помітив, а останні витримали неабияку грозу... Але там синтез і ДПФ комутуються міні-галєтником (+12в) на 11 положень...Для кращого заперання діодів не робочих бендів, можна поставити паралельно розв'язуючим конденс-ам 2 - 2,2кОм...
ДПФ 5x2 cx.jpg
ДПФ 5x2 cx.jpg (33.33 Кіб) Переглянуто 3375 разів
 
 
Ігор Віт.
Повідомлень: 45
З нами з: Вів червня 18, 2024 6:44 pm
Has thanked: 5 times
Been thanked: 10 times

Re: Приймач RX998.

Повідомлення Ігор Віт. »

UR5FFR писав: П'ят грудня 19, 2025 4:47 pm
PS ніхто не хоче допомагати, усі дюже зайняті. 
так а що тут допомагати?
 питання було схоже на легкий тролінг. діодна комутація дпф відома вже років з 50.
як вона працює, написано тисячу разів в літературі....

кому справді потрібна допомога, так це корисувачу ОК1 в темі про гібридні мікросхеми. він задав конкретне питання, але.... 
 
UR5FFR
Повідомлень: 1291
З нами з: Пон вересня 12, 2022 4:04 pm
Has thanked: 104 times
Been thanked: 685 times

Re: Приймач RX998.

Повідомлення UR5FFR »

UT8AS писав: П'ят грудня 19, 2025 5:13 pmПробував КД409 і 1N4007 - різниці по чуйці не помітив, а останні витримали неабияку грозу... 
Щоб не вибивало у грозу краще поставити по входу реле яке коротить антену на землю якщо трансивер не включено - в мене як вигорів перший змішувач - так я одразу таке поставив.

Стосовно 1N4007 - в них досить велика ємність. Я їх пробував в АРП - відмовився. Пишуть що вони пін хоча по даташиту звичайні, але то було сто років тому, що зараз продають під цим маркуванням нікому не відомо.
А от КД409 - це мастхев для комутації. Досить правильний діод. Ще з імпортного є спеціальні т.з. band-switching діоди, тобто комутаційні. Наприклад BA591. Для нього в даташиті нормується опір при заданому струмі та вони мають малу ємність.
Але якщо нічого під руками нема то і 4148 працює :)
Screenshot_2025_12_19-11.png
 
Відповісти