Сторінка 17 з 19
Re: Приймач RX998.
Додано: Нед грудня 07, 2025 10:27 am
Freddy
Freddy писав: ↑П'ят листопада 07, 2025 8:28 pm
виправив схему. якщо кому цікаво то можу показати малюнок печатки .
Можна Q7 поставити bss138?
Re: Приймач RX998.
Додано: Нед грудня 07, 2025 11:48 am
serge_m
Si2301 p-канальний
BSS138 n-канальний
Re: Приймач RX998.
Додано: Сер грудня 10, 2025 6:42 am
Freddy
Визнаю свою люту неуважність.

поставлю si2319DS . Дуже схоже за параметрами
Re: Приймач RX998.
Додано: Чет грудня 18, 2025 12:40 am
Freddy
Ніколи раніше не мав справи з діодною комунікацією . Днф налаштшвувати як і всі інші ? Подати напругу на потрібний діапазон на вхід і вихід підєднати nwtnano і вперед ? Чи є якісь нюанси.
Re: Приймач RX998.
Додано: П'ят грудня 19, 2025 4:47 pm
UR5FFR
Діодна комутація це як релейна але на діодах

Якщо через діод тече струм приблизно 5-10мА то він працює як резистор з дуже малим опором і майже не вносить втрат. Коли він запер зворотною напругою - то він як конденсатор ємністю декілька пф (див. даташит) і його опір досить великий (в залежності від частоти).
PS ніхто не хоче допомагати, усі дюже зайняті. в мене 5 днів світла геть не було через цих клятих під%рів - добре що дали, а якби ні? так би й висіло питання у повітрі?
Re: Приймач RX998.
Додано: П'ят грудня 19, 2025 5:13 pm
UT8AS
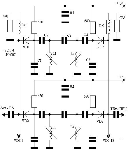
Вітаю всіх! В моєму МініК-у ДПФ перемикається діодами за схемою, яка нижче. Пробував КД409 і 1N4007 - різниці по чуйці не помітив, а останні витримали неабияку грозу... Але там синтез і ДПФ комутуються міні-галєтником (+12в) на 11 положень...Для кращого заперання діодів не робочих бендів, можна поставити паралельно розв'язуючим конденс-ам 2 - 2,2кОм...

- ДПФ 5x2 cx.jpg (33.33 Кіб) Переглянуто 119808 разів
Re: Приймач RX998.
Додано: П'ят грудня 19, 2025 7:20 pm
Ігор Віт.
UR5FFR писав: ↑П'ят грудня 19, 2025 4:47 pm
PS ніхто не хоче допомагати, усі дюже зайняті.
так а що тут допомагати?
питання було схоже на легкий тролінг. діодна комутація дпф відома вже років з 50.
як вона працює, написано тисячу разів в літературі....
кому справді потрібна допомога, так це корисувачу ОК1 в темі про гібридні мікросхеми. він задав конкретне питання, але....
Re: Приймач RX998.
Додано: П'ят грудня 19, 2025 8:42 pm
UR5FFR
UT8AS писав: ↑П'ят грудня 19, 2025 5:13 pmПробував КД409 і 1N4007 - різниці по чуйці не помітив, а останні витримали неабияку грозу...
Щоб не вибивало у грозу краще поставити по входу реле яке коротить антену на землю якщо трансивер не включено - в мене як вигорів перший змішувач - так я одразу таке поставив.
Стосовно 1N4007 - в них досить велика ємність. Я їх пробував в АРП - відмовився. Пишуть що вони пін хоча по даташиту звичайні, але то було сто років тому, що зараз продають під цим маркуванням нікому не відомо.
А от КД409 - це мастхев для комутації. Досить правильний діод. Ще з імпортного є спеціальні т.з. band-switching діоди, тобто комутаційні. Наприклад BA591. Для нього в даташиті нормується опір при заданому струмі та вони мають малу ємність.
Але якщо нічого під руками нема то і 4148 працює
Re: Приймач RX998.
Додано: Суб грудня 20, 2025 11:16 am
UT8AS
UR5FFR писав: ↑П'ят грудня 19, 2025 8:42 pm
=0.95em що зараз продають під цим маркуванням нікому не відомо...
...років 15 тому, або більше, після закриття науково-дослідницького сектору нашого універу, дісталось мені півтори пачки якісних 1N4007...я вже їх куди не пробував зі своїми вихованцями ставити - від БЖ до змішувачів сигналів, все добре працювало...і в різних даташитах їхня ємність вказана від 5 до 8 пФ при 12в зворотнього, ніби-то багато, але працюють...зараз в моєму ПА на 2хГ811 стоять у БЖ по 2 в паралель, лампи міняв, а діоди цілі...ще є багато, кому треба, можу поділитися (поштою в конверті)...
Re: Приймач RX998.
Додано: Суб січня 24, 2026 9:45 pm
Freddy
Хто як боровся з завадами від синтезатора nano vfo? В мене він генерує страшну полосу завад . Хто з таким стикався в rx998?